数字显示式倒计数定时器能够使人们随时看到剩余定时时间的多少,这在某些应用中具有一定的实用价值。本例介绍的是一位数的数字显示式定时电路,其结构简单,易于制作,而且时基单位可调(即既可以秒为时基单位,又可以分为时基单位)。该电路以NE556时基集成电路组成的多谐振荡器作时基,虽然时间精度不十分高,但经济适用。
工作原理
倒计时数显式定时器电路由可调式时基信号发生器、减计数、显示器和输出信号控制电路等组成,其电路原理图如图5一45所示。

时基信号发生器是由NE556双时基集成电路组成,NE556内部包含两个独立的555时基电路。
本电路用其中的一个电路ICla与RP、R2及C1组成一个频率可调式低频多谐振荡器,其振荡频率可通过BP来调节。由时基信号发生器产生并输出的时基信号加至计数电路IC2的计数输人端。
计数电路CD40110(IC2)是一只可进行加、减计数,又可进行译码、锁存和驱动数码管进行数码显示的集成电路,它是一只多功能电路,也称为四合一电路。本电路将它用作减法计数,将计数脉冲加至减计数输人端CP_。
输出控制电路由IClb组成,它是NE556时基集成电路中的另一个电路。图5一45中,该电路被连接成RS触发器。其中的8脚相当于置1端(S),12脚相当于置0端(R)。置1端8脚与IC2的借位输出端BO相连接,当计数器减至0时,它输出的借位(负)脉冲加至置1端8脚,使触发器翻转,9脚输出高电平,继电器K通电吸合将被控电源接通。IClb的输出端9脚除了驱动继电器,控制电路的开、关外,还将其和计数器的控制端元以及数码显示管的小数点显示输人端b相连,当输出端输出高电平时,一方面通过R12加至数码管使数码管中的小数点发光,显示其工作状态为继电器吸合;同时还将高电平加至计数器的丽端,使计数器停止工作。
电路中,C3、R3组成计数器IC2的开机复位电路,C4,Rll组成IM的复位电路,它既可自动复位,又可通过SB手动复位。
本电路工作电源采用电容降压式供电电路。C7为降压电容器,VD1为电源整流二极管,VS为稳压二极管,稳压值为12V。在接通电源后,通过复位电路自动复位。计数显示器显示0,ICIB输出端9脚输出低电平,继电器K不吸合。
定时器定时工作过程:接通电源后,计数器和RS触发器自动复位。计数器显示0,触发器输出低电平,继电器K不吸合。同时,时基脉冲发生器开始振荡,输出时基脉冲。计数器输人计数脉冲并进行减计数,从0减至9,再减至8,7、6、…、I、0。在计数显示器从1变到。的同时,借位输出端BO输出一个借位脉冲加至ICIB的8脚,使触发器翻转,9脚变为高电平,继电器K通电吸合,完成了一次定时控制过程。
在9脚输出高电平后,数码显示管的小数点发光指示;同时这一高电平又加至计数器IC2的控制端而,使计数器停止计数。
本电路所用的NE556也可用两只NE555来代替。如果专门用来作秒定时或专用作分定时,可将电位器RP调节至固定位置,使其输出单一的秒时基信号或分时基信号。
元器件选择
IC1选用NE556双时基集成电路;IC2选用CD40110,可进行加、减计数,又可进行译码、锁存和驱动数码管进行数码显示的集成电路。
VD1选用IN4007型硅整流二极管;VD2选用1N4148型硅开关二极管;VS选用1W、12V稳压二极管。
其他元器件均无特殊要求,可按图5一45所标型号及参数进行选用。
如图所示是由可预置数可逆计数器CD4029、双BCD同步加计数器CD4518、四2输入端或非门CD4001、高精度时基电路BH1908以及CL002等组成的倒计时器定时电路图,该电路定时精度高,使用起来方便,在日常生活中很常见。倒计时定时电路 该电路包括秒时基电路、预置电路、计时译码显示电路、音响提示电路以及定时输出电路5部分组成。

(1)时基电路。主要由高精度时基集成电路BH1908组成。在本电路中,选用1s、1min、1h3挡作为定时时基。当振荡起/停控制端En为低电平时,振荡器起振,为高电平时,振荡器停振。R为复位端,接高电平时内部分频器清零。
(2)预置电路。由两片双BCD同步加计数器CD4518和预置按钮SB1、SB2组成。
(3)计时译码显示电路。由两片可预置数可逆计数器CD4029以及两片数码显示管CL002等组成。其中CL002同时具有寄存、译码、显示功能。计时译码显示电路的工作过程为:脉冲信号输入到CD4029的CP端,经过计数,由输出端输出,再经CL002译码后将结果显示出来。
(4)音响提示电路。由KD253和电容C7组成。当定时结束后,会发音提示。下面对整个工作流程进行简单的介绍。当接通电源后,CD4518清零。当没有按下启动按钮时,振荡器的En端为高电平状态,此时停振,CD4029的预置端PE也为高电平,可以通过SB1、SB2设定预置定时时间,并通过显示器显示出来。
当按下启动按钮后,振荡器产生的秒时基脉冲分别加至CD4029的CP端,因加/减转换端U/D接低电平,因此开始进行减计数。减计数直至进行到由高位到低位均为零时,进位输出端/C/O变为低电平并经D1、D3组成的RS触发器后翻转为高电平,该高电平加至第一片CD4029的进位输入端/C/I,计数器停止工作,定时结束。
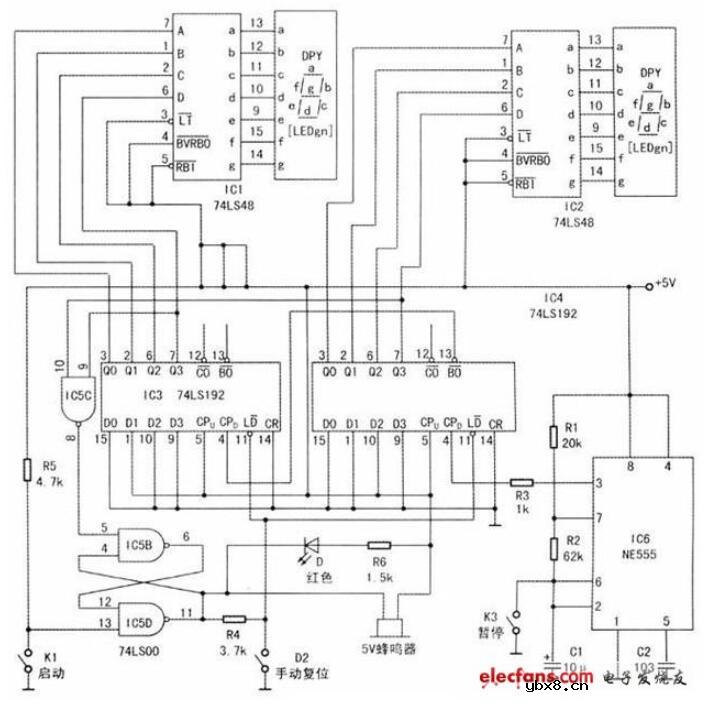
由555定时器输出秒脉冲经过R3输入到计数器IC4的CD端,作为减计数脉冲。当计数器计数计到O时,IC4的(13)脚输出借位脉冲使十位计数器IC3开始计数。当计数器计数到“00”时应使计数器复位并置数“24”。但这时将不会显示“00”,而计数器从“01”直接复位。由于“00”是一个过渡时期,不会显示出来,所以本电路采用“99”作为计数器复位脉冲。当计数器由“00”跳变到“99”时,利用个位和十位的“9”即“1001”通过与非门IC5去触发RS触发器使电路翻转,从11脚输出低电平使计数器置数,并保持为“24”,同时D发光二极管亮,蜂鸣器发出报警声,即声光报警。接下K1时,RS触发器翻转11脚输出高电平,计数器开始计数。

若接下K2,计数器立即复位,松开K2计数器又开始计数。
若需要暂停时,按下K3,振荡器停止振荡,使计数器保持不变,断开K3后,计数器继续计数。
相关热词:#计数器
无线遥控器电路图制作
时间:2026-03-07
无线电遥控门铃电路原理图
时间:2026-03-07
NE555过流保护检测器电路图
时间:2026-03-07
串联谐振升压原理
时间:2026-03-07
谐振回路的工作原理
时间:2026-03-07
电容降压电路原理
时间:2026-03-07
实用的电容降压电路
时间:2026-03-07
低成本的阻容降压电路原理图分析
时间:2026-03-07
阻容降压原理及电路
时间:2026-03-07
阻容降压电路的误区
时间:2026-03-07
彩灯电路
时间:2026-03-05
三相异步电动机原理
时间:2026-03-04
电动机单线远程正反转控制电路图
时间:2026-03-04
三相异步电动机的七种调速方式
时间:2026-03-04
转角测量电路
时间:2026-03-05
经典的正弦波发生电路
时间:2026-03-05
三相异步电动机的拆装详讲
时间:2026-03-04
USB转232电路图
时间:2026-03-04
电度表的工作原理
时间:2026-03-04
电风扇红外遥控器2
时间:2026-03-04