当前位置:首页 > 电路图基础 > 正文

四通道红外遥控电路图

来源:网络  发布者:电工基础  发布时间:2026-03-07 17:11
  选压式四通道红外遥控电路   选压式多通道红外遥控电路是根据占空比与输出电压的比例关系来完成通道选择并实施遥控的装置,本文以选压式四通道红外遥控电路为例解析其工作原理。

  选压式四通道红外遥控电路

  选压式多通道红外遥控电路是根据占空比与输出电压的比例关系来完成通道选择并实施遥控的装置,本文以选压式四通道红外遥控电路为例解析其工作原理

  

四通道红外遥控电路图

  发射电路由555和R1、R2~R5、D1、C1等组成无稳态多谐振荡器,它的输出驱动红外发光二极管(HG),发出红外光脉冲。电路分四个控制通道,按照放电时间常数的不同来区分。电路的充电时间常数不变,皆为t充=0.693R1C1。因此,改变放电时间,即改变了脉冲波形的占空比。

  

四通道红外遥控电路图

  红外接收电路(电路图点击放大观看)由红外接收、放大整形、整流、选压式通道控制电路等组成。3DU型光电管将发射的红外光转换成电信号,经VT2、VT3两只三极管复合放大后,加至由VT5、VT6组成的施密特触发器整形,并经整流,由VT7射极跟随器输出平滑后的直流电压。

  该电压的大小与发射器发送的信号波形占空比有关,占空比小(AN1)的,电压小,占空比大(AN4)的,电压高。根据VT7发射极A点串接的D3、D5、D7对电压的逐次衰减(每个二极管降压约0.7V),按下AN1时,由于这档的占空比小,A点电压低,使VT8、VT9、VT11、VT13导通,J1吸合;AN2档按下时,VT10、VT11、VT13导通,J2吸合,依次类推,达到多通道遥控的目的。

  四通道红外遥控电路

  发射电路:当按下任一按。键时,电源经VD2或VD4使。V1、V2导通,集成电路得。电,8801的9脚相应地输出--脉冲串,经V3、V4驱动,由红外发射管VII、VI2辐射出去。

  

四通道红外遥控电路图

  

四通道红外遥控电路图

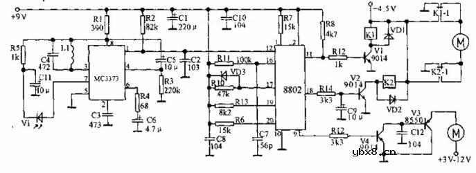
  接收电路:红外信号由光电管从7脚输人MC3373,放大后的信号从1脚输出,送人译码器8802的12脚。当发射器“F“按下时,8802的11脚电压升为2.5V,V1导通,K1吸合,M正转。当接收到“B”信号时,11脚电压降低,18脚电压升为5V,Kl释放,K2吸合。电机反转。按下“W”键时,9脚电压升高,V4,V5导通,可驱动100mA以下的直流电机,再按一下“W”,9脚复位。当接收机收到发射器的“S“信号时,8802复位,11,8,9脚都为0V。

相关热词:#四通道

最新文章
无线遥控器电路图制作无线遥控器电路图制作

时间:2026-03-07

无线电遥控门铃电路原理图无线电遥控门铃电路原理图

时间:2026-03-07

NE555过流保护检测器电路图NE555过流保护检测器电路图

时间:2026-03-07

串联谐振升压原理串联谐振升压原理

时间:2026-03-07

谐振回路的工作原理谐振回路的工作原理

时间:2026-03-07

电容降压电路原理电容降压电路原理

时间:2026-03-07

实用的电容降压电路实用的电容降压电路

时间:2026-03-07

低成本的阻容降压电路原理图分析低成本的阻容降压电路原理图分析

时间:2026-03-07

阻容降压原理及电路阻容降压原理及电路

时间:2026-03-07

阻容降压电路的误区阻容降压电路的误区

时间:2026-03-07

热门文章
彩灯电路彩灯电路

时间:2026-03-05

三相异步电动机原理三相异步电动机原理

时间:2026-03-04

三相异步电动机的七种调速方式三相异步电动机的七种调速方式

时间:2026-03-04

转角测量电路转角测量电路

时间:2026-03-05

经典的正弦波发生电路经典的正弦波发生电路

时间:2026-03-05

电动机单线远程正反转控制电路图电动机单线远程正反转控制电路图

时间:2026-03-04

三相异步电动机的拆装详讲三相异步电动机的拆装详讲

时间:2026-03-04

USB转232电路图USB转232电路图

时间:2026-03-04

电度表的工作原理电度表的工作原理

时间:2026-03-04

电风扇红外遥控器2电风扇红外遥控器2

时间:2026-03-04