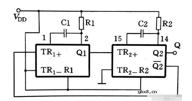
由两个D触发器分别组成单稳态电路,然后串联起来构成多谐振荡器。

振荡原理:
当开关信号送达一个低电平,或非门的输出端会出现一个上升沿脉冲,加到CP端。
此时使第一个触发器进入暂稳态,Q1转为高电平,并经过R1对C1充电,随着C1电压的升高,触发R端使其复位,让Q1转为低电平,/Q1转为高电平,对第二个触发器的CP端施加一个上升沿脉冲。
此时使第二个触发器进入暂稳态,Q2转为高电平,并经过R2对C2充电,随着C2电压的升高,触发R端使其复位,让Q2转为低电平,经过或非门,在第一个触发器的CP端施加一个上升沿脉冲。
如此循环,形成振荡,在Q1、Q2输出方波。
VD1、VD2分别提供C1、C2的快速放电回路,占空比由R1C1、R2C2调节。
另外,用一个触发器也能构成振荡器。

利用触发器的复位端R和置位端S,接在RC充放电回路,实现反复置位和复位,让Q端输出方波。
另外,专用的单稳态电路,如:4098、14528等,也可以构成多谐振荡器。
如下,图9所示,振荡周期:T≈0.5(R1C1+R2C2)。

相关热词:#触发器
无线遥控器电路图制作
时间:2026-03-07
无线电遥控门铃电路原理图
时间:2026-03-07
NE555过流保护检测器电路图
时间:2026-03-07
串联谐振升压原理
时间:2026-03-07
谐振回路的工作原理
时间:2026-03-07
电容降压电路原理
时间:2026-03-07
实用的电容降压电路
时间:2026-03-07
低成本的阻容降压电路原理图分析
时间:2026-03-07
阻容降压原理及电路
时间:2026-03-07
阻容降压电路的误区
时间:2026-03-07
彩灯电路
时间:2026-03-05
三相异步电动机原理
时间:2026-03-04
三相异步电动机的七种调速方式
时间:2026-03-04
转角测量电路
时间:2026-03-05
经典的正弦波发生电路
时间:2026-03-05
电动机单线远程正反转控制电路图
时间:2026-03-04
三相异步电动机的拆装详讲
时间:2026-03-04
USB转232电路图
时间:2026-03-04
电度表的工作原理
时间:2026-03-04
电风扇红外遥控器2
时间:2026-03-04