当前位置:首页 > 电路图基础 > 正文

光伏式光电检测电路图大全(四款模拟电路设计原理图详解)

来源:网络  发布者:电工基础  发布时间:2026-03-07 16:58
光伏式光电检测电路图(一) 光电检测电路的基本构成 光电探测器所接收到的信号一般都非常微弱,而且光探测器输出的信号往往被深埋在噪声之中,因此,要对这样的微弱信号进行处理,一般都要先进行预处理,以将

光伏式光电检测电路图(一)

光电检测电路的基本构成

光电探测器所接收到的信号一般都非常微弱,而且光探测器输出的信号往往被深埋在噪声之中,因此,要对这样的微弱信号进行处理,一般都要先进行预处理,以将大部分噪声滤除掉,并将微弱信号放大到后续处理器所要求的电压幅度。这样,就需要通过前置放大电路、滤波电路和主放大电路来输出幅度合适、并已滤除掉大部分噪声的待检测信号。其光电检测模块的组成框图如图1所示。

光伏式光电检测电路图大全(四款模拟电路设计原理图详解)

光电二极管的工作模式

光电二极管一般有两种模式工作:零偏置工作和反偏置工作,图2所示是光电二极管的两种模式的偏置电路。图中,在光伏模式时,光电二极管可非常精确的线性工作;而在光导模式时,光电二极管可实现较高的切换速度,但要牺牲一定的线性。事实上,在反偏置条件下,即使无光照,仍有一个很小的电流(叫做暗电流或无照电流1。而在零偏置时则没有暗电流,这时二极管的噪声基本上是分路电阻的热噪声;在反偏置时,由于导电产生的散粒噪声成为附加的噪声源。因此,在设计光电二极管电路的过程中,通常是针对光伏或光导两种模式之一进行最优化设计,而不是对两种模式都进行最优化设计。

光伏式光电检测电路图大全(四款模拟电路设计原理图详解)

一般来说,在光电精密测量中,被测信号都比较微弱,因此,暗电流的影响一般都非常明显。本设计由于所讨论的待检测信号也是十分微弱的信号,所以,尽量避免噪声干扰是首要任务,所以,设计时采用光伏模式。

电路设计

主放大器设计

众多需要检浏的微弱光信号通常都是通过各种传感器来进行非电量的转换,从而使检测对象转变为电量(电流或电压)。由于所测对象本身为微弱量,同时受各种不同传感器灵敏度的限制,因而所得到的电量自然是小信号,一般不能直接用于采样处理。本设计中的光电二极管前置放大电路主要起到电流转电压的作用,但后续电路一般为A/D转换电路,所需电压幅值一般为2 V。然而,即使是这样,而输出的电压信号一般还需要继续放大几百倍,因此还需应用主放大电路。其典型放大电路如图4所示。

光伏式光电检测电路图大全(四款模拟电路设计原理图详解)

滤波器设计

为使电路设计简洁并具有良好的信噪比,设计时还需要用带通滤波器对信号进行处理。为保证测量的精确性,本设计在前置放大电路之后加人二阶带通滤波电路,以除去有用信号频带以外的噪声,包括环境噪声及由前置放大器引人的噪声。这里采用的有源带通滤波器可选通某一频段内的信号,而抑制该频段以外的信号。该滤波器的幅频特性如图5所示。图5中,f1、f2分别为上下限截止频率,f0为中心频率,其频带宽度为:B=f2-f1=f0/Q式中,Q为品质因数,Q值越大,则随着频率的变化,增益衰减越快。这是因为中心频率一定时,Q值越大,所通过的频带越窄,滤波器的选择性好。 有源滤波器是一种含有半导体三极管、集成运算放大器等有源器件的滤波电路。这种滤波器相对于无源滤波器的特点是体积小、重量轻、价格低、结构牢固、可以集成。由于运算放大器具有输人阻抗高、输出阻抗低、高的开环增益和良好的稳定性,且构成简单而且性能优良。本设计选用了去处放大器来进行设计。

光伏式光电检测电路图大全(四款模拟电路设计原理图详解)

本设计选用了去处放大器来进行设计。

光伏式光电检测电路图大全(四款模拟电路设计原理图详解)

图6所示的二阶带通滤波器是一种二阶压控电压源(VCVS)带通滤波器,其滤波电路采用有源滤波器完成,并由二阶压控电压源(VCVS)低通滤波器和二阶压控电压源高通滤波器串接组成带通滤波器。

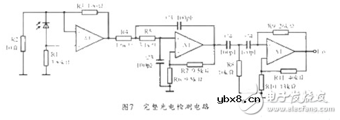
完整的检测电路设计

本光电检测系统设计的完整电路如图7所示。为方便表示,电路中的R2、R3即为前面等效电路模型中的RT、RF。前级部分由光电转换二极管与前级放大器组成,这也是光电检测电路的核心部分,其器件选用高性能低噪声运算放大器来实现电路匹配并将光电流转换成电压信号,以实现数倍的放大。然而,虽然前级放大倍数可以设计得很大,但由于反馈电阻会引入热噪声而限制电路的信噪比,因此前级信号不能无限放大。

光伏式光电检测电路图大全(四款模拟电路设计原理图详解)


相关热词:#光电探测器

最新文章
无线遥控器电路图制作无线遥控器电路图制作

时间:2026-03-07

无线电遥控门铃电路原理图无线电遥控门铃电路原理图

时间:2026-03-07

NE555过流保护检测器电路图NE555过流保护检测器电路图

时间:2026-03-07

串联谐振升压原理串联谐振升压原理

时间:2026-03-07

谐振回路的工作原理谐振回路的工作原理

时间:2026-03-07

电容降压电路原理电容降压电路原理

时间:2026-03-07

实用的电容降压电路实用的电容降压电路

时间:2026-03-07

低成本的阻容降压电路原理图分析低成本的阻容降压电路原理图分析

时间:2026-03-07

阻容降压原理及电路阻容降压原理及电路

时间:2026-03-07

阻容降压电路的误区阻容降压电路的误区

时间:2026-03-07

热门文章
彩灯电路彩灯电路

时间:2026-03-05

三相异步电动机原理三相异步电动机原理

时间:2026-03-04

三相异步电动机的七种调速方式三相异步电动机的七种调速方式

时间:2026-03-04

转角测量电路转角测量电路

时间:2026-03-05

经典的正弦波发生电路经典的正弦波发生电路

时间:2026-03-05

电动机单线远程正反转控制电路图电动机单线远程正反转控制电路图

时间:2026-03-04

三相异步电动机的拆装详讲三相异步电动机的拆装详讲

时间:2026-03-04

USB转232电路图USB转232电路图

时间:2026-03-04

电度表的工作原理电度表的工作原理

时间:2026-03-04

电风扇红外遥控器2电风扇红外遥控器2

时间:2026-03-04