照明系统隶属于智能家居中的一个子系统,也可以单独使用。照明系统能控制不同生活区域不同场合的各种照明效果轻松解决家居节能问题、提高生活品质。生活中常常遇到这样的问题,当在客厅中看电视或读书时并不需要太强烈的照明光线不得不关掉客厅大灯开启光线相对较暗用于满足看电视或读书需要的其他灯具。为了满足不同场合的照明要求,需要安装多种灯具,这给灯具控制带来极大的不方便。
照明系统控制方式的解决方案分为有线方式和无线方式。有线方式包括电力线载波的X-10 和CEBUS、电话线方式的HomePNA、以太网方式IEEE802.3 以及专用总线方式的LONWORKS 和IEEE1394 等等。其中用电力线作为网络信息的传输介质的优点是:不需要另外布设电缆,降低施工难度;缺点是传输速率只有300Kbps,难以满足视频和音频信号的传输,保密性差,接入设备昂贵等。无线方式包括红外线方式的IrDA、无线局域网方式的IEEE802.11 系列、家庭射频技术的HomeRF、蓝牙的IEEE802.15.1、ZigBee 的IEEE802.15.4 等等。无线方式解决了布线的难题,同时也能满足视频和音频信号的传输。本文以2.4G 射频技术为基础介绍一种智能家居照明系统。
本方案采用STC12C5A08AD 作为MCU控制器,STC12C5A08AD 是新一代单片机,采用第6 代保密技术,程序烧写后无法解密,增强了保密功能。速度比普通的8051单片机快8~12 倍,内建4 个16 位定时器,功耗比较低。MCU 的控制信号通过光耦控制可控硅来控制灯具的明亮程度,在强电控制接口加有电流检测回路,检测强电电流的大小,用作检测反馈。通讯方式采用2.4G 无线通信模块,无需布线,降低成本,控制方式灵活,遥控范围广,通讯速度快。本方案一共可以控制12 路灯具,适用于家庭照明控制。
2.4G 蓝牙模块电路设计
目前用于2.4GHz 通讯的通用芯片常见的有nRF2401无线芯片模组,RFW102 无线芯片模组等。根据设计需求及成本考虑,本设计中采用nRF2401进行无线数据传输。nRF2401 是一个单片无线收发一体芯片,工作在2.4GHz ISM 频段,完全集成功率合成器、功率放大器、晶体振荡器和调整电路。采用QFN24 5×5 毫米封装,应用电路使用外围元件少;采用FSK 调制方式,125 个频道,能满足多频及跳频需要;传输速率高达1Mbps,具有高数据吞吐量;功耗低,电源电压1.9V~3.6V 满足低功耗设计需要;芯片内部设有专门稳压电路,使用各种电源包括DC/DC 开关电源均有较好的通信效果。

图2 2.4G 通讯电路
智能照明控制电路设计
常用的调光方法有:脉冲宽度调制(PWM)调光法、改变半桥逆变器供电电压调光法、脉冲调频调光法、脉冲调相调光法和可控硅相控调光法。可控相控调光法具有体积小、价格合理和调光功率范围宽等优点,本系统最终采用可控硅相控调光来调节灯具的明亮程度。
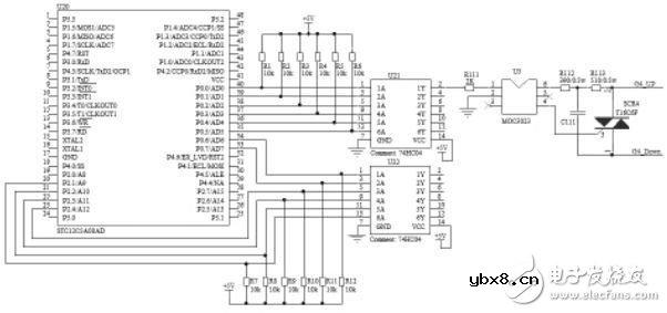
应用可控硅相控原理,通过控制可控硅的导通角,将电网输入的正弦波电压斩掉一部分,以降低输出电压的平均值,达到控制灯具供电电压,从而实现调光。可控硅相控调光对照明系统的电压调节速度快,调光精度高,调光参数可以分时段实时调整。由于调光电路主要是电子元件组成,相对来说体积小、设备质量轻、成本低。可控硅相控调光电路如图3 所示。单片机的控制信号经74HC04反相后送到光耦MOC3023,光电隔离后输入到可控硅T16C6F 的控制极,控制可控硅的导通角,实现调光。

图3 可控硅相控调光电路
电子发烧友网技术编辑点评分析:
基于单片机控制的照明系统,具有成本低、开发时间短、安装维护方便、容易满足客户不同需求等优点,市场前景广阔。目前我国的消费水平并不高,对于系统庞大的高档需求并不大,而照明系统的低成本,在家居市场上应用越来越广泛。本文介绍的基于单片机控制的照明系统具有一定的市场推广价值。
大家如有问题,欢迎在评论处讨论。
——电子发烧友网整理,转载请注明出处!
相关热词:#单片机
无线遥控器电路图制作
时间:2026-03-07
无线电遥控门铃电路原理图
时间:2026-03-07
NE555过流保护检测器电路图
时间:2026-03-07
串联谐振升压原理
时间:2026-03-07
谐振回路的工作原理
时间:2026-03-07
电容降压电路原理
时间:2026-03-07
实用的电容降压电路
时间:2026-03-07
低成本的阻容降压电路原理图分析
时间:2026-03-07
阻容降压原理及电路
时间:2026-03-07
阻容降压电路的误区
时间:2026-03-07
彩灯电路
时间:2026-03-05
三相异步电动机原理
时间:2026-03-04
三相异步电动机的七种调速方式
时间:2026-03-04
转角测量电路
时间:2026-03-05
经典的正弦波发生电路
时间:2026-03-05
电动机单线远程正反转控制电路图
时间:2026-03-04
三相异步电动机的拆装详讲
时间:2026-03-04
USB转232电路图
时间:2026-03-04
电度表的工作原理
时间:2026-03-04
电风扇红外遥控器2
时间:2026-03-04