当前位置:首页 > 电路图基础 > 正文

简单定时小吊扇的制作电路图

来源:网络  发布者:电工基础  发布时间:2026-03-07 14:43
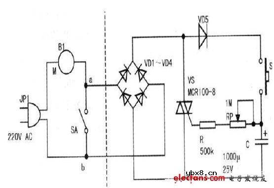
  说明:这种小吊扇进可以对行15~60min的定时。   一、工作原理电路   原理如下图1所示,虚线左边是微型吊扇原有电路,右边是新增定时器电路。

  说明:这种小吊扇进可以对行15~60min的定时。

  一、工作原理电路

  原理如下图1所示,虚线左边是微型吊扇原有电路,右边是新增定时器电路。

  在吊扇手动开关SA断开的条件下,按一下按钮开关SB,220V交流市电经吊扇马达M、桥式整流二极管VD1-VD4、隔离二极管VD5后,对电容器C充电,充电电压实测≤23V。

  与此同时,单向晶闸管vs经限流电阻R和电位器RP获得合适触发电流导通,吊扇电机Bl通电而动转。

  人手松开SB后,C通过电阻R和电位器RP放电,维持晶闸管vs继续导通。经过一段时间(延时时间),电容C两端放电电压下降到10V以下,晶闸管VS因得不到足够的触发电流而在交流电过零时关断,电机Bl电源被切断,吊扇停止运转。此时,电路本身不耗电。

  电路中,VDl~VD4组成的桥式整流电路能使晶闸管VS导通后,电机Bl两端获得全波交流电压。VD5为隔离二极管,其主要作用是防止电容C所充电荷在晶闸管vs导通后逆向释放掉。

  吊扇延时停转的时间长短,主要由电容C和RP参数大小确定,此外还与晶闸管VS最低触发电流大小有关。

简单定时小吊扇的制作电路图


图1  原理图

  二、元器件选择

  晶闸管VS选用MCR100-8(0.8A、600V)或CR02AM-12(0.2A、600V)型塑封单向晶闸管,要求门极触发电流Ig≤lOμA。VD1一VD5均用1N4007型硅整流二极管。R用1/W的碳膜电阻器,C为25V容量为1000μF的电解电容

  使用时,改变电位器RP的值,即可获得不同的延时时间。按图l选用的RC组成,可以实现15—60min的定时。如果想改变定时时间,可以适当改变电阻R、电位器RP或电容C的值。

  三、制作方法

  图2所示为定时器的印刷电路板接线图。

  印制板实际尺寸约为40mm×30mm。此印刷板可用刀刻制作,即用小刀(最好是旧钢锯条的断口)把敷铜板上的铜箔按图示黑粗线条划开就可以了。注意开口宽度不要小于2.5mm,且分割处不能有一丝连着。

  SB按下图所示用磷铜片弯制,并用废旧发光二极管(φ5mm)做成绝缘按钮。焊接好的电路板装入体积合适的绝缘小盒内,其两根外引线头a、b不分次序并接在吊扇原有的手控开关SA两端即成。本定时器电路简洁、设计合理,只要焊接无误,不需任何调试便能正常工作。它的接入并不影响吊扇原有手动开关的平常使用。

简单定时小吊扇的制作电路图

图2 印刷电路板接线图

  四、应用扩展

  这款定时器,除了能用在小吊扇外,还可以应用在其他一些用电器的定时上,如电灯等,只是不同的用电器其工作电流不同,会使定时的时间发生变化。在应用到不同电器时,需要对定时时间进行一下调整即可。

简单定时小吊扇的制作电路图


图3 扩展功能图

 

相关热词:#电路图

最新文章
无线遥控器电路图制作无线遥控器电路图制作

时间:2026-03-07

无线电遥控门铃电路原理图无线电遥控门铃电路原理图

时间:2026-03-07

NE555过流保护检测器电路图NE555过流保护检测器电路图

时间:2026-03-07

串联谐振升压原理串联谐振升压原理

时间:2026-03-07

谐振回路的工作原理谐振回路的工作原理

时间:2026-03-07

电容降压电路原理电容降压电路原理

时间:2026-03-07

实用的电容降压电路实用的电容降压电路

时间:2026-03-07

低成本的阻容降压电路原理图分析低成本的阻容降压电路原理图分析

时间:2026-03-07

阻容降压原理及电路阻容降压原理及电路

时间:2026-03-07

阻容降压电路的误区阻容降压电路的误区

时间:2026-03-07

热门文章
彩灯电路彩灯电路

时间:2026-03-05

三相异步电动机原理三相异步电动机原理

时间:2026-03-04

三相异步电动机的七种调速方式三相异步电动机的七种调速方式

时间:2026-03-04

转角测量电路转角测量电路

时间:2026-03-05

经典的正弦波发生电路经典的正弦波发生电路

时间:2026-03-05

电动机单线远程正反转控制电路图电动机单线远程正反转控制电路图

时间:2026-03-04

三相异步电动机的拆装详讲三相异步电动机的拆装详讲

时间:2026-03-04

USB转232电路图USB转232电路图

时间:2026-03-04

电度表的工作原理电度表的工作原理

时间:2026-03-04

电风扇红外遥控器2电风扇红外遥控器2

时间:2026-03-04