电工问答2026-03-06
什么是Cacheability/CrashFree BIOS/EMP Cacheability:高速缓存能力,主板芯片组的高速缓存能力,是指主存能够被L2 Cache所高速缓存的最大值。比方说,TX芯片组的主板由于L2 Cache对主存的映射(Mapping)的上限是
反激变换器时频域分析方法
时间:2026-03-07
开关变压器工作特点及电路分析
时间:2026-03-07
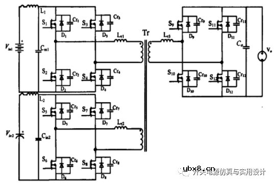
三端口功率变换的具体实现和控制方法
时间:2026-03-07
变压器的磁滞损耗与哪些因素有关?可以减少...
时间:2026-03-07
全桥LLC电路工作原理与设计难点解读
时间:2026-03-07
浅析阻式旋转变压器的基本工作原理
时间:2026-03-07
如何画三相桥式全控整流电路?
时间:2026-03-07
5v无变压器电源电路图解大全
时间:2026-03-07
越是内卷越需要碳化硅!美的逆势增长20%案例...
时间:2026-03-07
NVIDIA Omniverse Replicator助力无人机实现...
时间:2026-03-07
什么是追踪缓存/转接卡?
时间:2026-03-06
瞬间抑制二极管(TVS)/瞬间抑制二极管(TVS)是...
时间:2026-03-04
什么是EPIC
时间:2026-03-06
什么是联合并行处理二级缓存?
时间:2026-03-06
什么是Speculative execution/SQRT?
时间:2026-03-06
什么是霍尔传感器
时间:2026-03-05
双向二极管起什么作用?
时间:2026-03-04
半导体材料的主要种类有哪些?
时间:2026-03-04
高级封装,高级封装是什么意思
时间:2026-03-04
数字比较器,数字比较器是什么意思
时间:2026-03-04