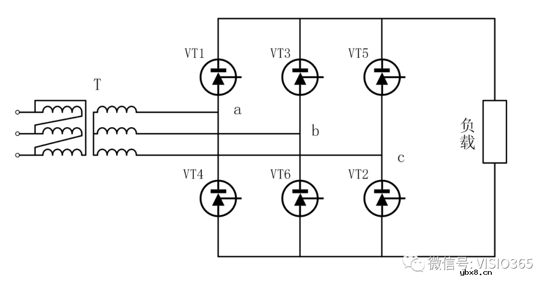
前些天有网友留言询问如何画三相桥式全控整流电路,一直没时间回复。今天得闲在家,给大家介绍一下如何来画。

上图是一个三相桥式全控整流电路原理图,大部分图形元件在VISIO自带的图形库中都能找到,下面来看看如何找出我们需要的绘图元件。
首先是整流电路的主角——可控硅。它在这里:
更多形状 - 工程 - 电气工程 -半导体和电子管
左侧图形库中的受控整流器就是可控硅,这里我已经把它拖到绘图区域了。

同样地,可以在 更多形状 - 工程 - 电气工程 -变压器和绕组中可以找到变压器绕组的图形。
左侧图形库中的电感器可以用来当作变压器绕组,这里我已经把它拖到绘图区域了。这里发现电感器的线条比较细,和可控硅图形比起来不太协调,这个问题不大,后续我们可以在线条选项中把宽度适当调整一下。

接下来就是复制粘贴和排列组合了。
先复制出6个可控硅图形出来,调整好位置。

可控硅位置基本上对整齐了,至于编号名称等,都是可以双击后更改的,位置也是能调整的。
接着用线条工具把可控硅图形连接起来。

基本上完成了一半,接下来画变压器绕组。同样是复制粘贴和调整位置的活。

连接初、次级绕组:

基本上完工了,剩下的就是添加一些文字标签了。
最终成品图如下:

稳频电路
时间:2026-03-07
可控硅调光电路图
时间:2026-03-07
触摸式台灯开关电路图
时间:2026-03-07
声控电灯开关电路图
时间:2026-03-07
光控路灯电路图
时间:2026-03-07
发光开关电路图2例
时间:2026-03-07
电风扇模拟自然风电路图
时间:2026-03-07
电风扇网罩触摸自停电路图
时间:2026-03-07
暗房定时曝光电路图
时间:2026-03-07
电子灭蚊灯电路
时间:2026-03-07
玻璃釉电容器的结构与特点
时间:2026-03-05
电容器入门教程
时间:2026-03-05
关于STM32WL LSE 添加反馈电阻后无法起振的...
时间:2026-03-05
暑期买元器件下单立减还送华为P30pro
时间:2026-03-05
电阻的标称阻值和允许偏差
时间:2026-03-05
使用过滤器电容器和诱导器来抑制受辐射的EM...
时间:2026-03-05
LED固晶机龙头直面“寒冬”
时间:2026-03-05
浅谈高压贴片电容分类与性能参数
时间:2026-03-05
聚四氟乙烯电容器的结构与特点
时间:2026-03-05
漆膜电容器的结构与特点
时间:2026-03-05