电信 IPTV 常见故障排除方法与检修实例 (三)
维修2026-03-08
二、电信IPTV故障检修实例例1、电视机无图像无声音分析与检修:根据用户反映,结合电路原理,这种情况不外乎电视机处于待机状态,机顶盒断电或电源未打开,机顶盒到电视机的HDMI高清线或AV视频线未连接或不良,电视
《洗衣机维修从入门到精通》家电维修员必须具备的PPT丛书
维修2026-03-08
《洗衣机维修从入门到精通》家电维修员必须具备的PPT丛书 12 / 2 页下一页
洗衣机不能脱水的几种原因分析。
维修2026-03-08
原因1:................洗涤物在洗涤时处于不平衡状态。当衣物过多的情况下洗涤物不能被调整到平衡,这时洗衣机就会自动调整为低转速从而造成脱水效果较差,如果是这种原因而造成洗衣机不能脱水,那就不用过多的
维修2026-03-08
12 / 2 页下一页
维修2026-03-08
1. 购买洗衣机首先注意的因素是什么?答:如价格、质量、品牌、功能、售后、容量、洗净比、是否节能节水、住所空间等,在此前提下选择合适的产品。2.洗衣机的洗涤原理是什么呢?答:它是由模拟人工搓衣服的原理发
图文解说微波炉的原理知识与维修。
维修2026-03-08
微波炉的原理与维修 12 / 2 页下一页
微波炉使用知识不看真的不安全
维修2026-03-08
微波炉里加热用的微波,作为一种电磁波,当然会“辐射”,但是别慌!只是一种能量很低的电磁辐射,很难造成生物伤害,跟致癌的电离辐射差远了!
维修工必须掌握的微波炉常见故障分析与检修。
维修2026-03-08
微波炉作为现代厨房电器的新宠,越来越普及地走进干家万户。微波炉以其加热速度快,省电且无污染等特点,确实给人们的生活带来方便。
微波炉辐射到底有多可怕?维修专家来告诉你有没有危害
维修2026-03-08
辐射泄露值,究竟有多大?国家规定,微波炉设备出厂前必须进行漏能鉴定,距设备外壳5厘米处,辐射值不得超过1000μw/cm2。也就是说,高于这个值才是一个危险的状态,低于这个值都是一个安全的状态。现在,就用辐射
扫描版小家电原理与维修微波炉电子版
维修2026-03-08
完整电子版教材如字体太小,可点击图片放大看 12 / 2 页下一页
《洗衣机维修从入门到精通》电子书PPT之三
维修2026-03-08
《洗衣机维修从入门到精通》电子书PPT之三 维修资料书。手机轻松学。如字体小,可点击图片放大看。
可便携式循环扇,只需3分钟,爽到不想开空调!
维修2026-03-08
看天气预报,全国都相继进入了高温烧烤模式。 更有网友吐槽:“每天出门只是两分钟,但出汗却要两小时!”
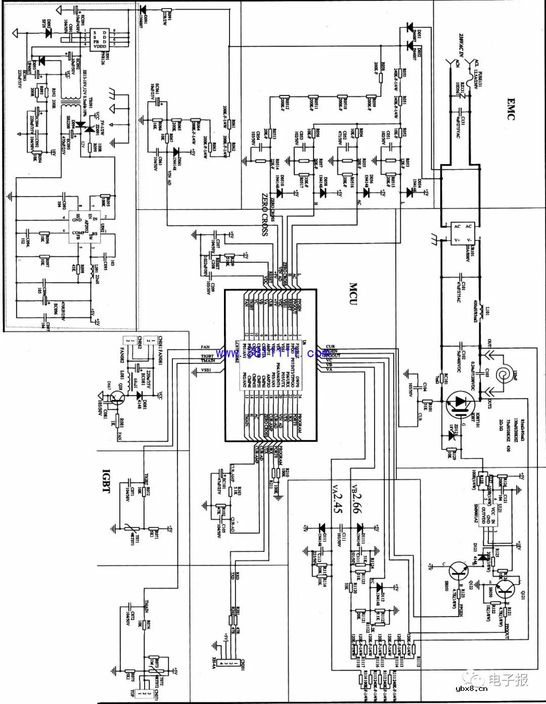
美的 TS-S1-13F-M1.1 机芯电磁炉分析与检修 ( 一 )
维修2026-03-08
美的TS-S1-13F-M1.1机芯电磁炉采用电磁炉超级芯片LC87FV708Z为核心构成,如图1所示。
机械电压力锅工作原理分析
维修2026-03-08
一、详细工作状态:1、通电后,定时器旋钮旋转到所需档位,保温开关、保压控制开关、过温保护器处于导通状态,电流从L端→保温开关→保压控制开关→过温保护器→发热盘→保险回到N端。(此时的定时器因被短路,不工
什么是电水壶温控器
维修2026-03-08
电水壶是我们日常用到的小家电,然而其内部组件和安全保护措施你可能并不太清楚,而一般电水壶安全保护措施必备的器件——电水壶温控器。
一台电压力锅死机的原因竟然是显示屏故障
维修2026-03-08
同行转修过来,说是死机,按键通通不起作用,按键已全部换新。插电试机,只有肉类按键所对应的指示灯常亮,并伴随蜂鸣器间隔报警声,按键均不起作用。开机维修,测供电5V正常,板子没有晶振,按以往经验,指示灯全
电信 IPTV 常见故障排除方法与检修实例 (三...
时间:2026-03-08
《洗衣机维修从入门到精通》家电维修员必须...
时间:2026-03-08
洗衣机不能脱水的几种原因分析。
时间:2026-03-08
图解小天鹅全自动洗衣机各零部件及故障维修...
时间:2026-03-08
洗衣机出现常见故障知识问答
时间:2026-03-08
图文解说微波炉的原理知识与维修。
时间:2026-03-08
微波炉使用知识不看真的不安全
时间:2026-03-08
维修工必须掌握的微波炉常见故障分析与检修...
时间:2026-03-08
微波炉辐射到底有多可怕?维修专家来告诉你...
时间:2026-03-08
扫描版小家电原理与维修微波炉电子版
时间:2026-03-08
电信 IPTV 常见故障排除方法与检修实例 (三...
时间:2026-03-08
一台电压力锅死机的原因竟然是显示屏故障
时间:2026-03-08
电流互感器在电磁炉电流检测的应用
时间:2026-03-08
美的C21-SK2111型电磁炉,操作正常,也能加...
时间:2026-03-08
燃气灶具产品构造图及维修(图解)
时间:2026-03-08
图解微波妒快速维修方法及维修案例分享
时间:2026-03-08
压力锅数码管故障一例
时间:2026-03-08
电磁炉维修中的故障快速判断与维修技巧
时间:2026-03-08
吸油烟机常见故障及检修方法
时间:2026-03-08
家用燃气灶电子点火器原理图与检修方法
时间:2026-03-08