电工问答2026-03-06
谈P2P电影服务器(最经济方案) 最近在论坛上看到大家讨论架设电影服务器的问题,其实这个在大中型网吧中几乎是必备的项目之一,本人在广州、武汉等地的数个网吧上网时都看到这些网吧已经拥有了自己的电影服务器,
汽车网络用数据线扼流圈
时间:2026-03-07
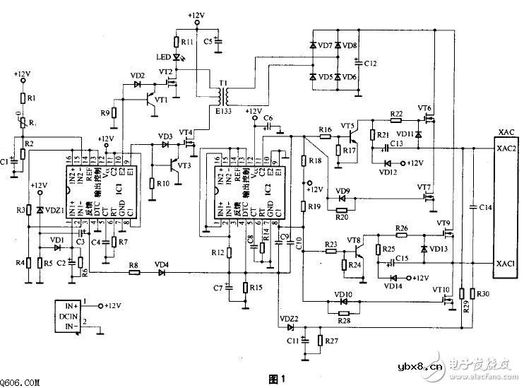
一款常见车载逆变器电路图及原理
时间:2026-03-07
车载逆变器对电瓶有害吗
时间:2026-03-07
车载逆变器的作用_车载逆变器的选择
时间:2026-03-07
车载逆变器怎么安装_车载逆变器的接线方法
时间:2026-03-07
BBS轮圈制作技术解析
时间:2026-03-07
汽车底盘电子系统,汽车底盘电子系统是什么意...
时间:2026-03-07
汽车传动系,汽车底传动系是什么意思
时间:2026-03-07
汽车传动系的结构和功能及原理介绍
时间:2026-03-07
汽车行驶系,行驶系是什么意思
时间:2026-03-07
什么是追踪缓存/转接卡?
时间:2026-03-06
瞬间抑制二极管(TVS)/瞬间抑制二极管(TVS)是...
时间:2026-03-04
什么是EPIC
时间:2026-03-06
什么是联合并行处理二级缓存?
时间:2026-03-06
什么是Speculative execution/SQRT?
时间:2026-03-06
什么是霍尔传感器
时间:2026-03-05
双向二极管起什么作用?
时间:2026-03-04
半导体材料的主要种类有哪些?
时间:2026-03-04
高级封装,高级封装是什么意思
时间:2026-03-04
数字比较器,数字比较器是什么意思
时间:2026-03-04