电工问答2026-03-06
什么是声卡单声道/AVI/WOC/MIDI/DAC 单声道:单声道是比较原始的声音复制形式,早期的声卡采用的比较普遍。当通过两个扬声器回放单声道信息的时候,我们可以明显感觉到声音是从两个音箱中间传递到我们耳朵里的。
电话线路状态告知器电路图
时间:2026-03-07
带自锁功能的开关电路
时间:2026-03-07
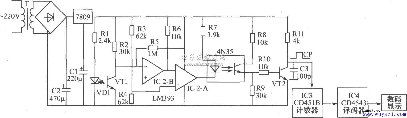
光电计数电路图
时间:2026-03-07
光电耦合器构成的开关电路
时间:2026-03-07
光电耦合器构成的触摸开关电路
时间:2026-03-07
带看门狗的up监控电路原理图
时间:2026-03-07
同步信号产生电路原理图
时间:2026-03-07
SCR触发电路
时间:2026-03-07
可变脉宽脉冲振荡器电路
时间:2026-03-07
50%占空比的振荡器电路
时间:2026-03-07
什么是追踪缓存/转接卡?
时间:2026-03-06
瞬间抑制二极管(TVS)/瞬间抑制二极管(TVS)是...
时间:2026-03-04
什么是EPIC
时间:2026-03-06
什么是联合并行处理二级缓存?
时间:2026-03-06
什么是Speculative execution/SQRT?
时间:2026-03-06
什么是霍尔传感器
时间:2026-03-05
双向二极管起什么作用?
时间:2026-03-04
半导体材料的主要种类有哪些?
时间:2026-03-04
高级封装,高级封装是什么意思
时间:2026-03-04
数字比较器,数字比较器是什么意思
时间:2026-03-04