全美达的法宝:Efficeon处理器详细报道
电工问答2026-03-06
全美达的法宝:Efficeon处理器详细报道 让人期待已久的Transmet(全美达)新一代移动处理器Efficeon由于一再的拖延而已不受销售者青睐了,但是它良好的移动性能,也许只有那些真正使用过装载这款处理器产品的用户
脉冲延时电路图
时间:2026-03-06
煤气报警器电路图
时间:2026-03-06
三极管非门电路图
时间:2026-03-06
闪烁灯电路图
时间:2026-03-06
施密特电路图
时间:2026-03-06
时间累积器电路图
时间:2026-03-06
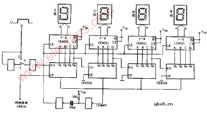
时序脉冲产生器电路图
时间:2026-03-06
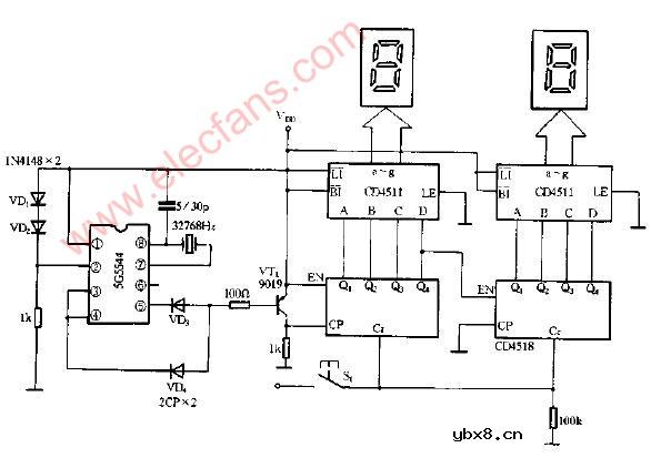
数字秒表电路图
时间:2026-03-06
数字式脉宽测量电路图
时间:2026-03-06
双向超温报警器电路图
时间:2026-03-06
瞬间抑制二极管(TVS)/瞬间抑制二极管(TVS)是...
时间:2026-03-04
什么是EPIC
时间:2026-03-06
什么是追踪缓存/转接卡?
时间:2026-03-06
什么是Speculative execution/SQRT?
时间:2026-03-06
什么是联合并行处理二级缓存?
时间:2026-03-06
什么是霍尔传感器
时间:2026-03-05
技术前沿:让我们来谈一谈封装
时间:2026-03-05
半导体材料的主要种类有哪些?
时间:2026-03-04
高级封装,高级封装是什么意思
时间:2026-03-04
数字比较器,数字比较器是什么意思
时间:2026-03-04