电工问答2026-03-05
收音机是一种小型的无线电接收机。主要用于接受无线电电台的广播节目,收听无线电发射台,通常是广播电台发送的娱乐及资讯节目。它有异于军事用途的无线电接收器,后者不是广播。那么收音机为什么叫半导体呢
电工问答2026-03-05
在日常生活中便携式的迷你收音机更方便携带,不但老年人逛公园、散步的时候可以听听,唱戏、跳舞也能用得上,而且孩子听英语、学习也用的上。本文主要介绍半导体收音机那个牌子好,以及半导体收音机推荐。
半导体收音机实物电路图大全(六款检波电路/六管收音机/调谐指示电路)
电工问答2026-03-05
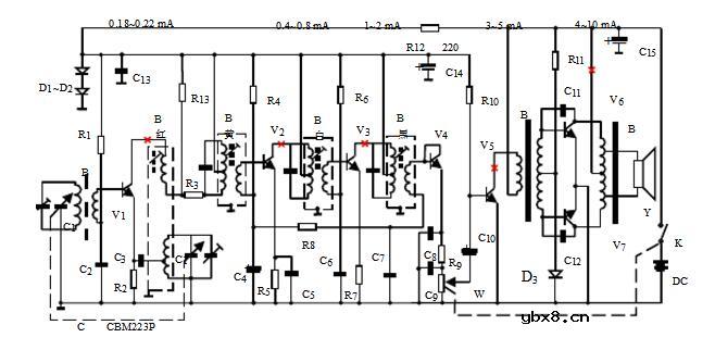
半导体收音机电路一:HX108-2型7管半导体收音机 HX108-2型7管半导体收音机的主要性能为频率范围:525~1605kHz;输出功率:
电工问答2026-03-05
半导体收音机发明时间 半导体收音机在1844年就发明了。 半导体收音机一般指晶体管收音机。晶体管收音机是指用晶体管处理和放大信号的收音机。晶体管收音机是一种小型的基于晶体管的无线电接收机
电工问答2026-03-05
半导体收音机的电流是多少 半导体收音机电源的电流约50mA合——A.雷电是一种常见的自然现象,发生雷电时的电流高达2*10的五次方A。
突破人形机器人控制器性能瓶颈:高效稳定的...
时间:2026-03-05
一文讲懂开关电源的阻尼振荡
时间:2026-03-05
使用过滤器电容器和诱导器来抑制受辐射的EM...
时间:2026-03-05
智能硬件遭遇销量困局 看社区O2O如何破解
时间:2026-03-05
物联网新时代,关于安全的5大错误认知
时间:2026-03-05
智能停车场一体化控制器方案简述
时间:2026-03-05
ZigBee应用于智能家居是否存在严重漏洞?
时间:2026-03-05
推动物联网发展,供电是基础设备的生命线
时间:2026-03-05
楼宇对讲走向标准化 四大发展方向明确
时间:2026-03-05
最帅“黑”科技:让普通手机可扫描3D
时间:2026-03-05
瞬间抑制二极管(TVS)/瞬间抑制二极管(TVS)是...
时间:2026-03-04
常用整流二极管型号大全
时间:2026-03-04
S/HS固态继电器原理简介
时间:2026-03-04
稳压二极管的选用和代换
时间:2026-03-04
TVS器件的电特性有哪些
时间:2026-03-04
DB3双向触发二极管,DB3双向触发二极管原理是...
时间:2026-03-04
ZigBee在公交信息系统中的实现
时间:2026-03-05
传输设备PDH接口对接问题
时间:2026-03-05
什么是霍尔传感器
时间:2026-03-05
半导体材料的主要种类有哪些?
时间:2026-03-04