接触器主触头接触电阻测量的方法
电子元件2026-03-05
低压接触器主触头的材质一般为银镍合金或者银氧化锡合金,银含量为百分之九十多,其余为镍或者氧化锡。银具有良好的导电性,有利于保证很低的接触电阻,防止触头过热,而镍或者氧化锡具有良好的耐电弧烧蚀能力
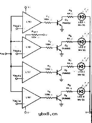
3级电平指示器电路图
时间:2026-03-05
5级电平指示器电路图
时间:2026-03-05
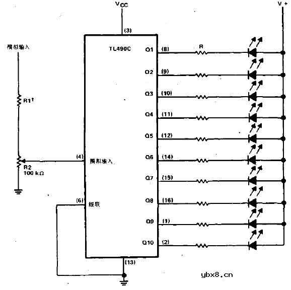
10级电平指示器电路图
时间:2026-03-05
电平检测器电路图
时间:2026-03-05
调频接收机用零中心指示器电路图
时间:2026-03-05
可视电压指示器电路图
时间:2026-03-05
拍频指示器电路图
时间:2026-03-05
指示器和报警器电路图
时间:2026-03-05
红外发射机电路图
时间:2026-03-05
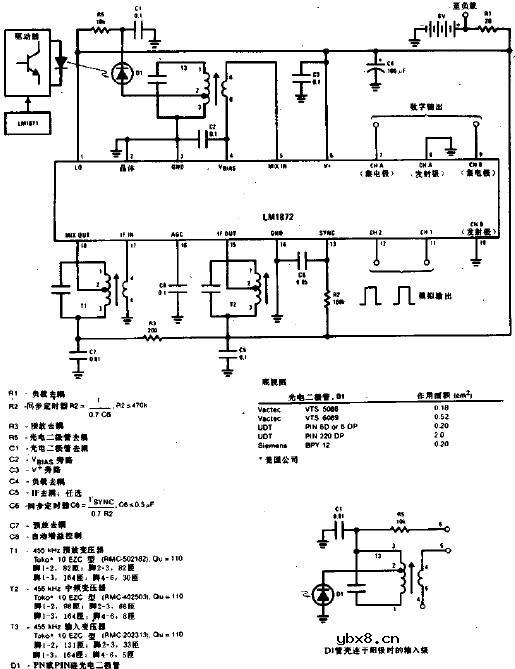
红外数据传输装置电路图
时间:2026-03-05
关于STM32WL LSE 添加反馈电阻后无法起振的...
时间:2026-03-05
电阻的标称阻值和允许偏差
时间:2026-03-05
合金电阻与贴片电阻有什么区别?你知道合金...
时间:2026-03-05
3PEAK高压零漂放大器契合精密应用
时间:2026-03-05
零欧电阻的功能
时间:2026-03-05
PPTC热敏电阻在电池中的应用
时间:2026-03-05
水泥电阻规格及型号
时间:2026-03-05
气敏电阻的型号命名方法是怎样的
时间:2026-03-05
国巨片式电阻缺货涨价之应对方案 你要知道电...
时间:2026-03-05
RI-80F型高压高阻玻璃釉膜电阻分压器
时间:2026-03-05