小型双陷波超宽带天线的设计
电工问答2026-03-05
随着室内高速无线数据接入技术的发展,要求无线通信系统具有更大的数据吞吐量。特别是IEEE802.15.3a标准提出分配3.1~10.6 GHz频段给超宽带使用后,超宽带通信系统越来越受到重视。考虑到与以往天线的设计要
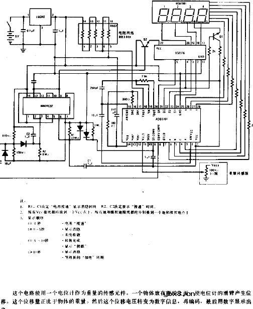
数字式电子秤电路图
时间:2026-03-05
智能电网的未来发展趋势
时间:2026-03-05
变电站的分类 变电站与住宅的安全距离
时间:2026-03-05
智能电网的内涵及其作用
时间:2026-03-05
智能电网体现在哪里?
时间:2026-03-05
智能电网应用在哪些方面
时间:2026-03-05
变电站的电气设备 变电站的布设要求
时间:2026-03-05
分布式智能电网的核心意义
时间:2026-03-05
分布式智能电网的形态与结构
时间:2026-03-05
变电站是干什么的 变电站的等级分类
时间:2026-03-05
瞬间抑制二极管(TVS)/瞬间抑制二极管(TVS)是...
时间:2026-03-04
什么是霍尔传感器
时间:2026-03-05
半导体材料的主要种类有哪些?
时间:2026-03-04
高级封装,高级封装是什么意思
时间:2026-03-04
数字比较器,数字比较器是什么意思
时间:2026-03-04
常用整流二极管型号大全
时间:2026-03-04
S/HS固态继电器原理简介
时间:2026-03-04
稳压二极管的选用和代换
时间:2026-03-04
TVS器件的电特性有哪些
时间:2026-03-04
TVS二极管的分类/应用,TVS二极管的特点/选用...
时间:2026-03-04