电工问答2026-03-06
CSR公司日前宣布其DirectOffice® 直接渲染(Direct Rendering)软件被选定用于惠普HP Color LaserJet Pro MFP M277系列彩色激光多功能一体机(MFP)及HP Color LaserJet Pro M252系列彩色激光打印机,以实现
电工问答2026-03-05
信元交换路由器(CSR),信元交换路由器(CSR)是什么意思 信元交换路由器(Cell Switch Router,CSR)是一个通过标准ATM UNI接口与多个ATM子网相连的设备,它运行标准的IP选路协议(如OSPF、PIM)并在子网间执行传统的
医用呼叫接收器原理电路
时间:2026-03-07
电子贺卡原理电路图
时间:2026-03-07
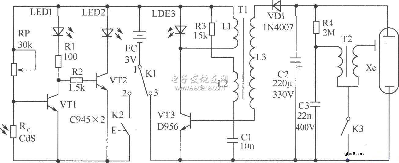
相机闪光灯原理电路
时间:2026-03-07
浅谈检波二极管原理和选用技巧
时间:2026-03-07
A7840构成的电流信号检测电路
时间:2026-03-07
三个脚的二极管接线图 详解三脚稳压二极管与...
时间:2026-03-07
浅谈光电倍增管和雪崩光电二极管的区别
时间:2026-03-07
影响雪崩二极管响应速度的原因有哪些 详解雪...
时间:2026-03-07
雪崩二极管是什么 与PIN光电二极管有何区别
时间:2026-03-07
A7840构成的直流回路电压信号检测电路
时间:2026-03-07
什么是追踪缓存/转接卡?
时间:2026-03-06
瞬间抑制二极管(TVS)/瞬间抑制二极管(TVS)是...
时间:2026-03-04
什么是EPIC
时间:2026-03-06
什么是联合并行处理二级缓存?
时间:2026-03-06
什么是Speculative execution/SQRT?
时间:2026-03-06
什么是霍尔传感器
时间:2026-03-05
双向二极管起什么作用?
时间:2026-03-04
半导体材料的主要种类有哪些?
时间:2026-03-04
高级封装,高级封装是什么意思
时间:2026-03-04
数字比较器,数字比较器是什么意思
时间:2026-03-04