电工问答2026-03-07
黑莓Bold 9700白色版现身官网 黑莓手机向来以深色调、QWERTY全键盘的设计而著称,但是随着市场竞争的加剧和消费者对个性的追求,RIM也开始尝试改变黑莓手机的外观,继上周有消息称黑莓Pearl 9105将弃QWERTY采用T9键
基于单片机的智能家居电子密码锁系统电路设...
时间:2026-03-07
运用单片机指纹识别系统电路模块设计
时间:2026-03-07
基于GPS/GSM技术的防丢失个人定位系统电路设...
时间:2026-03-07
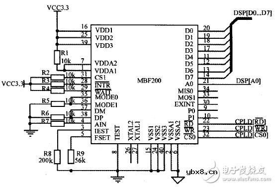
基于ARM9的指纹识别系统电路模块设计
时间:2026-03-07
嵌入式指纹处理系统模块电路设计
时间:2026-03-07
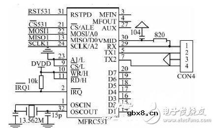
电路图天天读(29):基于MSP430的指纹识别...
时间:2026-03-07
基于ARM7的指纹考勤机系统电路模块设计
时间:2026-03-07
畜牧养殖智能消毒机器人控制系统电路模块设...
时间:2026-03-07
基于SPCA563B芯片的图象识别系统电路模块设...
时间:2026-03-07
STM32的便携式手机蓝牙考勤机系统电路设计
时间:2026-03-07
什么是追踪缓存/转接卡?
时间:2026-03-06
瞬间抑制二极管(TVS)/瞬间抑制二极管(TVS)是...
时间:2026-03-04
什么是EPIC
时间:2026-03-06
什么是联合并行处理二级缓存?
时间:2026-03-06
什么是Speculative execution/SQRT?
时间:2026-03-06
什么是霍尔传感器
时间:2026-03-05
双向二极管起什么作用?
时间:2026-03-04
半导体材料的主要种类有哪些?
时间:2026-03-04
高级封装,高级封装是什么意思
时间:2026-03-04
数字比较器,数字比较器是什么意思
时间:2026-03-04