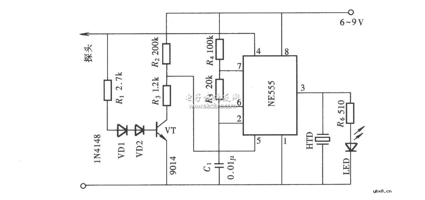
基于NE555电路的声光型逻辑笔原理图
电路图基础2026-03-07
基于NE555电路的声光型逻辑笔原理图:
555电路组成超声波驱虫电路图
电路图基础2026-03-07
图中所示是用555组成的超声波驱虫电路. L1脚的控制电压降低. 控制电压的降低会使该组555的输出频率增加到65KHZ,C2朝2/3供电压充电时,晶体管BG逐渐脱离导通状态,造成LED的亮度逐渐减弱,并使控制电压增加.增加的控制
555电路组成自动控制灯电路图
电路图基础2026-03-07
图中所示是用555组成自动控制灯电路. 图示电路也可作简易触摸开关,当用手触摸金属片时,触发信号进入2脚,使单稳态触发电路进入暂稳状态,3脚输出高电平,LED亮.LED亮的时间由R和C的时间常数决定,暂稳态后3脚又恢复
555电路组成袖珍电子定时催眠按摩器电路图
电路图基础2026-03-07
图中所示是用两块555组成袖珍电子定时催眠按摩器电路. 电路由三部分组成:定时电路,催眠器电路,按摩器电路.
555电路组成光电打靶游戏机电路图
电路图基础2026-03-07
图中所示是用555组成光电打靶游戏机电路. 电路将555接成单稳态模式.当光线射中3DU5的窗口时,2脚的电位因3DU5的集电极与发射极间电阻急剧下降而小于(1/3)
555电路组成低功耗定时器电路图
电路图基础2026-03-07
图中所示是用555组成的低功耗定时器电路. 发555等构成的单稳电路,使之由稳态进入暂稳态,继电器J吸合.约1.1个R4C3后,555电路又进入稳态,3脚输出低电位,J释放,同时F2,F1再次翻转,F1输出低电平,三极管BG截止,切断555定
555电路组成三种波形发生器电路图
电路图基础2026-03-07
图中所示是用555组成三种波形发生器电路. 图示线路可同时产生方波,三角波和正弦波三种波形,十分适合学生用示波器做实验.
555电路组成晶体管测试仪电路图
电路图基础2026-03-07
图中所示是用555组成一个简单的晶体管测试仪电路. 图示线路是将555接成一个典型的无稳态多谐振荡器电路,用它主要可测NPN三极管的好坏及估计B值.将待测的晶体三极
555电路组成闪光灯电路图
电路图基础2026-03-07
图中所示是555组成的闪光灯电路. 图示线路闪光灯装置可作花盆,鱼缸或玩具的装饰.电路接成典型的无稳态多谐振荡器,当3脚为高电平时,LED2亮,LED1暗;当3脚为低电平时,LED1亮,LED2暗.调节W电位器,可改变发光
几乎不耗电的遥控门铃设计
时间:2026-03-07
实用的自动延时照明开关电路
时间:2026-03-07
遥控收发器控制数码管显示的实验
时间:2026-03-07
采用电容降压的 LED 驱动电路图
时间:2026-03-07
6串LED恒流控制原理图
时间:2026-03-07
简单实用的电梯停电报警电路
时间:2026-03-07
不同凡响的胆管放大器设计
时间:2026-03-07
短路断路功能的电桥式语音报警器
时间:2026-03-07
两段声音全自动语音复制电路的设计
时间:2026-03-07
超声波发射电路图
时间:2026-03-07
彩灯电路
时间:2026-03-05
三相异步电动机原理
时间:2026-03-04
三相异步电动机的七种调速方式
时间:2026-03-04
转角测量电路
时间:2026-03-05
经典的正弦波发生电路
时间:2026-03-05
电动机单线远程正反转控制电路图
时间:2026-03-04
USB转232电路图
时间:2026-03-04
电度表的工作原理
时间:2026-03-04
电风扇红外遥控器2
时间:2026-03-04
三相异步电动机的拆装详讲
时间:2026-03-04