微波炉高压二极管型号分类 微波炉高压二极管...
时间:2026-03-07
如何用万用表测量微波炉高压二极管 浅谈高压...
时间:2026-03-07
微波炉高压二极管常见故障分析 详解微波炉高...
时间:2026-03-07
微波炉高压二极管如何更换 如何防止损坏
时间:2026-03-07
大功率发光二极管质量比较好?大功率发光二极...
时间:2026-03-07
室内空气净化装置电路
时间:2026-03-07
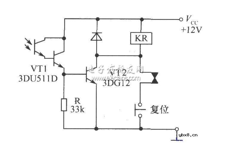
带自锁功能的光控继电器开关电路图
时间:2026-03-07
声音控制接通电路
时间:2026-03-07
机器人的电机控制电路
时间:2026-03-07
压力传感器信号处理电路原理图
时间:2026-03-07
彩灯电路
时间:2026-03-05
三相异步电动机原理
时间:2026-03-04
三相异步电动机的七种调速方式
时间:2026-03-04
转角测量电路
时间:2026-03-05
经典的正弦波发生电路
时间:2026-03-05
电动机单线远程正反转控制电路图
时间:2026-03-04
USB转232电路图
时间:2026-03-04
电度表的工作原理
时间:2026-03-04
电风扇红外遥控器2
时间:2026-03-04
三相异步电动机的拆装详讲
时间:2026-03-04