多路防盗无线报警器电路图
电工基础2026-03-06
多路防盗无线报警器电路图
高灵敏红外线报警器电路图
电工基础2026-03-06
高灵敏红外线报警器电路图
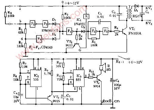
高压密码防护报警器电路图
电工基础2026-03-06
高压密码防护报警器电路图
柜、屉防盗光控双音报警器电路图
电工基础2026-03-06
柜、屉防盗光控双音报警器电路图
红外报警器电路图
电工基础2026-03-06
红外报警器电路图
红外监控无线报警器电路图
电工基础2026-03-06
红外监控无线报警器电路图
红外线防盗报警器电路图
电工基础2026-03-06
红外线防盗报警器电路图
红外线声光报警器电路图
电工基础2026-03-06
红外线声光报警器电路图
机电一体化自行车防盗报警锁电路图
电工基础2026-03-06
机电一体化自行车防盗报警锁电路图
家用防盗报警器电路图
电工基础2026-03-06
家用防盗报警器电路图
家用防盗防火报警器电路图
电工基础2026-03-06
家用防盗防火报警器电路图
简易可燃气体报警电路图
电工基础2026-03-06
简易可燃气体报警电路图
简易气体烟雾报警器电路图
电工基础2026-03-06
简易气体烟雾报警器电路图
简易移位报警器电路图
电工基础2026-03-06
简易移位报警器电路图
交流稳压器延时过压报警器电路图
电工基础2026-03-06
交流稳压器延时过压报警器电路图
救护车音响电路图
电工基础2026-03-06
救护车音响电路图
TIL601~TIL604 LS600 LS602 LS61
时间:2026-03-06
TIL601~TIL604 LS600 LS602 LS61
时间:2026-03-06
TIL601~TIL604 LS600 LS602 LS61
时间:2026-03-06
TIL601~TIL604 LS600 LS602 LS61
时间:2026-03-06
TIL3009~TIL3012参数测量电路图
时间:2026-03-06
TIL3009~TIL3012管脚电路图
时间:2026-03-06
TIL3009~TIL3012管教封装尺寸电路图
时间:2026-03-06
TIL3009~TIL3012逻辑电路图
时间:2026-03-06
TIL3009-TIL3012电阻负载电路图
时间:2026-03-06
TIL3009-TIL3012具有非灵敏栅感性负载的双向...
时间:2026-03-06
彩灯电路
时间:2026-03-05
三相异步电动机原理
时间:2026-03-04
转角测量电路
时间:2026-03-05
经典的正弦波发生电路
时间:2026-03-05
袖珍节拍器电路图
时间:2026-03-05
电度表的工作原理
时间:2026-03-04
电动机单线远程正反转控制电路图
时间:2026-03-04
三相异步电动机的拆装详讲
时间:2026-03-04
三相异步电动机的七种调速方式
时间:2026-03-04
USB转232电路图
时间:2026-03-04