几个连接起来的电阻所起的作用,可以用一个电阻来代替,这个电阻就是那些电阻的等效电阻。也就是说任何电回路中的电阻,不论有多少只,都可等效为一个电阻来代替。而不影响原回路两端的电压和回路中电流强度的变化。这个等效电阻,是由多个电阻经过等效串并联公式,计算出等效电阻的大小值。也可以说,将这一等效电阻代替原有的几个电阻后,对于整个电路的电压和电流量不会产生任何的影响,所以这个电阻就叫做回路中的等效电阻。
就是用一个电阻代替串联电路中几个电阻,比如一个串联电路中有2个电阻,可以用另一个电阻来代替它们。首先把这两个电阻串联起来,然后移动滑动变阻器,移动到适当的地方就可以,然后记录下这时的电压与电流,分别假设为U和I。然后就另外把电阻箱接入电路中,滑动变阻器不要移动,保持原样,调整变阻器的阻值,使得电压和电流为I和U。
在电路分析中,最基本的电路就是电阻电路。而分析电阻电路常常要将电路化简,求其等效电阻。由于实际电路形式多种多样,电阻之间联接方式也不尽相同,因此等效电阻计算方法也有所不同。本文就几种常见的电阻联接方式,谈谈等效电阻的计算方法和技巧。
以3个电阻联接为例,电路如图1所示。

根据电阻串联特点可推得,等效电阻等于各串联电阻之和,即

由此可见:
(1)串联电阻越多,等效电阻也越大;
(2)如果各电阻阻值相同,则等效电阻为R=nR1
电路如图2所示。

根据电阻并联特点可推得,等效电阻的倒数等
于各并联电阻倒数之和,即:

上述结论能否推广使用呢?即如果一个电阻是另一个电阻的3倍、4倍,,n倍。
例如,128电阻分别与48、38、28、18电阻并联(它们的倍数分别是3、4、6和12倍),等效电阻如何计算?
不难看出:当一电阻为另一电阻的n倍时,等效电阻的计算通式为

在实际电路中,单纯的电阻串联或并联是不多见的,更常见的是既有串联,又有并联,即电阻的混联电路。
对于混联电路等效电阻计算,分别可从以下两种情况考虑。
1.电阻之间联接关系比较容易确定
求解方法是:先局部,后整体,即先确定局部电阻串联、并联关系,根据串、并联等效电阻计算公式,分别求出局部等效电阻,然后逐步将电路化简,最后求出总等效电阻。
例如图3所示电路,从a、b两端看进去,R1与R2并联,R3与R4并联,前者等效电阻与后者等效电阻串联,R5的两端处于同一点(b点)而被短接,计算时不须考虑,所以,等效电阻:

值得注意的是:等效电阻的计算与对应端点有关,也就是说不同的两点看进去,等效电阻往往是不一样的,因为对应点不同,电阻之间的联接关系可能不同。
例如图3,若从a、c两点看进去,R1与R2并联,R3与R4就不是并联,而是串联(但此时R3+R4被短接),这样,等效电阻为:
Rac=R1MR2
同理,从b、c看进去,R1与R2串联(被短接),R3与R4并联,等效电阻:
Rbc=R3MR4
2.电阻之间联接关系不太容易确定
例如图4所示,各电阻的串、并联关系不是很清晰,对初学者来说,直接求解比较困难。所以,可将原始电路进行改画,使之成为电阻联接关系比较明显的电路,然后再进行计算。

具体方法步骤如下:
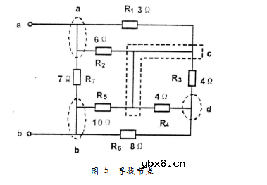
(1)找出电路各节点,并对其进行命名,如图5所示。

在找节点时需注意:
等电位点属于同一点,故不能重复命名,如上图的c点,它是由三个等电位点构成的,命名时必须将它们看成一点。
(2)将各节点画在一条水平线上,如图6所示。

布局各节点时需注意:为方便计算,最好将两端点分别画在两头,如图6的a、b两点。
(3)对号入座各电阻,画出新电路。即将各电阻分别画在对应节点之间,这样,就构成了一个与原始电路实质相同,而形式比较简单明了的新电路了,如图7所示。最后再求等效电阻。

此方法可称为节点命名法。它是分析电阻联接关系比较复杂电路的一种实用的方法。
求解这类电路等效电阻的基本思路,就是将电路作星形与三角等效互换,使之变成电阻串、并联电路。
例如图8所示电路。


此题还可以将R3、R4、R5变成Y形,或者将R1、R3、R4变成v(也可将R2、R3、R5变成v)等方法化简进行计算。
如何实现PBFT的数学证明
时间:2026-03-05
网络适配器不见了的解决方法
时间:2026-03-05
gis是什么_GIS技术对生活生产有什么作用
时间:2026-03-05
比特币隐私保护的工作原理介绍
时间:2026-03-05
白币钱包挖矿方法以及成本和应对建议
时间:2026-03-05
全球最大规模的原生多链系统PCHAIN介绍
时间:2026-03-05
基于全新的互联网技术栈Web3.0技术介绍
时间:2026-03-05
gis软件有哪些_gis开发需要学哪些_gis应用领...
时间:2026-03-05
GIS的发展趋势
时间:2026-03-05
基于VRF+BLS融合技术的ZVChain测试网挖矿教...
时间:2026-03-05
电阻的标称阻值和允许偏差
时间:2026-03-05
零欧电阻的功能
时间:2026-03-05
PPTC热敏电阻在电池中的应用
时间:2026-03-05
水泥电阻规格及型号
时间:2026-03-05
气敏电阻的型号命名方法是怎样的
时间:2026-03-05
国巨片式电阻缺货涨价之应对方案 你要知道电...
时间:2026-03-05
RI-80F型高压高阻玻璃釉膜电阻分压器
时间:2026-03-05
电阻器的分类
时间:2026-03-05
电阻的额定功率
时间:2026-03-05
电阻的高频特性
时间:2026-03-05