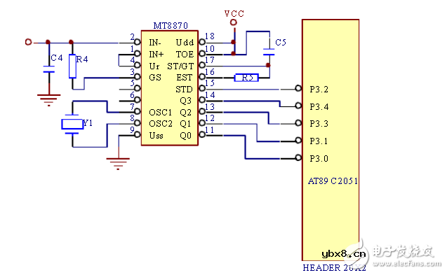
5G1413S小功率NPN达林顿晶体管阵列集成电路最高输出电压典型值为35V,最小值为25V,集电极最大输出电流80MA,箝位二极管反向击穿电压典型值80V,最小值为25V,反向漏电流50UA,最大耗散功率50MW.




相关热词:#led数码管
光电二极管是如何工作的,如何使用光电二极...
时间:2026-03-07
采用MSP430单片机的可穿戴式血糖仪电路设计
时间:2026-03-07
基于运算放大器的典型光电二极管电路
时间:2026-03-07
智能手机遥控电路整体模块设计
时间:2026-03-07
基于单片机的电话远程控制系统模块电路设计
时间:2026-03-07
基于光电二极管的火灾传感器电路图
时间:2026-03-07
基于语音通信中的双音频DTMF解码电路分析
时间:2026-03-07
常用家用电器控制模块电路设计
时间:2026-03-07
基于无线传感网络的瓦斯浓度采集前端电路设...
时间:2026-03-07
电路图天天读(13):可穿戴紧急呼叫器电路...
时间:2026-03-07
彩灯电路
时间:2026-03-05
三相异步电动机原理
时间:2026-03-04
三相异步电动机的七种调速方式
时间:2026-03-04
转角测量电路
时间:2026-03-05
经典的正弦波发生电路
时间:2026-03-05
电动机单线远程正反转控制电路图
时间:2026-03-04
USB转232电路图
时间:2026-03-04
电度表的工作原理
时间:2026-03-04
电风扇红外遥控器2
时间:2026-03-04
三相异步电动机的拆装详讲
时间:2026-03-04