逆变器交流侧连接作为设备安装调试过程中非常重要的一环,交流电缆和端子的正确选型以及交流接线安装极大地关系到电站的安全和稳定,同时影响着电站的投资成本和运维成本,进而影响到电站的盈利能力。因此,小固本文介绍逆变器交流端子、交流电缆的选型和应用,帮助大家更好地选用完成逆变器交流侧连接。

逆变器安装调试步骤
01
安装场景
机械安装作为逆变器安装调试步骤的首要环节,目前其安装场景也越来越多样化,以户用电站为例,逆变器和配电箱的安装位置一般有以下几种情况:
1)逆变器和配电箱都在楼顶,挂在支架上,譬如混凝土的平屋面;
2)逆变器在楼顶,配电箱在楼下,譬如某些阳光房场景;
3)逆变器和配电箱都在楼下,譬如铺瓦的坡屋面。
02
电缆选型
—
那么逆变器安装完成后在进行交流侧线缆连接时,我们对使用铜线缆还是铝线缆究竟应该如何选择呢?
全额上网的光伏电站到并网点的距离一般较远,同时农网多采用铝线进行电能传输,所以户用光伏电站为了降低投资成本,往往会采用铝电缆来替代铜电缆,铝电缆的优势是成本低、质量轻、散热快,缺点是机械强度差、易氧化和腐蚀,其主要的应用形式有两种:1)逆变器到配电箱采用铜电缆,配电箱到并网点采用铝电缆,比较适用于逆变器和配电箱安装在同一位置的场景。2)逆变器到配电箱,配电箱到并网点均采用铝电缆,比较适合逆变器和配电箱分开的场景。

交流电缆选用情况
逆变器交流出线采用铝或铝合金电缆,相同的载流量下,铝电缆的截面面积要比铜电缆大,同时为了规避铜铝之间的电化学腐蚀,需要采用铜铝过渡端子的方式连接,对施工工艺要求也较高一些。
因此,我们在线缆选型时要充分考虑到不同材质线缆的截面积以及对应载流量,以下是固德威户用逆变器交流端子和交流电缆选型表,供用户参考:

注:1.上表中的交流电缆的压降控制在2%,距离不超过80m。
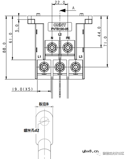
2.逆变器默认端子为铜端子。若使用铝电缆,需另外采购铜铝过渡端子。注意铜铝过渡端子的螺丝孔径d2、板宽B,保证可以压接到逆变器的交流端子上。


外购铜铝过渡端子的规格
除此之外,其实工商业项目中采用铝合金电缆也早就已经屡见不鲜了。一般在工商业项目中,逆变器安装位置距离配电房比较远,使用铝合金电缆能够大大降低现场电缆的投资成本,工商业一般考虑3%的压降,交流电缆多采用桥架、电缆井、排管等敷设方式,通常工商业采用4芯线或3芯线(不接N线)敷设到低压配电房,PE工作接地和保护接地可以就地连接到扁铁或接地装置上。
03
软件调试
在交流线缆连接完成后,我们需要根据实际的接线形式来完成相应的设置:通过固德威手机软件SolarGo来选择输出形式,其步骤如下:
打开SolarGo APP,连接4G或WIFI或蓝牙,点击“更多”,然后选择“并网参数”;
进入并网参数界面后,点击“输出方式”;
根据需要的接线形式勾选“三角形电网”或“星型电网”。



三相三线制输出设置
固德威始终聚焦“电站安全、更优LCOE”,提供有竞争力的产品和解决方案,小固本文从实际出发,介绍了逆变器交流端子以及交流侧接线的相关注意事项,旨在让大家认识到在光伏电站中线缆连接的重要性,通过电缆和端子的合理选型、正确应用来保障一个好的电站的落成。
编辑:黄飞
相关热词:#智能电网
变电一次接线图:变电站主接线和站用电接线...
时间:2026-03-05
全面详解保护接地、接零、漏保
时间:2026-03-05
10kV配电室核心设备功能、作用与重要性
时间:2026-03-05
一文详解变压器结构、试验
时间:2026-03-05
数据中心市电引入过程及常见方式
时间:2026-03-05
10KV开关柜控制和保护动作原理图
时间:2026-03-05
电气二次设计:继电保护及安全自动装置
时间:2026-03-05
电线电缆的结构、分类、工艺流程
时间:2026-03-05
高低压配电系统组成和作用 移动基站直流系统...
时间:2026-03-05
浅谈变配电所的直流系统组成及操作电源分类
时间:2026-03-05
太阳能电池板涂层类型及工艺有哪些
时间:2026-03-05
分布式供电的主要优点
时间:2026-03-05
变压器组别接线详细图
时间:2026-03-05
智能电网和微电网介绍
时间:2026-03-05
变电站母线最大工作电流计算和安装
时间:2026-03-05
变电站自动化系统的应用
时间:2026-03-05
配电变压器的工作原理和作用
时间:2026-03-05
微机保护和继电保护的区别
时间:2026-03-05
箱式变压器护栏的尺寸大小和安全距离
时间:2026-03-05
低压配电柜进出线方式和接线步骤
时间:2026-03-05