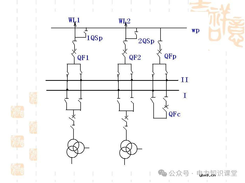
变电站主接线和站用电接线运行
在发电厂和变电站中,由各种一次电气设备及其连接线所组成的输送和分配电能的电路,称为电气一次回路。
·电气一次回路中电气设备根据它们的作用,按照连接顺序,用规定的文字和符号绘成的图形称之为电气主接线图。



























































审核编辑:黄飞
相关热词:#智能电网
突破人形机器人控制器性能瓶颈:高效稳定的...
时间:2026-03-05
一文讲懂开关电源的阻尼振荡
时间:2026-03-05
使用过滤器电容器和诱导器来抑制受辐射的EM...
时间:2026-03-05
智能硬件遭遇销量困局 看社区O2O如何破解
时间:2026-03-05
物联网新时代,关于安全的5大错误认知
时间:2026-03-05
智能停车场一体化控制器方案简述
时间:2026-03-05
ZigBee应用于智能家居是否存在严重漏洞?
时间:2026-03-05
推动物联网发展,供电是基础设备的生命线
时间:2026-03-05
楼宇对讲走向标准化 四大发展方向明确
时间:2026-03-05
最帅“黑”科技:让普通手机可扫描3D
时间:2026-03-05
什么叫变电站 变电站的四种分类 变电站的类...
时间:2026-03-05
光伏电站的容量怎么算
时间:2026-03-05
变电站的接线方式和设计规范的基本要求
时间:2026-03-05
变压器到低压配电柜有哪些设备 低压配电柜和...
时间:2026-03-05
配电箱的使用年限、注意事项和维护保养
时间:2026-03-05
电网的常见故障及后果
时间:2026-03-05
中线安防保护器对电网中三次谐波的治理
时间:2026-03-05
什么是单母线接线?主接线的普遍规律
时间:2026-03-05
关于直流微电网群储能优化及协调的控制方法
时间:2026-03-05
智能电网包括什么?它的先进性和优势是?
时间:2026-03-05