电子元件2026-03-06
主变压器差动保护动作的原因及处理 主变压器差动保护动作跳闸的原因是:(1)主变压器及其套管引出线发生短路故障。(2)保护二次线发生故障。(3)电流互感器短路或开路。(4)主变压器内部故障。处理的原则是:
电子元件2026-03-06
电子束炉变压器的故障检查研究 引言 EBCHR2/50/500电子束炉是西北有色金属研究院从德国ALD 公司进口的大型设备,适用于熔炼和重熔钨、钼、钽、铌、锆、铪等难熔金属及其合金,它具有两个完全独立的电子枪,两只枪
电子元件2026-03-06
非晶纳米晶软磁材料和电子变压器市场分析 随着电子技术的不断发展,有源器件的进步,电子产品体积和重量大为减少,这就推动了包括电子变压器在内的电子元器件向轻、薄、小的方向发展。电子变压器的生产工艺面临一
电子元件2026-03-06
西电集团研制出750千伏单相无励磁调压发电机变压器 日前,国产电压等级最高的24万千伏安、750千伏单相无励磁调压发电机变压器一次性通过全部试验,这标志着又一台具有完全自主知识产权的750千伏单相无励磁调压发
电子元件2026-03-06
变压器的温升计算方法 1、引言 我们提出工频变压器温升计算的问题,对高频变压器的温升计算也可以用来借鉴。工频变压器的计算方法很多人认为已趋成熟没有什么可讨论的,其实麻雀虽小五脏俱全,再成熟的东西也需要
电子元件2026-03-06
变压器的冷却方式 变压器的冷却方式是由冷却介质和循环方式决定的;由于油浸变压器还分为油箱内部冷却方式和油箱外部冷却方式,因此油浸变压器的冷却方式是由四个字母代号表示的。
电子元件2026-03-06
变压器套管的作用和要求简介 变压器套管的作用是:将变压器内部高、低压引线弓到油箱外部,不但作为引线对地绝缘,而且担负着固定引线的作用,变压器套管是变压器载流元件之一,在变压器运行中,长期通过负载电流,当变压器
电子元件2026-03-06
电子束炉变压器的故障检查分析 1 故障现象 电子束炉按正常程序操作熔炼钽金属时,40KV高压电源突然断电,操作面板上出现报警显示:“Hv Transformer BUCHHOLZ”(高压变压器瓦斯继电保护动作)。打开变压器的
电子元件2026-03-06
微波炉高压变压器结构和原理 高压变压器是_种专用漏磁(感)变压器,其结构示意如图3所示。由图可见,高压变压器共有3个绕组,其中一 个初级绕组,交流220V市电电压施加在此绕组中;两个为各自独立的次级绕组;即输
电子元件2026-03-06
PLC在变电站变压器自动化中的应用 摘要:本文主要介绍由PLC构成的变压器自动化系统在中小型变电站综合自动化中的实现。它对变压器的控制精度高,性能可靠。同时PLC自身具备的计算机、电子、网络通讯等特性,使PL
电子元件2026-03-06
种牵引变压器的原理分析与比较选择 一 按照变压器结构种类和接线方式分为:
电子元件2026-03-06
防止配电变压器烧坏的措施 在电力系统中,配电变压器占据着极其重要的地位,一旦烧坏,将会造成大面积的停电,直接或间接影响广大电力用户的生产和生活。通过对多台变压器烧坏事故的分析,笔者认为,有相当一部分
电子元件2026-03-06
变压器防雷技术 雷击损坏配变过去单纯认为是雷电波进入高压绕组引起,实际上这种认识带有程度的片面性。理论分析和实际试验表明:配变雷害事故的主要原因是由于配电系统遭受雷害时的“正反变换”的过电压引起,
电子元件2026-03-06
变压器干燥后的器身吸湿受潮原理及处理 1、前言 变压器器身干燥出炉之后,要经过器身整理、器身入箱、内部接线、分接开关安装等工序,才能进行真空注油。在这个生产过程中,器身绝缘材料始终处于和大气接触状
电子元件2026-03-06
变压器运行中短路损坏的原因分析 摘要:通过上海近几年出口短路造成变压器损坏的具体实例分析了由于电磁线原因造成变压器损坏和目前存在的问题,并就电力变压器的设计和电磁线的选用提出了建议。 1 前言
电子元件2026-03-06
10KVA变压器损耗计算分析 简介:负载曲线的平均负载系数越高,为达到损耗电能越小,要选用损耗比越小的变压器;负载曲线的平均负载系数越低,为达到损耗电能越小,要选用损耗比越大的变压器。将负载曲线的平均负
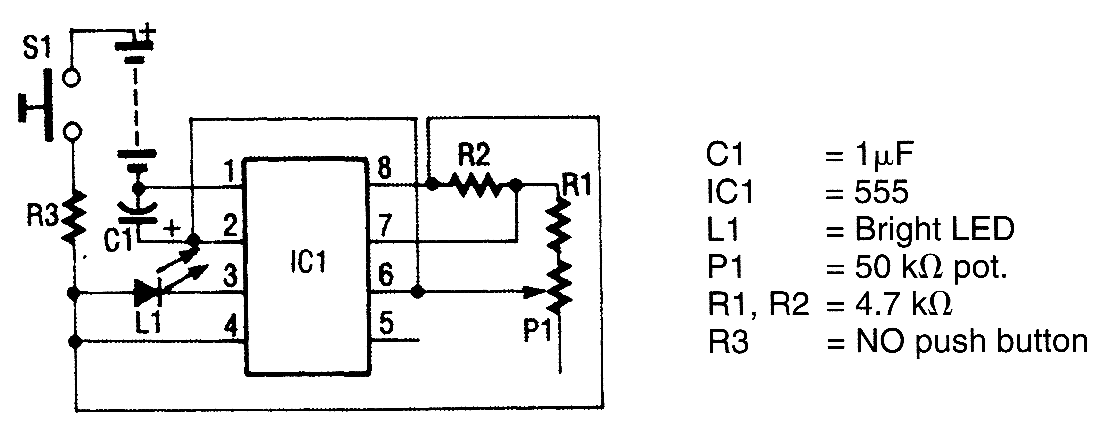
手持激光电路
时间:2026-03-22
梦幻般的模拟激光电路
时间:2026-03-22
没有PLL的频率倍增器
时间:2026-03-22
100dB动态范围日志发生器
时间:2026-03-22
代码实践振荡器
时间:2026-03-22
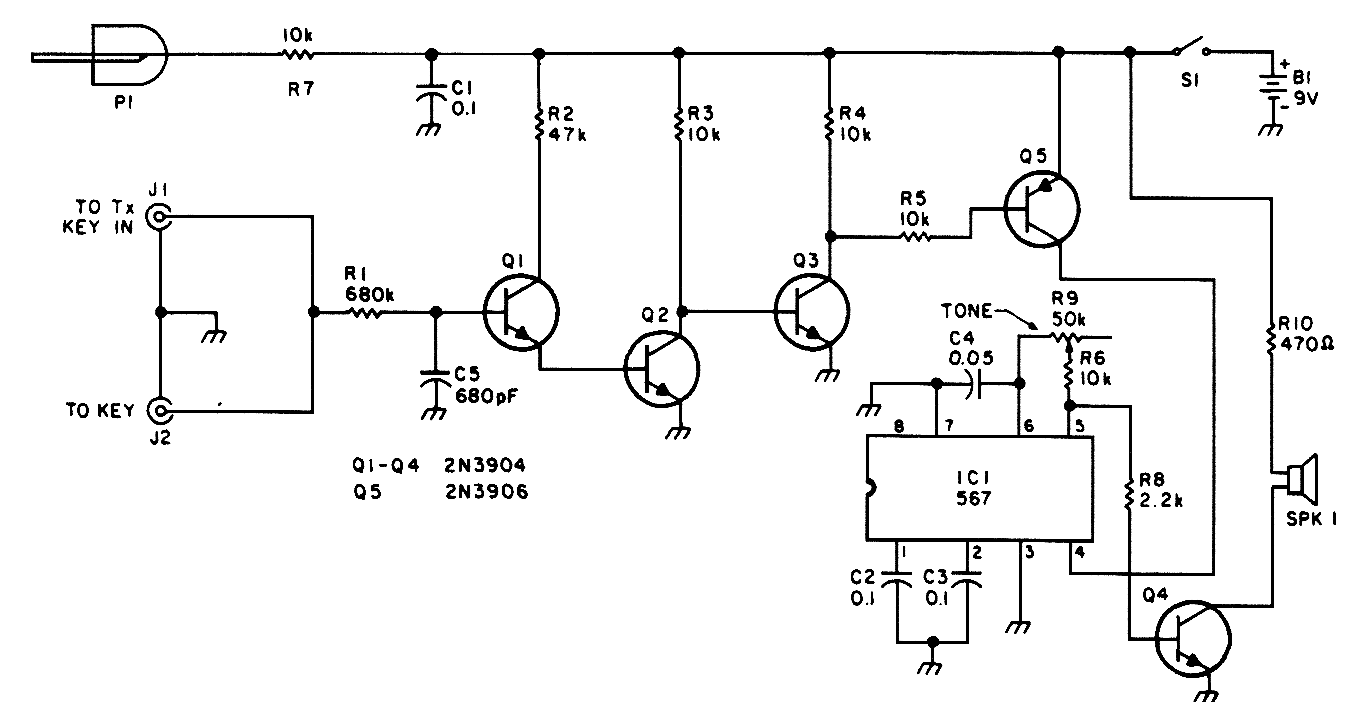
QRP侧音发电机/代码实践振荡器
时间:2026-03-22
根部提取器
时间:2026-03-22
三通道彩色装置
时间:2026-03-22
缓冲I2C数据线和时钟线
时间:2026-03-22
RC十进位盒
时间:2026-03-22
住宅小区负荷与变压器容量的选择技巧
时间:2026-03-06
光伏控制器简介
时间:2026-03-06
石英灯电子变压器电路原理
时间:2026-03-06
变压器并列运行的条件浅析
时间:2026-03-06
电阻的标称阻值和允许偏差
时间:2026-03-05
三极管的主要参数
时间:2026-03-07
HTCC:半导体封装的理想方式
时间:2026-03-06
玻璃釉电容器的结构与特点
时间:2026-03-05
半导体三极管的技术参数
时间:2026-03-07
碳膜电阻如何识别_金属膜电阻器和碳膜电阻器...
时间:2026-03-05