电子元件2026-03-06
电力变压器组成部分 电力变压器的主要附件部分有以下几部分。 1)吸潮器(硅胶筒):内装有硅胶,储油柜(油枕)内的绝缘油通过吸潮器与大气连通,干燥剂吸收空气中的水分和杂质,以保持变压器内部
电子元件2026-03-06
电力变压器的分类 电力变压器按用途分类:升压(发电厂6.3kV/10.5kV或10.5kV/110kV等)、联络(变电站间用220kV/110kV或110kV/10.5kV)、降压(配电用35kV/0.4kV或10.5kV/0.4kV)。
驱动电机旋转变压器
电子元件2026-03-06
旋转变压器用于运动伺服控制系统中,作为角度位置的传感和测量用。早期的旋转变压器其输出,是随转子转角作某种函数变化的电气信号,通常是正弦、余弦、线性等。作为角度位置传感元件,常用的有这样几种:光学编码
旋转变压器应用
电子元件2026-03-06
60年代起,旋转变压器逐渐用于伺服系统,作为角度信号的产生和检测元件。三线的三相的自整角机,早于四线的两相旋转变压器应用于系统中。随着电子技术和数字计算技术的发展,数字式计算机代替了模拟式计算机。
旋转变压器的结构
电子元件2026-03-06
旋转变压器用于运动伺服控制系统中,作为角度位置的传感和测量用。早期的旋转变压器用于计算解答装置中,作为模拟计算机中的主要组成部分之一。其输出,是随转子转角作某种函数变化的电气信号,通常是正弦、余弦、
旋转变压器的主要参数与性能指标
电子元件2026-03-06
随着大家对于稳压要求的提升,这些新型的稳压设备,也是逐渐走进了大家的生活。熟知大功率稳压器的朋友都知道,它是具有良好稳压特性的设备。这种大功率稳压设备主要是使用于大型的电力使用企业,或是具有稳压需要
电子元件2026-03-06
旋转变压器与编码器的区别 旋转变压器是一种输出电压随转子转角变化的信号元件。是采用电磁感应原理工作,随着旋转变压器的转子和定子角位置不同,输出信号可以实现对输入正弦载波信号的相位变换和幅值调制,最终
旋转变压器的种类
电子元件2026-03-06
旋转变压器一般结构类似于绕线型电动机,从不同的角度进行划分可得到不同的旋转变压器种类或名称。
旋转变压器的鉴相方式
电子元件2026-03-06
在伺服系统中,为了实现高精度的控制,往往需要实时地检测出电动机转子的位置。用来检测电动机转子位置的角度传感器主要有光电编码器和旋转变压器。光电编码器虽然能够达到很高的精度,但是它的抗干扰性差,不宜应
正余弦旋转变压器与线性旋转变压器基本结构和原理
电子元件2026-03-06
正余弦旋转变压器与线性旋转变压器基本结构和原理 旋转变压器是输出电压与转子转角成一定函数关系的特种电机,其一、二次侧绕组分别放在定、转子上,一次侧绕组与二次侧绕组之间的电磁耦合程度与转子的转角密切相
电子元件2026-03-06
节能变压器常见故障 1、内部声音异常 变压器在正常运行时,其会发生较为规律性的声音。而一旦运行时声音不具有规律性,则技术人员可以通过异常声音的情况来对变压器的故障进行判断,并及时进行处
电子元件2026-03-06
节能变压器具体节能参数 1、额定容量(kVA搜索) 额定电压。额定电流下连续运行时,能输送的容量。
电子元件2026-03-06
节能变压器 电力变压器自1881年发明至今已经有一百多年。目前大多数情况下,电能的电压等级自发电站到用户至少要经过5级变压器,方可输送到低压用电设备(380V/22 0V)。虽然变压器本身效率很高,但因其
电子元件2026-03-06
节能变压器有哪些种类 1)按冷却方式分类:有自然冷式、风冷式、水冷式、强迫油循环风(水)冷方式、及水内冷式等。
电子元件2026-03-06
节能变压器的工作原理 (1)变压器铁芯均为三相五柱式两行矩形排列,在两个旁柱中流过零序磁通,磁通不经过箱体,不产生发热的结构损耗,使变压器能满足低噪声、低损耗;
变压器运行节能措施
电子元件2026-03-06
变压器 变压器(Transformer)是利用电磁感应的原理来改变交流电压的装置,主要构件是初级线圈、次级线圈和铁芯(磁芯)。主要功能有:电压变换、电流变换、阻抗变换、隔离、稳压(磁饱和变压器)等。按
LED路灯节能监控系统的设计
时间:2026-03-14
定时光控LED路灯控制设计
时间:2026-03-14
大功率白光LED的应用分析
时间:2026-03-14
18W无源PFC LED照明驱动设计
时间:2026-03-14
升压转换器实现易于编程的LED驱动器
时间:2026-03-14
输入升降压型大功率LED驱动芯片
时间:2026-03-14
经典CREE MCE强光手电
时间:2026-03-14
LED驱动器提升全彩视频显示屏的性能
时间:2026-03-14
FL4830方位灯和FL4830强光手电介绍
时间:2026-03-14
离线高功率因数LED驱动器
时间:2026-03-14
电阻的标称阻值和允许偏差
时间:2026-03-05
变压器并列运行的条件浅析
时间:2026-03-06
玻璃釉电容器的结构与特点
时间:2026-03-05
晶体三极管放大电路的非线形失真及其解决办...
时间:2026-03-07
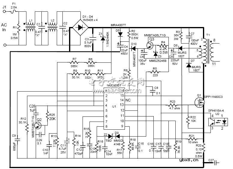
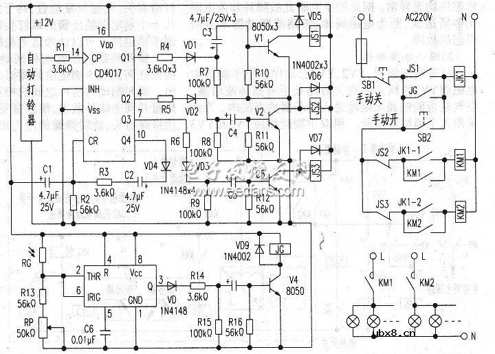
石英灯电子变压器电路原理
时间:2026-03-06
旋转变压器原理与应用知识
时间:2026-03-06
关于STM32WL LSE 添加反馈电阻后无法起振的...
时间:2026-03-05
贴片电阻的阻值识别方法
时间:2026-03-05
可调电阻怎么接线
时间:2026-03-05
压敏电阻有正负极吗
时间:2026-03-05