电子元件2026-03-05
压敏电阻爆裂的原因 压敏爆裂可能的原因主要如下: 1、选用的允许电压或尺寸规格过低,压敏电阻过电压损坏;
电子元件2026-03-05
压敏电阻选型指南 关于压敏电阻选型,小编为您娓娓道来: 1)压敏电压选择,要考虑电源电压波动、MOV电压精度、MOV老化系数等因素;
电子元件2026-03-05
电子元件2026-03-05
制动电阻工作原理 制动电阻,是波纹电阻的一种,主要用于变频器控制电机快速停车的机械系统中,帮助电机将其因快速停车所产生的再生电能转化为热能。
制动电阻如何选择_制动电阻选型
电子元件2026-03-05
如何选择制动电阻 1、制动单元又叫制动斩波器,和制动电阻一起配套工作,都是变频器的选件。变频器正常的母线电压为540V(AC380V机型),当电机处于发电状态时,该母线电压会超过540V,允许700-800V,如
制动电阻的构造_制动电阻接线图
电子元件2026-03-05
制动电阻的构造 陶瓷管 是合金电阻丝的骨架,同时具有散热器的功效;
碳膜电阻如何识别_金属膜电阻器和碳膜电阻器的识别方法
电子元件2026-03-05
什么是碳膜电阻 碳膜电阻器是膜式电阻器(Film Resistors)中的一种。它是采用高温真空镀膜技术将碳紧密附在瓷棒表面形成碳膜,然后加适当接头切割,并在其表面涂上环氧树脂密封保护而成的。其表面常涂以
电子元件2026-03-05
接触电阻是什么意思 对导体间呈现的电阻称为接触电阻。 一般要求接触电阻在10-20 mohm以下。 有的开关则要求在100-500uohm以下。有些电路对接触电阻的变化很敏感。 应该指出, 开关的接触电阻是开关在若
接触电阻怎么测_接触电阻影响因素
电子元件2026-03-05
接触电阻作用原理 在显微镜下观察连接器接触件的表面,尽管镀金层十分光滑,则仍能观察到5-10微米的凸起部分。会看到插合的一对接触件的接触,并不整个接触面的接触,而是散布在接触面上一些点的接触。实
磁敏电阻有哪些应用_磁敏电阻主要应用于什么场合
电子元件2026-03-05
什么是磁敏电阻 磁敏电阻是一种对磁敏感、具有磁阻效应的电阻元件。物质在磁场中电阻发生变化的现象称为磁阻效应。磁敏电阻通常用锑化铟(InSb)或砷化铟(InAs)等对磁具有敏感性的半导体材料制成。半导
可变电阻器内部结构_可变电阻器引脚识别方法
电子元件2026-03-05
可变电阻器原理 可变电阻器是一种可调的电子元件。它是由一个电阻体和一个转动或滑动系统组成。
电子元件2026-03-05
什么是磁敏电阻 磁敏电阻是一种基于磁阻效应而制作的电阻体。它在外施磁场的作用下(包括外施磁场的强度及方向的变化)能够改变自身的阻值,是一种新颖的传感元件。它可分为半导体磁敏及强磁性金属薄膜磁
电子元件2026-03-05
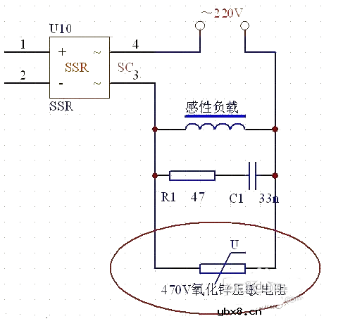
压敏电阻是一种限压型保护器件,利用压敏电阻的非线性特性,当过电压出现在其两极时,压敏电阻可以将电压钳位到一个相对固定的电压值,从而实现对后级电路的保护。压敏电阻还有一个很重要的作用,就是用于电路中的
压敏电阻的作用及标称参数
电子元件2026-03-05
压敏电阻“是一种具有非线性伏安特性的电阻器件,主要用于在电路承受过压时进行电压嵌位,吸收多余的电流以保护敏感器件。压敏电阻是一种限压型保护器件。利用压敏电阻的非线性特性,当过电压出现在压敏电阻的两极
电子元件2026-03-05
压敏电阻是工程师们手上必备的电子元器件之一,在LED开关电源或大功率的电源设备中经常可以看见压敏电阻的身影。压敏电阻器在运行过程中为电路系统所提供的瞬时过压保护,是非常重要的。实际上,除了过压保护压敏电
压敏电阻的计算
电子元件2026-03-05
了解压敏电阻的工作电压 压敏电阻不是感知压力,是一个电压的感受器,有点像保险丝,超过自身的所承受的电压就会击穿,断路保护
基于Cloud CO架构的PON场景分析
时间:2026-03-05
量子通信是什么意思_量子通信概念
时间:2026-03-05
量子通信原理与技术及发展史
时间:2026-03-05
浅谈区块链在云计算和数据中心领域的作用
时间:2026-03-05
推动5G商用,美国将分配更多的毫米波频谱,实...
时间:2026-03-05
量子通信被炒作,使科学研究陷入困境
时间:2026-03-05
pon技术的特点与原理
时间:2026-03-05
盘点区块链发展的4大硬伤
时间:2026-03-05
盘点CDN的五大盲点
时间:2026-03-05
什么是基站定位_基站定位的原理及特点
时间:2026-03-05
电阻的标称阻值和允许偏差
时间:2026-03-05
零欧电阻的功能
时间:2026-03-05
PPTC热敏电阻在电池中的应用
时间:2026-03-05
水泥电阻规格及型号
时间:2026-03-05
气敏电阻的型号命名方法是怎样的
时间:2026-03-05
国巨片式电阻缺货涨价之应对方案 你要知道电...
时间:2026-03-05
RI-80F型高压高阻玻璃釉膜电阻分压器
时间:2026-03-05
电阻器的分类
时间:2026-03-05
电阻的额定功率
时间:2026-03-05
电阻的高频特性
时间:2026-03-05