题主所说的是电路板上的电子元件,元件和器件还是有本质区别的,元件就电阻,电容,电感这几种,它们在生产中不改变内部的分子结构,也就是性能只取决于材料。器件一般都是指各种半导体,比如二极管,三极管等,它们在生产时要改变其中的分子结构。比如三极管在生产时要使发射区的多数载流子浓度大于基区,这样就改变了其中的分子结构,所以是一种器件。下面根据题意来分别说一下几种元件的作用。
电阻在电路中被大量使用,作用不外乎有几种,分流,分压,限流等。电阻并联分流,串联分压,至于限流,我们使用的发光二极管一般都会串联一个电阻,这个电阻的作用就是限流,以免电流过大烧坏发光二极管,如下图。

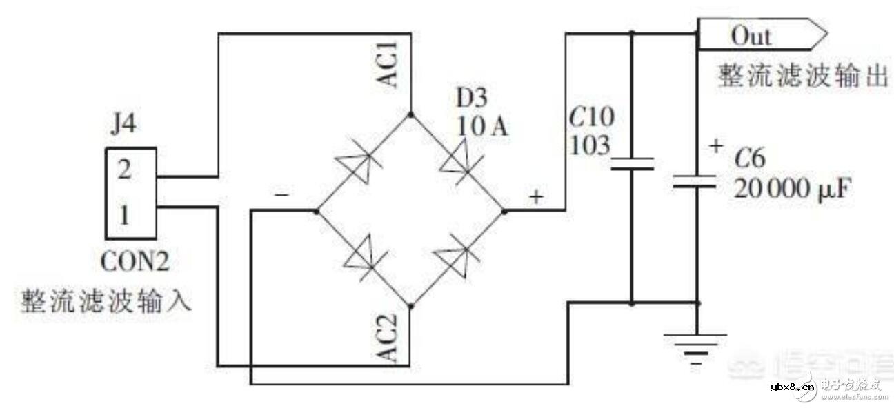
电容的作用就多了,有滤波,旁路,耦合,储能等。我们在电路板上经常见到并使用的就是滤波功能了,只要是电源电路都会用到电容滤波。不管什么作用,都是利用了电容隔直通交,通高阻低的特性。下图是一个用电容滤波的电源电路。

电感在电路中使用的不如电阻和电容多,主要作用有滤波,振荡,延迟,陷波等,不管是什么作用,都是利用了电感通直隔交,通低阻高的特性,和电容相反。下图是一个电感电容组成的LC滤波电路。

为什么需要MOSFET栅极电阻?MOSFET栅极电阻...
时间:2026-03-05
NTC/PTC/CTR热敏电阻是什么?热敏电阻的使用...
时间:2026-03-05
解析单电阻采样的原理以及注意点
时间:2026-03-05
共源极放大器的设计方法
时间:2026-03-05
关于STM32WL LSE 添加反馈电阻后无法起振的...
时间:2026-03-05
如何直观地判断两级放大器的零点位置呢?
时间:2026-03-05
时序分析基本概念介绍<wire load model&...
时间:2026-03-05
电子元器件解析—电阻
时间:2026-03-05
3PEAK高压零漂放大器契合精密应用
时间:2026-03-05
助力绿色5G数字式电流和功率监测芯片-TPA62...
时间:2026-03-05
电阻的标称阻值和允许偏差
时间:2026-03-05
零欧电阻的功能
时间:2026-03-05
PPTC热敏电阻在电池中的应用
时间:2026-03-05
水泥电阻规格及型号
时间:2026-03-05
气敏电阻的型号命名方法是怎样的
时间:2026-03-05
国巨片式电阻缺货涨价之应对方案 你要知道电...
时间:2026-03-05
RI-80F型高压高阻玻璃釉膜电阻分压器
时间:2026-03-05
电阻器的分类
时间:2026-03-05
电阻的额定功率
时间:2026-03-05
电阻的高频特性
时间:2026-03-05