当前位置:首页 > 电子元件 > 正文

光敏电阻主要应用在什么场合

来源:网络  发布者:电工基础  发布时间:2026-03-05 07:50
  光敏电阻主要应用在什么场合   光敏电阻器是光电传感元件之一,它是利用半导体的光电导效应制成的一种元件。阻值随入射光的强弱而改变,一般说来,入射光增强,电导率增大,电阻值减小。通常,光敏电阻体都

  光敏电阻主要应用在什么场合

  光敏电阻器是光电传感元件之一,它是利用半导体的光电导效应制成的一种元件。阻值随入射光的强弱而改变,一般说来,入射光增强,电导率增大,电阻值减小。通常,光敏电阻体都做成薄膜结构,以便吸收更多的光能,光敏电阻器的光敏层所用的材料可采用多晶材料或单晶材料,而单晶材料又可制成本征型和掺杂型。

  可见光光敏电阻器被广泛地应用于自动控制和测a中。如肮标灯、铁路信号灯、路灯和其它照明系统的自动点灭,这主要是用于开关线路中,要求光敏电阻的阻值随光照的变化越大越好,即电阻变化倍数要高,时间常数要小。还用作光电计数器,机械上的“位置检测器”和自动保护装置,水龙头的自动给水和人离开后自动停水装置,光电电位器,照像机的自动曝光装置等。

  红外技术应用领域非常广泛。现已成为世界各国军事上非常重视的一门技术。因为红外技术可在夜间工作,并能透过烟雾发现目标,所以受到很大重视,广泛应用于夜战、侦察伪装、导弹制导等。如目前作为侦察用的红外前视装置能从约1500米以上的高空发现地面上的人员、车辆、丛林中的炊火和其它伪装的目标,这种装責大多是采用列阵元件。带有红外摄影的侦察卫星,从空间进行侦祭,即使在所监视的地区拍照时,没人又没有车辆,但人或车辆在几小时前产生的热辐射能在胶片上留下痕迹,从而知道曾有人或车辆经过这里。这种高效率。的红外摄影机能测定坦克和军用汽车的位置,可从230公里高空识别

  可见光所不能发现的目标。红外雷达和红外线通讯也得到很广泛的应用。

  红外技术在工业方面可用于电气设备热接头检测,棉涤纶热定型控温,炉窑测温,红外烘烤,火车热轴的探测等等。还可用于红外气体分析,这是利用各种气体在不同红外波段的特征吸收进行组分的测定,它与一般化学分析方法相比,具有灵敏、精确、快速及能连续测量而进行自动控制的优点,广泛应用于冶金、化工、化肥、环境保护等方面。

  因为温度影响着作物和土壤的物理、化学和生理过程,影响着作物的生长周期和作物产量,所以在农业方面主要通过作物本身的热红外辐射和作物对红外辐射吸收或反射能力,利用红外技术测量作物叶子温度,以观察作物长势,探测病虫害,精确掌握干旱情况,预报冰冻寒潮来临的时间等。还可进行土壤调杏。

  在林业方面可用红外技术绘制森林分布图,测定林木质量、火源、病虫害等。如将林火红外探测仪放在森林区的制高点,便可监视周围林区,代替入工瞭望,并能发现人工瞭望不能发现的林火。

  红外技术在环境保护方面主要用于探测和监视水及空气的污染。

  在医学上根据病体皮肤表面所发出的红外辐射,经红外探测器和适当的显示系统构成一幅病体红外辐射分布愔况的图像,以反应病体表面皮肤温度变化情况,当与正常生理状态下人体的辐射图像比较时,就可获得关于病理状态的信息。由此可诊断病情,如早期癌症,关节炎,动脉病症等等。

  另外,测量有关海洋、河流、湖泊的表面温度,在无水地区勘察水源,勘察地热等方面,也有热红外探测器的应用。

  光敏电阻应用电路

  1、光敏电阻调光电路

  图2.6.7是一种典型的光控调光电路,其工作原理是:当周围光线变弱时引起光敏电阻RG的阻值增加,使加在电容C上的分压上升,进而使可控硅的导通角增大,达到增大照明灯两端电压的目的。反之,若周围的光线变亮,则RG的阻值下降,导致可控硅的导通角变小,照明灯两端电压也同时下降,使灯光变暗,从而实现对灯光照度的控制。

光敏电阻主要应用在什么场合

  图2.6.7 光控调光电路

  注意:上述电路中整流桥给出的是必须是直流脉动电压,不能将其用电容滤波变成平滑直流电压,否则电路将无法正常工作。原因在于直流脉动电压既能给可控硅提供过零关断的基本条件,又可使电容C的充电在每个半周从零开始,准确完成对可控硅的同步移相触发。

  2、光敏电阻式光控开关

  以光敏电阻为核心元件的带继电器控制输出的光控开关电路有许多形式,如自锁亮激发、暗激发及精密亮激发、暗激发等等,下面给出几种典型电路。

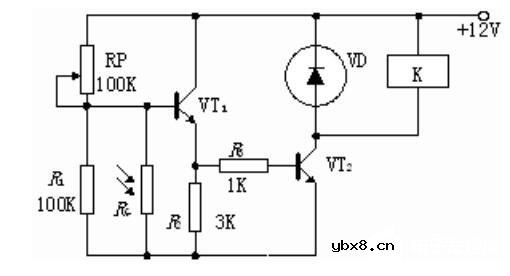
  图2.6.8是一种简单的暗激发继电器开关电路。其工作原理是:当照度下降到设置值时由于光敏电阻阻值上升激发VT1导通,VT2的激励电流使继电器工作,常开触点闭合,常闭触点断开,实现对外电路的控制。

光敏电阻主要应用在什么场合

  图2.6.8 简单的暗激发光控开关

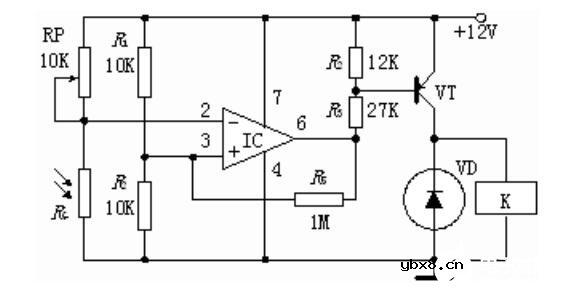
  图2.6.9是一种精密的暗激发时滞继电器开关电路。其工作原理是:当照度下降到设置值时由于光敏电阻阻值上升使运放IC的反相端电位升高,其输出激发VT导通,VT的激励电流使继电器工作,常开触点闭合,常闭触点断开,实现对外电路的控制。

光敏电阻主要应用在什么场合

  图2.6.9 精密的暗激发光控开关