当前位置:首页 > 电子元件 > 正文

电液控制常用电路

来源:网络  发布者:电工基础  发布时间:2026-03-12 09:04

脉宽调制(PWM)一般用于控制电液比例阀。该技术目前应用广泛:它可以将大功率传递到负载(例如比例阀线圈),但同时又能获得较小的功率损耗,此外还能产生较好的颤振效果(使阀芯处于低幅高频抖动状态),当PWM频率设置合适时,可以减少静摩擦引起的滞环。

PWM原理如下图所示:可以通过调整电压的占空比来控制负载。使电压脉冲从零到全电源电压进行调整,并改变其导通时间与关断时间之间的关系。通过将电压转换速率设置得很高(PWM频率很高),使得接收端只能响应平均电压值,从而实现其控制功能。

电液控制常用电路

图1

负载以平稳,渐进的方式进行控制,而不是方波指令下的bang-bang响应。由于负载仅对波形的平均值作出响应,因此控制很平稳。

可以根据设计要求来调整开关速率,以获得满意的颤振信号。通过控制导通时间与关断时间的比率(占空比),可以改变流经负载的平均电流。此处讨论的工况,负载是比例电磁铁或直流电压表。在此工况下,这些负载会对PWM信号的平均值作出响应。但是,如果负载是比PWM信号反应快得多的示波器,则示波器将显示实际的PWM波形,波形类似于上图中的方波曲线。

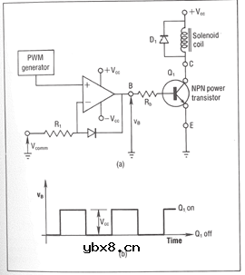
功率输出级

要了解完整的PWM电路,首先要分析其功率输出级,一般是由分离式的NPN功率晶体管Q1组成,如下图所示(更大功率可以采用MOS管)。电磁铁线圈一端连接在晶体管的集电极,另一端连接在直流电源+ Vcc端。同时,基极接收PWM方波电压Vb,如示波器捕捉的波形图(b)所示。 PWM电压通常从零摆动到最大电源电压+ Vcc。假设基级输入电阻R和晶体管Q1的放大增益B一定(一般约为200倍),则当基级输入电压为电源+Vcc时,Q1输出将饱和。

电液控制常用电路

图2 PWM功率输出级电路(a)驱动比例电磁铁线圈。

输出波形(b)连接至功率输出晶体管Q1的基级。如果Re和Q1增益一定,当基极电压Ve从+Vcc变为零时Q1输出从饱和变为截止。

也就是说,当Q1的基级达到+ Vcc时将完全导通。当然,当基极电压信号Vcc降至零时,就没有基极电流,此时Q1完全关断,因此Q1仅仅工作在完全导通(饱和)和完全截止两种状态之间。Q1的功能类似于电子控制开关。因此,可以用下图中的通断开关来等效晶体管。Q1与图中的基极电压波形Vb同步切换,作为PWM信号源。

这种情况下,如果Vb长时间保持高电平,而在短时间内为零(类似于高占空比),则线圈接受的电流就比较大。相反,如果Vb长时间保持零而短时间保持高电平,则对线圈而言,接受的电流值就比较小,线圈是对Vb的平均值作出反应。现在,我们先来分析Q1在PWM开关模式下工作时所消耗的功率。考虑图下图所示的电路,其中的集电极-发射极电流标记为Ice,并且用符号ve来测量集电极-地之间的电压。对于功率晶体管电路,一般情况下集电极饱和电阻R cs的值<1 欧姆,。电流Ice和电压Vc决定了Q1消耗的功率。

WQ1 = ve * Ice (1)

电液控制常用电路

电液控制常用电路

图3 通断开关Q1,可以代替晶体管 图4 该电路用于分析PWM模式功耗

在任何时刻,等式(1)的电压和电流乘积描述了瞬时功率。通过合理假设,至少在定性的基础上,可以构建出图4电路中预期的电流和电压波形。考虑到Q1作为通断开关工作,并且与PWM基本电压保持同步。因此,当开关断开时,没有电流。在没有电流的情况下,根据基尔霍夫定律,电源电压Vo整个都消耗在Q1上,因此,当晶体管电压为高时,晶体管电流为零。

另一方面,当Q1闭合并导通时。晶体管的净电阻R很小。电阻很小,会有电流,但电压v也很小。简而言之,当集电极电压为高时,电流为低,反之亦然。这可以用图5的波形来表示。因此,电流和电压的乘积始终很低,Q1消耗的功率Wo最小。使用通常的经验值,传递到负载(电磁铁)的功率与晶体管消耗的功率之比约为10:1。在30瓦线圈中,输出晶体管的功耗约为3瓦。这一点很重要,可以降低对电源的需求,晶体管和散热器的尺寸可以减小。甚至可以不用散热器。所有这些都可以降低产品成本,而不会影响质量或性能。

电液控制常用电路

图5

功率输出PWM晶体管的电压电流和功率波形。当电流高时,电压低,反之亦然。结果是Q消耗的功率低于平均集电极电流乘以平均集电极电压所得到的值。

图5的波形和上述结论必须在通用,直观的分析范围内才能得出。在这种方法中,将测量平均集电极电压和平均集电极电流,然后将两者相乘来计算功率(瓦特)。这种方法是不正确的,将导致对输出晶体管Q消耗功率的错误评估。为了理解为什么是这样,请想象一下,我们具有图5的波形值。假设电压V为12伏,最大集电极电流I为2安培。从技术上讲,面积为平均波形的积分,如果观察电流和电压波形,会发现它们看起来好像调制约为50%。

因此,电压的平均值约为6伏(最大值的一半),电流约为1安培。电压和电流的乘积为6瓦特,是先前估计的3瓦特的两倍。哪个是对的?之前的估计值为3瓦。3瓦正确的原因是,在幅值随时间变化的电路中使用平均电流和平均电压计算功率是错误的。应该用瞬时伏安乘积的平均值。也就是说,用瞬时的电压和安培值相乘,然后取平均值。如果将各个波形平均后再相乘,则结果不正确。这个非常容易理解,考虑家用的交流电源。显然,平均电流和平均电压始终为零,但是家用电器消耗的功率显然不为零。当用正弦电压乘以正弦电流时,乘积的平均值并不为零。这才是真正的功率。图5的电压和电流波形表明伏安乘积为零,但事实并非如此。总会消耗一些功率。

电液控制常用电路

图6

在通用PWM调制器中,(a)的接通和断开时间随指令电压的变化而变化,如波形(b)所示。从图中可以看出,PWM发生器具有两个模块:一个三角波振荡器和一个脉冲宽度调制器。

最新文章
集成电路的分类集成电路的分类

时间:2026-03-12

集成电路型号命名方法集成电路型号命名方法

时间:2026-03-12

集成电路引脚的识别集成电路引脚的识别

时间:2026-03-12

集成电路引脚的判别方法集成电路引脚的判别方法

时间:2026-03-12

集成电路的检测及故障查寻集成电路的检测及故障查寻

时间:2026-03-12

拆除集成电路的方法拆除集成电路的方法

时间:2026-03-12

三端集成稳压器的电路结构及主要特性参数三端集成稳压器的电路结构及主要特性参数

时间:2026-03-12

三端固定正稳压器三端固定正稳压器

时间:2026-03-12

使用三端集成稳压器时应注意的事项使用三端集成稳压器时应注意的事项

时间:2026-03-12

稳压器应用参考电路稳压器应用参考电路

时间:2026-03-12