电阻是电子产品中使用最多的电子元器件之一。如果在生产或是维修时,有一个电阻,它的标记已经看不清楚了,那么要怎么样才能快速的测出它的阻值呢?今天我们介绍下最简单快速的方法,怎么用万用表测电阻?只要使用万用表接触电阻的二端,就能快速的测试出它的阻值了,那具体的方法是怎么样的?万用表测电阻原理又是怎么样呢?

1、我们所使用的万用表,不管是在测电压还是电流,电阻,都是公用的一个表头。在需要测量电阻时,我们首先要调到欧姆档。一般有:×1,×10,×100,×1000几个挡位。

2、测量之前若是表的指针或是(数字万用表二表臂短路时读数不为零),就会使读数有零误差。如果我们在测试前发现,没有归零,我们必须先把它调到零位,方法如下:
1)万用万用万用万用电表有两只表笔,一只红表笔,一只黑表笔,红表笔插入标有“+”号的插孔中,黑表笔插入标有“-”号的插孔中。调整机械零位时,首先让两表笔断开,若表针不停在表盘左端的零位置,则应用螺丝刀旋动表盘下面的定位螺丝O,通过表内螺旋弹簧把指针调到机械零位。

2)把两只表笔接触,即短路,相当两只表笔之间的电阻为零,此时表针应停在表盘右端“0Ω”阻值处,这时电流最大。但是由于电池已经使用使用使用使用过,使得表笔短路时,指针一般不在电阻值的零位处,这时可旋动调零旋钮Q,使指针指在零欧姆处。
3、选择倍率
利用万万万万用用用用电表测电阻表测电阻表测电阻表测电阻,为了便于准确地读数,要尽可能使表针指在表盘中间部位,所以需要恰当地选择倍率挡。例如,在测R1=50Ω的电阻时,应选“×1”挡,使表针在表盘中部附近偏转。如果选用“×10”挡,则表盘读数扩大10倍,这将使表针偏到表盘靠右的部位,读数就难以准确。一般情况下,可以这样选择合适的倍率,将待测电阻尼RX值的数量级除以10,所得的商就是应选的倍率。例如测RX=510kΩ的电阻,RX的数量级是100k,(RX=5.1×100k),所以宜选“×10k”的倍率。如果万用万用万用万用电表无×10k倍率挡,则可选最接近的挡。
如果事先不知道电阻的阻值,可以试探着选择倍率挡,什么时候使表针能指在表盘的中部附近,此时的倍率挡就是比较合适的。
现在数字万用表根本不再需要选择倍率,在它的面板上就只有一个欧姆档位,所以我们在测试的时候就只要调到欧姆档位就可以了。它就直接显示出电阻的阻值。

在电压不变的情况下,如果回路电阻增加一倍,则电流减少为一半。根据这个原理,可以用万用表的表头来测量电阻值。其测量原理如图1所示。把欧姆档的+、-表笔短接,此时流过表头的电流最大,调节限流电阻RD使表指针指到满刻度,断开两表笔短接,接上被测电阻则电流下降,其指示值即为被测电阻的阻值, 但欧姆刻度是不等分的倒刻度。当被测电阻等于欧姆表的R×1档的综合内阻时,指针指在表盘的中心位置。所以该中心阻值叫做欧姆表的表盘中心刻度阻值。故电阻测量时各档的中心阻值,等于表盘中心刻度阻值乘该档的倍率。

图1 电阻测量电路
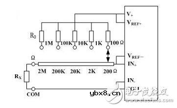
数字万用表最早是采取恒流法,再配合运算放大器来实现Ω/ V转换。而现在大多采用比例法来测量电阻,这样可降低基准电压的要求。其工作原理如图2所示。图中被测电阻

图2 数字万用表的电阻测量电路
RX与基准电阻R0串联后接在V+与COM之间。V+与VREF+,VREF-与IN+,与IN-与COM两两相通。利用A/D转换器的基准电压源V+,向RX和 R0提供测试电流I。R0上的压降VR0兼作基准电压,RX上的压降VRX作为输入电压VIN,有关系式:

当RX=R0时显示值为1000,RX=2R0时显示满量程。利用选择开关改变基准电阻R0的数值,就构成了多量程的电阻测量电路。
现在,数字式测量仪表已成为主流,有取代模拟式仪表的趋势。与模拟式仪表相比,数字式仪表灵敏度高,准确度高,显示清晰,过载能力强,便于携带,使用更简单。下面以VC9802型数字万用表为例,简单介绍其使用方法和注意事项。


(1)使用方法
a、使用前,应认真阅读有关的使用说明书,熟悉电源开关、量程开关、插孔、特殊插口的作用。
b、将电源开关置于ON位置。
c、交直流电压的测量:根据需要将量程开关拨至DCV(直流)或ACV(交流)的合适量程,红表笔插入V/Ω 孔,黑表笔插入COM孔,并将表笔与被测线路并联,
读数即显示。
d、交直流电流的测量:将量程开关拨至DCA(直流)或ACA(交流)的合适量程,红表笔插入mA孔(<200mA时)或10A孔(>200mA时),黑表笔插入COM孔,并将万用表串联在被测电路中即可。测量直流量时,数字万用表能自动显示极性。
e、电阻的测量:将量程开关拨至Ω 的合适量程,红表笔插入V/Ω 孔,黑表笔插入COM孔。如果被测电阻值超出所选择量程的最大值,万用表将显示.1.这时应选择更高的量程。测量电阻时,红表笔为正极,黑表笔为负极,这与指针式万用表正好相反。因此,测量晶体管、电解电容器等有极性的元器件时,必须注意表笔的极性。
(2)。使用注意事项
a、如果无法预先估计被测电压或电流的大小,则应先拨至最高量程挡测量一次,再视情况逐渐把量程减小到合适位置。测量完毕,应将量程开关拨到最高电压挡,并关闭电源。
b、满量程时,仪表仅在最高位显示数字.1.,其它位均消失,这时应选择更高的量程。
c、测量电压时,应将数字万用表与被测电路并联。测电流时应与被测电路串联,测直流量时不必考虑正、负极性。
d、当误用交流电压挡去测量直流电压,或者误用直流电压挡去测量交流电压时,显示屏将显示.000.,或低位上的数字出现跳动。
e、禁止在测量高电压(220V以上)或大电流(0.5A以上)时换量程,以防止产生电弧,烧毁开关触点。
f、当显示。 。、.BATT.或.LOWBAT. 时,表示电池电压低于工作电压。
ArcGIS 10.2对地形图进行无缝拼接
时间:2026-03-05
零知识证明的性质原理及应用实例介绍
时间:2026-03-05
区块链应用开发框架Forge介绍
时间:2026-03-05
OVM是如何启用状态通道的
时间:2026-03-05
为什么我们在波卡生态中需要Plasma
时间:2026-03-05
ArcGIS用途_使用ArcGIS能做些什么
时间:2026-03-05
基于加密货币质押模式DAI货币的创造过程介绍
时间:2026-03-05
如何使用C++进行Ontology Wasm合约开发
时间:2026-03-05
ArcGIS Desktop 10.2完全安装教程
时间:2026-03-05
ArcGIS Runtime和ArcGIS Engine、ArcGIS Se...
时间:2026-03-05
电阻的标称阻值和允许偏差
时间:2026-03-05
零欧电阻的功能
时间:2026-03-05
PPTC热敏电阻在电池中的应用
时间:2026-03-05
水泥电阻规格及型号
时间:2026-03-05
气敏电阻的型号命名方法是怎样的
时间:2026-03-05
国巨片式电阻缺货涨价之应对方案 你要知道电...
时间:2026-03-05
RI-80F型高压高阻玻璃釉膜电阻分压器
时间:2026-03-05
电阻器的分类
时间:2026-03-05
电阻的额定功率
时间:2026-03-05
电阻的高频特性
时间:2026-03-05