卫星通信系统中上变频器测试方法探讨
卫星地球站上变频器是将中频信号变频到所需的高频信号的设备。高频信号再通过高功放发送到卫星,可以有效降低空间损耗。
本文简单介绍卫星通信地面站的构成及上变频器的工作原理,详细说明了变频器的测试方法及常见故障及处理方法,供大家参考讨论。
一、卫星通信地面站的构成
卫星通信是以卫星为中继站,在两个或两个以上地球站间进行的无线通信。其简单传输过程为:由地面传来的电话、数据、电视、广播等信号,首先在地面站以适当的方式进行调制、变频、放大,再通过天线发向卫星,卫星接收到地球站发来的信号后,经变频、放大后再发回地面,由另一地球站用天线接收下来,再经放大、变频以及适当的解调还原成原信号,供用户使用。地球站是组成卫星通信系统的重要部分,其基本系统组成如图一所示:

图一 基本地球站系统
在卫星通信系统中,在空间传输的是电磁波,由于电离层的反射和吸收,用于宇宙通信的电波频率必须大于100MHz,同时对于高于10GHz频率的电波,由于云层、降雨以及大气层的吸收,也会受到较大程度的衰减,另外宇宙空间的噪声,特别是银河系产生的噪声在1GHz比较大,因此适用于宇宙通信的频段为1GHz-10GHz,这一频段一般称为无线电窗口。根据无线电规则分配的频率,目前大多数卫星固定业务使用6/4GHz频段(C频段)。同时,因采用了相应的降雨补偿措施,14/12GHz频段(Ku频段)也开始使用,这个频率在地球站被称为射频。而从地面终端用户来的信号是数字基带信号,这种信号无法直接在空间进行传输,如果在射频上直接对信号进行调制、解调,利用目前的工艺和技术很难做到,采取的办法是先在一个合适的中间频率(中频:70MHz±18MHz或140MHz±36MHz)上进行调制、解调,然后再进行频谱搬移。上、下变频器就是用来在射频和中频间进行频谱搬移的。另外,利用上、下变频器进行频谱搬移,容易将已调信号放在所分配的射频频率上,从而使得调制器、解调器规格统一。下面以C波段的上变频器为例,介绍变频器的工作原理及测试方法。
二、变频器的工作原理
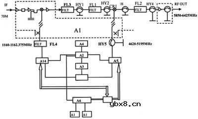
上变频器的主要作用是将70MHz(或140MHz)中心频率的36MHz(或72MHz)频带内的中频信号,采用二次变频技术,经过一次变频后,成为1150±40MHz的高中频信号,经过第二次变频后,成为5.850-6.425GHz的C波段载波信号后,输出至高功放。变频器二次变频技术的采用,有效抑止了镜像干扰,电路方框图(如图二所示)。

图二
70MHz中频信号输入后,在A1的AMP1(单片集成放大电路)放大后送至群时延均衡单元电路,对高中频混频器FLI产生的群时延失真进行预校正,其插入损耗为12-14db。预校正后的70MHz(或140MHz)中可以频信号送入AMP2(单片集成放大电路)放大,送入高中频混频器,输入的70MHz(或140MHz)中频信号和1160-1162.375MHz第一本振在混频器混频,产生需要的1230-1232.375MHz高中频信号及其它无用的频率分量。然后送至AMP3(增益可调的晶体管放大电路),增益动态调整范围±10db,对高中频信号放大了约10-12db,而对其它无用分量没有放大作用,至此,完成了第一次向上变频,得到了含有高中频分量的混合信号,进入FL3诺斯式滤波器,初步滤出了高中频信号,再进入L波段的“HY1/FL1/HY2”链路,高中频滤波器FL1的中心频率1230MHz带宽50MHz,是一个多级窄带滤波器(相对带宽不到5%),如此窄的频带,使得高中频信号经过以后产生6-8ns的抛物线型群时延失真,但该失真经前面的群时延均衡电路的预校正,已经降低至±0.1ns,高中频滤波器FL1滤掉带外频率分量,并将链路中存在的高中频本振信号泄漏抑制60db。高中频信号在射频混频器与4620-5195MHz的射频本振混频,产生了所需的5850-6425MHz射频载波频率和其它无用的频率分量。混频输出信号进入“HY3/FL2/HY4”链路,FL2是C波段带状线式微带宽滤波器,工作频率为5850-6425MHz,滤掉带外的频率分量,并将C波段链路中存在的射频本振泄漏抑制60 db,至此完成了第二次向上变频。通过HY4输出-5dbm的已调射频信号。为配合高功放的输入电平,则调整上变频器的增益,使其输出电平为合适值即可。
三、上变频器的测试
(一)增益测试:增益=输出电平-输入电平+输出测试线衰减
根据说明书的指标,按如下方法测试
测试步骤:

图三
1、按上图三连接设备和仪表;
2、将被测U/C的衰减置为最小;
3、扫频仪置CW方式,F为U/C的工作频率,调整扫频仪的输出和衰减器,使U/C的输入电平为典型输入(此值不同厂家的设备会有所不同,说明书中一般会给出说明);
4、用频谱仪读取U/C的输出电平P1,则G=P1-输入电平≥标称值;
5、分别将U/C的衰减置为最小值、中间值、最大值,读取其输出电平,看增益是否是线形。
(二)频响测试
当上变频器工作于多载波状态时,它的频率响应特性将直接影响到变频器的输出频谱,因此该指标非常重要。对不同厂家的设备来说,该指标基本相同(±0.20dB/±18MHz±0.25dB/±36MHz)。
测试步骤:
1、按图三连接设备和仪表;
2、将被测U/C的衰减置为最小值;
3、扫频仪置CW方式,F为U/C的工作频率,调整扫频仪的输出电平和衰减器,使U/C的输入电平为典型输入;
4、扫频仪置扫描方式,span置50MHz或75MHz,频谱仪的中心频率置U/C的工作频率,span置36MHz或72MHz,RBW、VBW置自动,LOG置1dB/格;
5、从频谱仪上读取U/C的输出频谱的峰-峰值,并送绘图仪绘出。
如果测得的峰-峰值不符合指标要求,在数字变频器中有一项增益斜率调整的菜单,进入该菜单,边调整增益斜率的值,边从频谱仪上观察输出频谱,直至频率响应特性符合指标。如经过调整,该特性仍较差,则需返厂维修或做好标记,只能用于单载波工作。
(三)杂散测试
杂散:有用频带以外的无用信号,主要是PA、VCO、各种放大器、Buffer等器件,由于电压不稳、噪声引入、自混频等等原因产生。一般情况下产生的杂散频谱范围宽,但是功率相对于有用信号低很多。当设备中的元器件故障或老化时,产生的杂散分量会较大,此时会对相邻载波造成干扰,所以必须加以控制。杂散分为带内杂散和带外杂散,我们一般只考虑变频器工作带宽内的杂散。
指标:与信号无关的杂散≤-70dBm
与信号相关的杂散≤-60dBc
测试步骤:
1、按图三连接设备和仪表;
2、将被测U/C的衰减置为最小值;
3、扫频仪置CW方式,F为U/C的工作频率,调整扫频仪的输出和衰减器,使U/C的输入电平为典型输入;
4、频谱仪的中心频率置U/C的工作频率,span置40MHz或72MHz,RBW置为10KHz、VBW置为3KHz;
5、扫频仪置RFON,从频谱仪上读取CW与噪声电平最高点的差值,即为与信号相关的杂散,又叫有载杂散;
6、扫频仪置RFOFF,从频谱仪上读取噪声最高点的电平值,即为与信号无关的杂散,又叫无载杂散。
(四)相噪测试
相位噪声一般是指在系统内各种噪声作用下引起的输出信号相位的随机起伏。通常相位噪声又分为频率短期稳定度和频率长期稳定度。所谓频率短期稳定度,是指由随机噪声引起的相位起伏或频率起伏。至于因为温度、老化等引起的频率慢漂移,则称之为频率长期稳定度。相位噪声分为三种类型:带内噪声、带外噪声和相位抖动。所谓带内噪声是指其功率谱正好落在有用信号频带内的相位噪声;带外噪声是指其功率谱落在有用信号频带外的相位噪声;相位抖动是指其功率谱落在小于有用信号最低频率处的相位噪声。相位噪声是设备的一项重要技术指标,在购买和使用设备时必须加以考虑。但不同厂家的设备,指标相差较大,测试人员可从说明书中查取。测试方法如下:
1、按图三连接设备和仪表;
2、将被测U/C的衰减置为最小值;
3、扫频仪置CW方式,F为U/C的工作频率,调整扫频仪的输出和衰减器,使U/C的输入电平为典型输入;
4、频谱仪的中心频率置U/C的工作频率,span、RBW、VBW(按下表设置):

则相位噪声的值为△MARK的电平值+10lgRBW(dBc/Hz)。
(五)互调失真测试
从广义上讲,当两个以上频率不同且幅度相同的合成正弦信号通过传输系统和设备,进入到有源器件的伏安特性的非线性区域时,输出端不仅包含着这些信号基波、各次谐波,还有一些非谐波分量。这些非谐波分量称之互调IM(InterModulation)分量。互调分量的出现使输入的复合波形发生变化,更为严重地是对传输信号产生干扰,称之互调失真。其失真程度用三阶互调IM3表示。同时相邻频道也受其害,称之带外干扰。由于上变频器经常工作于多载波状态,此项指标直接影响设备的性能,因此极为重要。
指标:对于两个相等的载波,在其输入功率等于典型输入时,其三阶互调分量不大于说明书给出的某个值。
测试步骤:
图四 U/C互调失真测试框图
1、按图四所示连接仪表和设备。用合路器将两个幅度相等,频率相差5MHz的射频单频信号混合在一起送入U/C,然后在U/C的输出口用频谱仪测量。将频谱仪的中心频率置为F1+2.5MHz,Span设为50MHz,RBW、VBW为自动,从频谱仪上观察基波及三阶互调分量;
2、光标放在F1或F2中较低的载波上,并将光标放在较高的三次互调分量上,记录三次互调产物相对基波的相对电平;
3、将频谱仪上显示的结果输出到绘图仪上。
此外,变频器还有频率测试,频率的指标包括:频率范围、频率步进、频率稳定度。频率范围表征变频器的变频工作范围;频率步进表征RF频率合成器的频率步长;频率稳定度表征5MHz参考源的频率稳定度。
频率稳定度=频率偏差(△f)/频率(f),单位为ppm1ppm=1×1O-6
由于在实际测试中,频谱仪的读数本身就存在微小偏差,频率测试时很难区分出频率漂移是变频器产生的还是频谱仪产生的,所以变频器的频率指标一般通过设备的实际工作情况确定,不做专项测试。
以上详细介绍了上变频器五项主要技术指标的测试方法,下变频器的测试方法相同,只是注意输入信号即可。
(六)变频器的常见故障及处理方法
在实际工作中,当变频器出现故障时,首先倒换置备份,保证通信畅通。然后仔细阅读设备维护手册,避免盲目处理,增加故障。
变频器的故障通常表现如下:
1、输出频率漂移。
2、1GHz中频本振失锁、杂散输出电平增大、相位噪声恶化。
3、5GHz频率合成器失锁、杂散输出电平增大、相位噪声恶化。
4、变频器增益降低、输出电平降低、三阶交调非线性失真增大。
5、变频器幅频响应性能恶化。
6、变频器群时延性能恶化。
前三类故障是变频器的频率源部件、电源部件、监控单元故障,后三类故障是变频器的放大器、滤波器、混频器、电源部件故障。监控单元、滤波器、混频器等部件的故障率较低。总体故障检查步骤如下:
1、打开机盖,检查高频电缆头、引线插头连接性能,使之连接良好。
2、在前面板相关位置,用万用表检查直流电压、用示波器检查直流电源的纹波电压。直流电压偏离额定值10%、纹波电压大于50mV,电源部件存在故障,必须维修或更换。
3、在前面板检查1GHz中频本振源失锁告警指示、5GHz频率合成器失锁告警指示,频率源失锁,必须维修或更换。
4、在后面板相关位置,用频率计或频谱仪检查5MHz参考源输出频率。如频率漂移应及时校准。
5、在后面板相关位置,用频率计或频谱仪检查1GHz中频本振源。若中频本振源杂散输出电平增大、相位噪声恶化,1GHz中频本振源部件存在故障,必须维修或更换。
6、在前面板相关位置,用频率计或频谱仪检查5GHz频率合成器。若本振源杂散输出电平增大、相位噪声恶化,5GHz频率合成器部件存在故障,必须维修或更换。
7、检查变频器的增益、输出电平、三阶交调、幅频响应等性能。若性能恶化,70MHz中频单元、1GHz中频单元、射频单元存在故障,必须检查、判明故障单元,然后维修或更换。
☆经检查,确定是5MHz参考源发生故障时,按如下步骤处理:
1、检查5MHz参考源的供电,发现电源的直流电压、纹波电压偏离额定值时:检修电源部件。
2、设备上电预热30分钟,在后面板的5MHz参考源输出端,用频率计或频谱仪检查5MHz参考源输出频率。如频率漂移按设备维护手册提示调整5MHz参考源,纠正偏差。
3、测试显示5MHz参考源无信号输出,或者参考频率偏差纠正后仍不符合技术指标:5MHz参考源送维护部门维修。
☆当检查确定是1GHz中频本振源故障时,处理步骤如下:
1、检查1GHz中频本振的供电以及5MHz参考源,发现电源、5MHz参考源故障,检修相关部件。检查1GHz中频本振源的高频电缆头、引线插头连接性能,使之连接良好。
2、设备上电预热30分钟,在后面板的1GHz中频本振源输出端,用频谱仪检查1GHz中频本振源。1GHz中频本振源是腔体振荡锁相源。中频本振锁相源失锁时,按设备维护手册提示,调节腔体频率调谐杆,使中频本振锁相源锁定,锁相电压达到额定值。
3、测试显示1GHz中频本振源无信号输出、环路不能锁定、杂散输出电平增大、相位噪声恶化,1GHz中频本振源部件存在故障,送维护部门维修。
☆如检查确定是5GHz频率合成器故障时,处理步骤如下:
1、检查5GHz频率合成器的供电以及5MHz参考源,发现电源、5MHz参考源故障,检修相关部件。
2、检查5GHz频率合成器的高频电缆头、引线插头连接性能,使之连接良好。
3、设备上电预热30分钟,在后面板的5GHz频率合成器的输出端,用频谱仪检查5GHz频率合成器。
4、测试显示5GHz频率合成器无信号输出、环路不能锁定、杂散输出电平增大、相位噪声恶化,5GHz频率合成器部件存在故障,送维护部门维修。
☆70MHz中频单元包括70MHz的可变增益放大器、70MHz幅度均衡器、70MHz时延均衡器等。70MHz中频单元的故障通常是放大模块的故障。处理步骤如下:
1、设备上电预热30分钟,按图三连接设备、仪表。
2、打开设备机盖,70MHz中频单元的机盖,用频谱仪的探头检查各级放大器的增益变化,判明故障放大模块,更换故障模块。
3、70MHz幅度均衡器、70MHz时延均衡器故障率较低。不随意调节均衡器的元件,如果故障,则送维护部门维修。
☆1GHz中频单元包括中频混频器、1GHz放大器、1GHz滤波器、1GHz隔离器等。1GHz中频单元的故障通常是放大模块的故障,处理步骤如下:
1、设备上电预热30分钟,按图三连接设备、仪表。
2、打开设备机盖,1GHz中频单元的机盖,用频谱仪的探头检查中频混频器、各级放大器的增益变化,判明故障模块,更换故障模块。
3、1GHz滤波器、1GHz隔离器的故障率较低。不随意调节滤波器的调谐旋纽,如果故障,则送维护部门维修。
☆射频单元包括射频混频器、射频放大器、射频滤波器、射频隔离器等。射频单元的故障通常是射频放大器失效。处理步骤如下:
1、设备上电预热30分钟,按图三连接设备、仪表。
2、打开设备机盖,用频谱仪的探头测试混频器、放大器、滤波器的输入电平和输出电平的变化,判明故障模块,更换故障模块。
3、射频滤波器、射频隔离器的故障率较低。不随意调节滤波器的调谐旋纽,如果故障,则送维护部门维修。
☆监控单元的功能是监测设备的运行状态、控制设备的工作频率、增益。发现监控单元故障,只能送维护部门维修。
☆当变频器前面板显示电源发生故障时,处理步骤如下:
1、检查电源引线插头连接性能,使之连接良好。
2、检查电源的各个负载部件,发现负载短路部件:检查相关部件。
3、检查保险丝,发现保险丝熔断:更换相同规格的保险丝。
4、电源上电,用万用表检查电源的输出直流电压、用示波器检查电源输出电压的纹波电压。直流电压偏离额定值10%、纹波电压大于50mV,电源部件存在故障,送维修部门维修或更换。
为了保障通信畅通,必须对设备做定期维护。变频器的日常维护工作如下所述:
1、定期检查风机,保持风道通风,不使风机积尘。风机损坏必须更换,避免设备过热。
2、5MHz频率源的准确度,决定发射、接收频率的准确度。频率的漂移将使接收端的载波恢复困难,影响通信质量,所以必须定期调整5MHz的参考频率。
3、本振源失锁,设备告警,会造成通信中断。必须按设备说明书的提示,定期检查锁相电压,使之保持额定值。
4、设备长期使用中,输出电平可能变化,应定期调整变频器增益以保证输出电平。
以上总结了变频器的测试和维护方法,供大家参考。
参考文献
1.《数字卫星通信》王秉钧田宝玉王少勇编著 中国铁道出版社
2.《卫星通信系统测试》殷琪编著人民邮电出版社
3.《卫星通信维护规程》
4.《现代电子设备的频率稳定度》郭衍莹编著宇航出版社,1989
5.《相位噪声》罗宾斯(Robins,W.P.)人民邮电出版社,1988
6.国际电联RECOMMENDATIONITU-RSM.329-8
7.GB13421-92无线电发射机杂散发射功率电平的限值和测量方法
什么是平行线程运行原理是怎样的
时间:2026-03-05
动态ip怎么设置无线路由器
时间:2026-03-05
TrustNote打造的DAG公有链正在让使用区块链...
时间:2026-03-05
串口通信调试软件的功能与使用方法
时间:2026-03-05
OPC技术的PC与西门子PLC的实时通讯技术
时间:2026-03-05
什么是通信电缆及用途_电缆接续和改接的区别
时间:2026-03-05
如何使用Travis CI对Github项目进行持续集成...
时间:2026-03-05
通信电缆的接续工艺和电缆接头封焊规范要求
时间:2026-03-05
通信电缆线规格型号一览表
时间:2026-03-05
电线电缆截流量的速算法
时间:2026-03-05
瞬间抑制二极管(TVS)/瞬间抑制二极管(TVS)是...
时间:2026-03-04
什么是霍尔传感器
时间:2026-03-05
半导体材料的主要种类有哪些?
时间:2026-03-04
高级封装,高级封装是什么意思
时间:2026-03-04
数字比较器,数字比较器是什么意思
时间:2026-03-04
常用整流二极管型号大全
时间:2026-03-04
S/HS固态继电器原理简介
时间:2026-03-04
稳压二极管的选用和代换
时间:2026-03-04
TVS器件的电特性有哪些
时间:2026-03-04
TVS二极管的分类/应用,TVS二极管的特点/选用...
时间:2026-03-04