在电子维修中经常需要测量电阻的阻值。一般广泛采用的都是用万用表来测量,但量出的结果有一定的误差。如果需要精确测量可以采用电桥测量。由于在维修中很少会用到电桥,再之万用表测量虽然精度不是很高但也够用了。
1、欧姆表的结构、原理
它的结构如图1,由三个部件组成:G是内阻为Rg、 满偏电流为Ig的电流计。R是可变电阻,也称调零电阻, 电池的电动势为E,内阻为r。
欧姆档测电阻的原理是根据闭合电路欧姆定律制成的。 当红、黑表笔接上待测电阻Rx时,由闭合电路欧姆定律可知:
I = E/(R+Rg+Rx+r)= E/(R内+RX)
由电流的表达式可知:通过电流计的电流虽然不与待测电阻成正比,但存在一一对应的关系,即测出相应的电流,就可算出相应的电阻,这就是欧姆表测电阻的基本原理。

2.使用注意事项:
(1) 欧姆表的指针偏转角度越大,待测电阻阻值越小,所以它的刻度与电流表、电压表刻度正好相反,即左大右小;电流表、电压表刻度是均匀的,而欧姆表的刻度是不均匀的,左密右稀,这是因为电流和电阻之间并不是正比也不是反比的关系。
(2)多用表上的红黑接线柱,表示+、-两极。黑表笔接电池的正极,红表笔接电池的负极,电流总是从红笔流入,黑笔流出。
(3)测量电阻时,每一次换档都应该进行调零
(4)测量时,应使指针尽可能在满刻度的中央附近。(一般在中值刻度的1/3区域)
(5)测量时,被测电阻应和电源、其它的元件断开。
(6)测量时,不能用双手同时接触表笔,因为人体是一个电阻,使用完毕,将选择开关拨离欧姆档,一般旋至交流电压的最高档或OFF档。
1.原理:根据部分电路欧姆定律。
2.控制电路的选择
控制电路有两种:
一种是限流电路(如图2);
另一种是分压电路。(如图3)


(1)限流电路是将电源和可变电阻串联,通过改变电阻的阻值,以达到改变电路的电流,但电流的改变是有一定范围的。其优点是节省能量;一般在两种控制电路都可以选择的时候,优先考虑限流电路。
(2)分压电路是将电源和可变电阻的总值串联起来,再从可变电阻的两个接线柱引出导线。如图3,其输出电压由ap之间的电阻决定,这样其输出电压的范围可以从零开始变化到接近于电源的电动势。在下列三种情况下,一定要使用分压电路:
① 要求测量数值从零开始变化或在坐标图中画出图线。
② 滑动变阻器的总值比待测电阻的阻值小得多。
③ 电流表和电压表的量程比电路中的电压和电流小。
由于伏特表、安培表存在电阻,所以测量电路有两种:即电流表内接和电流表外接。
(1)电流表内接和电流表外接的电路图分别见图4、图5

(2)电流表内、外接法的选择,
①、已知RV 、 RA及待测电阻RX的大致阻值时

(3)误差分析:
内接时误差是由于电流表分压引起的,其测量值偏大,即R测 >R真;
外接时误差是由于电压表分流引起的,其测量值偏小,即R测<R真。
4.伏安法测电阻的电路的改进
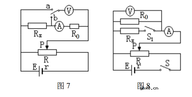
如图7、图8的两个测电阻的电路能够消除电表的内阻带来的误差,为什么?怎样测量?

为什么需要MOSFET栅极电阻?MOSFET栅极电阻...
时间:2026-03-05
NTC/PTC/CTR热敏电阻是什么?热敏电阻的使用...
时间:2026-03-05
解析单电阻采样的原理以及注意点
时间:2026-03-05
共源极放大器的设计方法
时间:2026-03-05
关于STM32WL LSE 添加反馈电阻后无法起振的...
时间:2026-03-05
如何直观地判断两级放大器的零点位置呢?
时间:2026-03-05
时序分析基本概念介绍<wire load model&...
时间:2026-03-05
电子元器件解析—电阻
时间:2026-03-05
3PEAK高压零漂放大器契合精密应用
时间:2026-03-05
助力绿色5G数字式电流和功率监测芯片-TPA62...
时间:2026-03-05
电阻的标称阻值和允许偏差
时间:2026-03-05
零欧电阻的功能
时间:2026-03-05
PPTC热敏电阻在电池中的应用
时间:2026-03-05
水泥电阻规格及型号
时间:2026-03-05
气敏电阻的型号命名方法是怎样的
时间:2026-03-05
国巨片式电阻缺货涨价之应对方案 你要知道电...
时间:2026-03-05
RI-80F型高压高阻玻璃釉膜电阻分压器
时间:2026-03-05
电阻器的分类
时间:2026-03-05
电阻的额定功率
时间:2026-03-05
电阻的高频特性
时间:2026-03-05