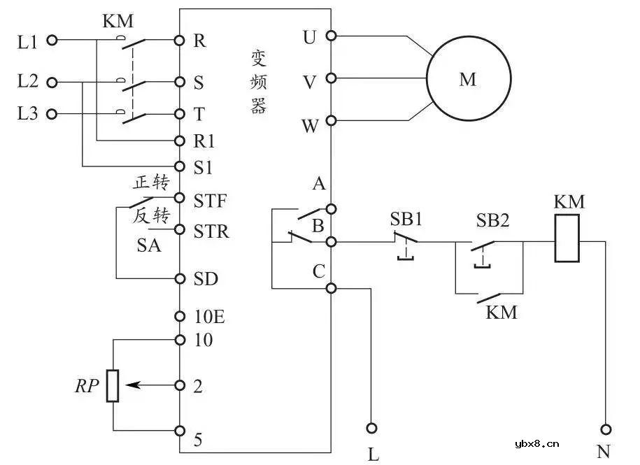
| 变频器正反转控制线路 变频器不但能实现电动机正转控制,控制电动机正反转也很应用非常广泛的。正、反转控制也有开关控制方式和继电器控制方式。在控制电动机正反转时也要给变频器设置一些基本参数。
变频器控制电动机正反转时的参数及设置 今天先给大家分析开关控制式正、反转控制线路 开关控制正、反转控制线路如图所示,它采用了一个三位开关SA,SA有“正转”、“停止”和“反转”3个位置。
正反转控制过程: ①启动准备。按下按钮SB2→接触器KM线圈得电→KM常开辅助触点和主触点均闭合→KM常开辅助触点闭合锁定KM线圈得电(自锁),KM主触点闭合为变频器接通主电源。 ②正转控制。将开关SA拨至“正转”位置,STF、SD端子接通,相当于STF端子输入正转控制信号,变频器U、V、W端子输出正转电源电压,驱动电动机正向运转。调节端子10、2、5外接电位器RP,变频器输出电源频率会发生改变,电动机转速也随之变化。 ③停转控制。将开关SA拨至“停转”位置(悬空位置),STF、SD端子连接切断,变频器停止输出电源,电动机停转。 ④反转控制。将开关SA拨至“反转”位置,STR、SD端子接通,相当于STR端子输入反转控制信号,变频器U、V、W端子输出反转电源电压,驱动电动机反向运转。调节电位器RP,变频器输出电源频率会发生改变,电动机转速也随之变化。 ⑤变频器异常保护。若变频器运行期间出现异常或故障,变频器B、C端子间内部等效的常闭开关断开,接触器KM线圈失电,KM主触点断开,切断变频器输入电源,对变频器进行保护。 若要切断变频器输入主电源,必须先将开关SA拨至“停止”位置,让变频器停止工作,再按下按钮SB1,接触器KM线圈失电,KM主触点断开,变频器输入电源被切断。该线路结构简单,缺点是在变频器正常工作时操作SB1可切断输入主电源,这样易损坏变频器 |
相关热词:#电工论坛
电工距离保护有几段?这解释合理不?
时间:2026-03-10
PLC是什么?PLC是以微处理器为基础,综合了...
时间:2026-03-10
18个电动机知识,转子转速与旋转磁场的转速...
时间:2026-03-10
图解一灯单控、双控、三控、四控照明灯控制...
时间:2026-03-10
图解电能表的接线大全方法
时间:2026-03-10
星三角降压启动控制线路的接线技巧常见故障...
时间:2026-03-10
为电工朋友总结的电工基础知识和维修经验,...
时间:2026-03-10
建筑电气工程施工质量验收规范,最全面的水...
时间:2026-03-10
专业电工师傅解答:家装改水电线管走地好还...
时间:2026-03-10
功率如何计算电流承受力,2500W用电器用多粗...
时间:2026-03-10
豆浆机更换电机全过程
时间:2026-03-09
电信 IPTV 常见故障排除方法与检修实例 (三...
时间:2026-03-08
三相电的相序 怎样才能分辨ABC
时间:2026-03-09
分享一下解决TV远程各种问题的工具方法,你...
时间:2026-03-09
格兰仕G90F25CN3LV-Q6(GO)变频 微波炉,按启...
时间:2026-03-09
九阳电压力锅维修过程
时间:2026-03-09
《洗衣机维修从入门到精通》电子书PPT之三
时间:2026-03-09
电动车越开电池越不耐用?别急着换!充电注...
时间:2026-03-09
在这3种情况下,最好别安装燃气热水器,别拿...
时间:2026-03-09
安装师傅却说:他只是帮忙的,并表示这个线...
时间:2026-03-09