KNX42150A:1500V,3A适用于变频器电源,DC-DC转换等
N沟道MOSFET--KNX42150A漏源击穿电压高达1500V,漏极电流最大值为3A,适用于变频器电源,逆变器,DC-DC转换等。
KNX42150的开启延迟典型值为30nS,关断延迟时间典型值为45nS,上升时间65nS,下降时间60nS,反向传输电容11pF,具有极快的开关速度,可靠性高。反向恢复时间410nS,正向电压的典型值1.6V。
该MOS管的导通阻抗典型值为6.5Ω。最大功耗为50W,最大结温为150℃。此产品的储存温度在-55到150℃,可适用于大部分环境。

图: 电路原理图

图:KNX42150A规格书
产品特点:
高速切换
RDS(ON),typ,典型值=6.5Ω@VGS=10V
典型应用:
变频器电源
逆变器
DC-DC转换
KNX42150A型号的MOS管是由国内专注研发16年的优质MOS管厂家生产,它是可以代换3N150等型号参数的场效应管。
【KNX42150A应用】
1500V/3A MOS管KNX42150A推荐用于380V变频器反激式辅助电源、5G基站通信电源辅助供电系统。
KNX42150A助力380V变频器反激式辅助电源
变频器因可以方便的改变电动机的转速,改善拖动系统性能,被广泛运用于风扇、电梯、水泵、机床、传送带等工业电机拖动设备;
运用于AC380V变频器反激式辅助电源的优势特点:
该MOS管VDS电压1500V,在550V电压上需留有1.5-2.5倍的裕量,以2.5倍最高耐压余量计算就是需要耐压1375V,故需要应用到1500V耐压的MOS管,KNX42150A耐压VDS电压1500V满足应用需求;
导通电阻为典型值6.5Ω,可降低导通损耗,降低输入电源功耗;续漏极电流在25℃时最大额定值为3A,一般辅助电源功率在10几瓦特,电流余量可满足功率需求;
最大结温为150℃,存储温度范围均为-55~150℃,工业级工作温度范围,完全适用于工业市场运用。

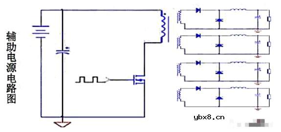
图:辅助电源反激式电源拓扑
KNX42150A用于5G基站通信电源辅助供电系统
高速互联网信息交互通信技术的发展,实现万物互联,给人们的生活带来了极大的便利。现阶段5G通信技术的发展和基站建设,致力于满足大数据量、高传输率的信息交互需求。
5G通信基站的建设,对通信电源的设计也有着高要求。以下是5G基站通信电源的设计框图。

从电网取电,需要EMI滤波,滤除电网谐波噪声干扰,通过PFC,减少损耗和电流纹波,提高供电效率,再通过LLC电路稳压和提高效率,最后同步整流输出。输出的稳定需要对输出端电压进行采样监控,反馈到控制系统,控制系统的供电,由辅助电源从PFC母线直流取电,PFC的输出母线电压一般在400V左右甚至更高,需要高耐压的外置MOS管配合DCDC控制器进行降压。
KNX42150A用于5G基站通信电源辅助供电系统优势:
1、耐压高达1500V,在400V的直流电压下有着3倍多的充分裕量,可以满足高耐压的应用需求;
2、导通电阻典型值为6.5Ω,可降低导通损耗,降低输入电源功耗。
KNX42150A适用于1KW开关电源

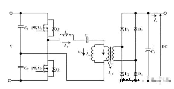
图:开关电源半桥LLC电路拓扑
KNX42150A的VDS电压是1500V,适合母线电压高达800V的使用场景,并留有足够的防击穿余量。
审核编辑:刘清
电场激活原位掺杂平面光伏型胶体量子点红外...
时间:2026-03-09
什么是硅片或者晶圆?一文了解半导体硅晶圆
时间:2026-03-09
集成电路的几纳米代表了什么?
时间:2026-03-09
金刚石基GaN问世 化合物半导体行业进入第三...
时间:2026-03-09
实用模拟电路小常识浅析
时间:2026-03-09
寄存器是什么?怎么操作寄存器点亮LED灯?
时间:2026-03-09
一文详解MOS管驱动电路拓扑的设计
时间:2026-03-09
汽车芯片业应汲取的教训
时间:2026-03-09
半导体光刻工艺 光刻—半导体电路的绘制
时间:2026-03-09
电阻的原理和作用 电阻色环识别图 电路中电...
时间:2026-03-09
石英灯电子变压器电路原理
时间:2026-03-06
住宅小区负荷与变压器容量的选择技巧
时间:2026-03-06
变压器的常用型号如何标识?变压器的有载如...
时间:2026-03-06
使用过滤器电容器和诱导器来抑制受辐射的EM...
时间:2026-03-05
LED固晶机龙头直面“寒冬”
时间:2026-03-05
玻璃釉电容器的结构与特点
时间:2026-03-05
电容器入门教程
时间:2026-03-05
分析一个工作中常用的带有放大功能的高精度...
时间:2026-03-05
关于STM32WL LSE 添加反馈电阻后无法起振的...
时间:2026-03-05
绝缘电阻表的选用及使用注意事项
时间:2026-03-05