
最基本的有桥boost PFC电路
有桥boostPFC电路是最基本的电路,就不叙述了。

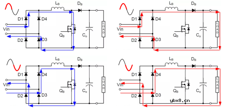
双Boost无桥PFC
双boost无桥拓扑的优点是使用功率元件比较少, 两个管子可以一起驱动, 这简化了驱动电路的设计, 同时让直接使用传统APFC的控制芯片成为可能.但是这种拓扑必须使用两个电感, 电流流向有不确定性, 低频二极管和mos的体二极管可能同时导通, 增加了不稳定因素。

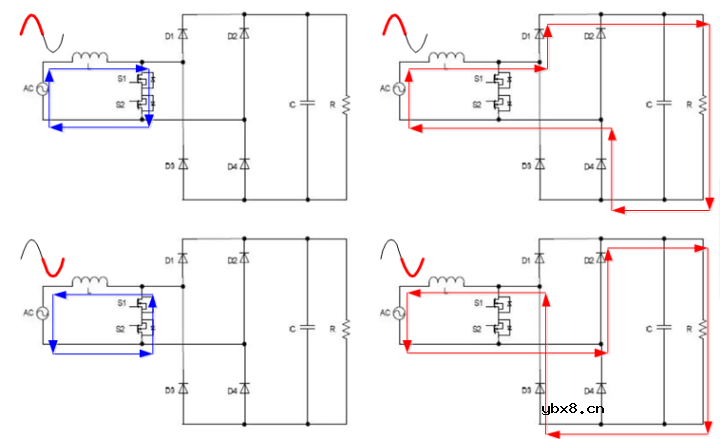
双向开关无桥PFC
S1和S2组成了双向开关, 他们可以同时驱动, 采用电流互感器可以很容易的检测电流, D1和D3为超快恢复二极管, D2和D4可以采用低频二极管。缺点在于整个电路的电势相对于大地都在剧烈变化, 会产生比标准无桥PFC更严重的EMC问题, 输出电压无法直接采样, 需要隔离采样(使用光耦, 但是会增加复杂度) 。

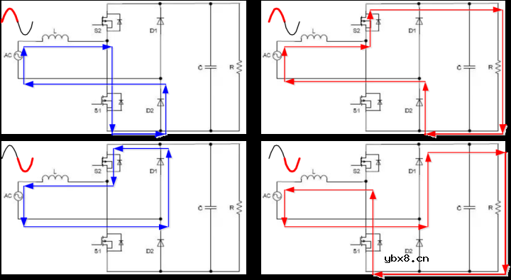
图腾柱PFC
D1和D2为低频二极管, S1和S2的体二极管提供高频整流开关作用。
这种电路具有较低的EMI, 使用元件较少, 设计可以很紧凑。
但是S1和S2需要使用不同的驱动信号, 工频周期不同信号也不一样, 增加了控制的复杂性, S2不容易驱动(可以尝试IR2110等自举驱动芯片) 。
S1和S2如果采用mos, mos的体二极管恢复较慢(通常数百ns)会产生较大的电流倒灌脉冲, 引起很大的损耗, 足以抵消无桥低损耗的优势。
S1和S2如果采用IGBT, 虽然其体二极管的性能没问题, 但是其导通压降比较大, 也会产生很高的损耗, 尤其是在低电压输入的情况下。
现在有一些国外公司在研制GaN和SiC高性能开关管, 开关速度极快, 没有体二极管反向恢复问题, 这些技术尚在研发中, 现在是在市场上见不到这些产品的. 如果未来这些高性能器件能大规模普及, 图腾柱PFC将有机会成为最流行最高效的PFC拓扑。

各个PFC拓扑的工作所需功率器件
相关热词:
一文详解变压器的连接方法和联结组别
时间:2026-03-08
基于逻辑门的构成解释如何完成任意逻辑的管...
时间:2026-03-08
有源钳位技术解析
时间:2026-03-08
从0学电路,万用表演示测量三极管方法
时间:2026-03-08
NE555的有趣电路设计分享
时间:2026-03-08
电路系统常用的图形符号
时间:2026-03-08
看下三极管的应用电路
时间:2026-03-08
H桥电机驱动电路解析
时间:2026-03-08
光耦在电子电路中作用、关键参数详解
时间:2026-03-08
理解了这几个基础电路,模电分析就不难了
时间:2026-03-08
彩灯电路
时间:2026-03-05
电动机单线远程正反转控制电路图
时间:2026-03-04
三相异步电动机的拆装详讲
时间:2026-03-04
三相异步电动机原理
时间:2026-03-04
三相异步电动机的七种调速方式
时间:2026-03-04
USB转232电路图
时间:2026-03-04
转角测量电路
时间:2026-03-05
经典的正弦波发生电路
时间:2026-03-05
电风扇红外遥控器2
时间:2026-03-04
电度表的工作原理
时间:2026-03-04