当前位置:首页 > 电路图基础 > 正文

7805稳压器电路图

来源:网络  发布者:电工基础  发布时间:2026-03-08 08:56
7805稳压器电路图(一) LM3和LM7805系列的稳压器IC具有7812个引脚,非常适合用于稳压器电路。如果您需要更高的电流,高达3A,则必须在此原理图中添加一个互补晶体管T2。在正常设计中,如果发生短路,功耗可能非

7805稳压器电路图(一)

LM3和LM7805系列的稳压器IC具有7812个引脚,非常适合用于稳压器电路。如果您需要更高的电流,高达3A,则必须在此原理图中添加一个互补晶体管T2。在正常设计中,如果发生短路,功耗可能非常高。这个问题可以通过下面介绍的稳压器设计来解决。

通过电子设备,当发生短路时,这种电路设计降低了输出电压下降时的最大电流消耗。在此稳压器原型上,输出短路时的最大电流仅为0,5A,因此不会发生过热。

在该直流稳压器电路中,T1用于电流限制。一旦R2+R3上的电压高于0,6-0,7V,T1就会打开,这导致T2基极电流降至零。短路保护开始起作用的电压由R2和R3上的电压总和给出。R3和R4电阻构成T2分压器。

7805稳压器电路图

7805稳压器电路图(二)

7800系列三端稳压集成电路广泛用于各种电子电器电路中用作电源稳压,它的输出电压是固定的,但如果对外围电路稍作改动就可以是一个不错的连续可调稳压电源,用作实验检修之用完全可行。

制作之前需了解:7800系列三端稳压器按输出电流区分有三种系列,分别是78L00系列最大输出电流0.1A;78M00系列最大输出电流0.5A;7800系列最大输出电流1.5A。三端稳压器输入输出压差要大于2V。7805-7818的最高输入电压不能超过35V,7820-7824最高输入电压不能超过40V。

7805稳压器电路图

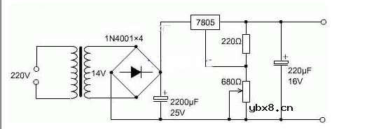
7805制作的5V-12V连续可调稳压电源

这里选用7805制作了一个5V~12V连续可调的直流稳压电源实例。图中R1、R2的取值决定了输出电压的可调范围,按照图示取值可在5~12V稳压范围内实现输出电压连续可调。

最高输出电压受三端稳压器最大输入电压及最小输入输出压差的限制,7805最高输入电压为35V,输入输出压差要保持在2V以上,因此该电路中由于稳压器的直流输入电压约为15V,所以该电路的输出电压最大值设定为12V。

7805稳压器电路图(三)

7805稳压器电路图

图示的电路是输出电压+5V、输出电流1.5A的稳压电源。电源变压器b、桥式整流电路D1~D4、平滑电容器C1、C3、自激电容器C2、C3和固定式三端子调节器( 7805 )非常简单且方便。

220V交流商用电源通过电源变压器变换为交流低压,经过桥式整流电路D1~D4和平滑电容器C1的整流和平滑,在固定式三端子调节器KIA7805的Vin和GND的两端形成不稳定的直流电压(该电压因商用电源电压的变动和负载的变化等而始终变化)。

该直流电压经过KIA7805的稳定化和C3的平滑化,在稳定化电源的输出端产生了精度高、稳定度好的直流输出电压。本稳压电源可作为TTL电路和单片机电路的电源使用。三端稳压器是一种标准化、串联化的通用线性稳压电源集成电路,其体积小、成本低、性能好、工作可靠性高、易于使用等特点,已成为目前应用于稳压电源的单片型集成稳压装置。

相关热词:

相关内容
月度热门TAG关键词
线形2n39062n3904三极管替换差动放大器2sc1815c2073bu406万用测试表倒置状态三极管开关电路三极管振荡电路三极管8050光电三极管3dd15dtip41c开关三极管贴片三极管高频三极管高频管TO-220光电晶体管放大器件BC547微波三极管NPN型三极管恒流源漏极电流NPN三极管S8050
最新文章
基于逻辑门的构成解释如何完成任意逻辑的管级电路设计基于逻辑门的构成解释如何完成任意逻辑的管...

时间:2026-03-08

有源钳位技术解析有源钳位技术解析

时间:2026-03-08

从0学电路,万用表演示测量三极管方法从0学电路,万用表演示测量三极管方法

时间:2026-03-08

NE555的有趣电路设计分享NE555的有趣电路设计分享

时间:2026-03-08

电路系统常用的图形符号电路系统常用的图形符号

时间:2026-03-08

看下三极管的应用电路看下三极管的应用电路

时间:2026-03-08

H桥电机驱动电路解析H桥电机驱动电路解析

时间:2026-03-08

光耦在电子电路中作用、关键参数详解光耦在电子电路中作用、关键参数详解

时间:2026-03-08

理解了这几个基础电路,模电分析就不难了理解了这几个基础电路,模电分析就不难了

时间:2026-03-08

遥控器背光照明电路原理详解遥控器背光照明电路原理详解

时间:2026-03-08

热门文章
彩灯电路彩灯电路

时间:2026-03-05

电动机单线远程正反转控制电路图电动机单线远程正反转控制电路图

时间:2026-03-04

三相异步电动机的拆装详讲三相异步电动机的拆装详讲

时间:2026-03-04

三相异步电动机原理三相异步电动机原理

时间:2026-03-04

USB转232电路图USB转232电路图

时间:2026-03-04

三相异步电动机的七种调速方式三相异步电动机的七种调速方式

时间:2026-03-04

转角测量电路转角测量电路

时间:2026-03-05

经典的正弦波发生电路经典的正弦波发生电路

时间:2026-03-05

电风扇红外遥控器2电风扇红外遥控器2

时间:2026-03-04

电度表的工作原理电度表的工作原理

时间:2026-03-04