谈如何正确测量接地电阻
摘要:本文针对目前防雷设施检测工作中出现的问题,从接地电阻测量的原理入手,提出几种测试方法和注意事项,以指导检测人员正确测量接地电阻,提高防雷检测机构的检测能力,增强检测人员
谈如何正确测量接地
电阻
摘要:本文针对目前防雷设施
检测工作中出现的问题,从接地电阻测量的原理入手,提出几种测试方法和注意事项,以指导检测人员正确测量接地电阻,提高防雷检测机构的检测能力,增强检测人员的技术水平。
0 引言
防雷装置检测是国家防雷减灾工作的重要内容之一,而其中接地电阻测量是防雷装置检测的重点和主要内容,也是衡量接地装置性能好坏的重要技术指标之一,同时也是判定整个防雷设施是否合格的重要依据。在日常检测工作中,经常遇到接地电阻测量仪读数不稳定,偏大或者偏小,甚至出现读数为负值的现象。如果不能认真分析,正确校正,其测量结果必定影响测量的准确度,影响数据的公正性。怎样正确处理这些场合接地电阻数值,保证测试方法的科学性,测试数据的准确、公正,本人在多年实践中归纳总结有以下几个方面,供大家探讨。
1 接地电阻的测量原理
测量接地电阻的方法很多,通常使用的是电位降法(见GB/T17949.1-2000《接地系统的土壤电阻率、接地阻抗和地面电位测量导则第1部分:常规测量》),该方法是将
电流注入待测接地极,并记录该电流与该接地极和电位极间电压的关系,目前普遍使用的接地电阻测试仪均使用该方法。
接地电阻测量仪的三个
接线端子分别接到接地体、电流探针和电压探针。其中E
端子通过测量导线连接接地体,P端子通过测量导线连接电压探针,C端子通过测量导线连接电流探针,测量时,在C端子产生一个恒定电流,该电流经电流探针—地—接地体—E,形成电流回路,通过测量G、P之间的电压U,其电压U和电流I的比值就是接地电阻RG ,即RG = U/I
测量原理见图1。

图1中的上部为接地测试钎的布置,接地体G、电压探针P、电流探针C分布在一条直线上。接地体G与电压探针P之间的距离为DGP,电压探针与电流探针之间的距离为DPC,在测量独立接地体时,个别接地电阻测试仪(如日本公立
公司的“4102”型)要求取DGP=DPC=5~10m,一般型号的接地电阻测量仪也大至要求取DGP=DPC=20米,此时测得的值就是该接地体的接地电阻值R0 。
如果将电压探针P插入沿GC两点的连线上的不同位置测量接地电阻时,就会得到一接地电阻曲线(图1中部的曲线)。从该曲线中可以看出,中部有一水平段(Ra和Rb之间),该段中所测得的值也就是该接地体的接地电阻值。
在实际测量中,不可能将P点正好选在GC连线的中点,所以只要将P点选在P1、P2之间,测量的数据即是准确的。最好是选Po点附近三个点进行测量,取三点测量值的平均值作为该接地体的接地电阻值。
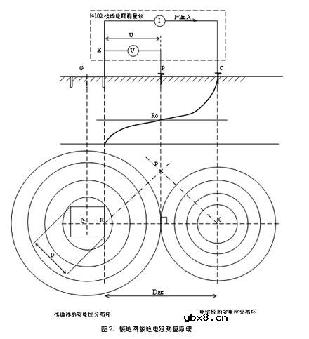
以上是独立接地体的接地电阻测量,接地网的接地电阻测量见图2。

接地电阻测量仪的E端应接在地网的边缘上,EC的延长线要通过地网的
中心G点。当地网的最大外径为D时,取E点到电流探针C点的距离为DEC=(2.5~5)D时,才有可能得到比较明显的水平段接地电阻测试曲线。当受到测量现场各种因素的限制,如建筑物、街道等障碍物,E点到电流探针的距离DEC达不到(2.5~5)D时,就测不出具有水平段的接地电阻曲线,只能得到有转折点Ro的接地电阻曲线。当Ro点很难确定时,可以从EC连线的中点引EC的垂线,在此垂线距E、C点适当的地方作为P点进行测量,也可得到较为明确的Ro值。
在日常测量中,很少遇到独立接地体的接地电阻测量,绝大部分是接地网的测量,所以我们仅介绍接地网的接地电阻测量。
在接地网测量中,为了快速找到Ro点,减少测量的次数,产生了几种标准的测量方法。图3列举了两种常用的接地网接地电阻测量方法。
在实际测量中,由于测量现场地形的限制,测量距离不够,无法按图3的方法测量,可适当减小距离,但要对测量结果进行校正,校正的方法和
参数可参考有关
资料。
2 测量中需要注意的问题
2.1 测量接地网接地电阻时,P点至E点的距离要大于10m,小于10m测量结果误差较大。
2.2 测量时,要根据现场情况仔细选择C点,E点至C点所在直线的延长线一定要通过地网的中心点G,即CE连线要垂直于地网边缘。
2.3 P点要选在C点至地网的中间,若对测量的数据有疑问时,可多选几个P点进行测量,再对数据进行分析,以便得出较准确的测量结果。
2.4 测量时,接地电阻测量仪的测试线一般要求不要互相缠绕,测量线必须拉直,更不能盘起来,测量每一点时不能怕麻烦,一定要将检测线全部放完,且尽量拉直。
2.5 测量时要避开地下的金属管道、
通信线路等。如对地下情况不了解,可多换几个地点测量,进行比较后得出较准确的数据。
2.6 在测量屋面避雷针、避雷带时,通常要加长E点的测量线。加长的测量线对小地阻的测量精度有较大影响,必须减掉加长线的线电阻。该线电阻可通过对比法得出或用电桥测出。特别值得注意的是,该加长线一定不能缠绕在一起,尤其不能盘起来(此时线电阻可达20Ω以上)。如果是加长P点和C点的测量线,此时加长线的线电阻可忽略不计。
2.7 对大型地网(如发电厂等)接地电阻的测量,一般的接地电阻测量仪已不适用。主要是因为该类仪器输出电流较小(2mA),E点至C点的距离太大后,测不出该电流在地中产生的电压。所以对大型地网接地电阻的测量,应选用大地网测试仪,也可利用电位降法的原理,使用其它设备来产生大电流,用电压表测量P点的电压,经过计算,得出接地电阻。
3 结论
影响测量精度的因素有很多,如测量现场的土壤分布的不均匀性、地下大尺寸金属物、现场的电磁环境等均可对测量数据造成误差,好在一般接地网接地电阻测量要求的精度不高,所以,上述的测量方法均可基本满足要求,要求较高测量精度的地网或特殊环境,接地电阻的精确测量可采用其它方法。
需要注意的是,接地电阻测量仪测得的数据是工频接地电阻,冲击接地电阻可通过工频接地电阻换算得出,也可直接用冲击接地电阻测量仪测得。
作者简介
宋建华(1955—)男,中专学历,成都新津县气象局防雷中心检测科长,常年在高原从事报务、雷达等工作。调入内地后,多年从事防雷检测工作,在长期实践中,积累大量经验并认真总结,其经验广泛应用于多个大型防雷装置检测中,主持多个大、中型综合防雷工程的检测、验收工作