比较器,比较器原理是什么?
比较器(comparator)
对两个或多个数据项进行比较,以确定它们是否相等,或确定它们之间的大小关系及排列顺序称为比较。
能够实现这种比较功能的电路或装置称为比较器。
比较器是将一个模拟电压信号与一个基准电压相比较的电路。比较器的两路输 入为模拟信号,输出则为二进制信号,当输入电压的差值增大或减小时,其输出保持恒定。因此,也可以将其当作一个1位模/数转换器(ADC)。运算放大器在不加负反馈时从原理上讲可以用作比较器,但由于运算放大器的开环增益非常高,它只能处理输入差分电压非常小的信号。而且,一般情况下,运算放大器的延迟时间较长,无法满足实际需求。比较器经过调节可以提供极小的时间延迟,但其频响特性会受到一定限制。为避免输出振荡,许多比较器还带有内部滞回电路。比较器的阈值是固定的,有的只有一个阈值,有的具有两个阈值。

电压比较器电路图
比较器是将一个模拟电压信号与一个基准电压相比较的电路。常用的幅度比较电路有电压幅度比较器,具有滞回特性的比较器。这些比较器的阈值是固定的,有的只有一个阈值,有的具有两个阈值。
1.1 固定幅度比较器
(1)过零比较器和电压幅度比较器
过零电压比较器是典型的幅度比较电路,它的电路图和传输特性曲线如图14.01所示。

(a) 电路图 (b) 电压传输特性
图1 过零电压比较器
将过零比较器的一个输入端从接地改接到一个固定电压值



(a) 电路图 (b)电压传输特性
图2 固定电压比较器
(2)比较器的基本特点
工作在开环或正反馈状态。
开关特性,因开环增益很大,比较器的输出只有高电平和低电平两个稳定状态。
非线性,因是大幅度工作,输出和输入不成线性关系。
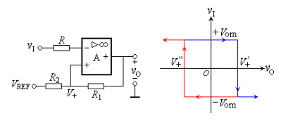
1.2 滞回比较器
从输出引一个电阻分压支路到同相输入端,电路如图14.03(a)所示电路。

(a) 电路图 (b) 传输特性
图3 滞回比较器电路图
当输入电压vI从零逐渐增大,且




当输入电压





当




回差电压


14.1.3 窗口比较器
窗口比较器的电路如图14.04所示。电路由两个幅度比较器和一些二极管与电阻构成。设R1 =R2,则有

窗口比较器的电压传输特性如图14.05所示。当vI>VH时,vO1为高电平,D3导通;vo2为低电平,D4截止,vO= vO1。
当vI< VL时,vO2为高电平,D4导通;vO1为低电平,D3截止,vO= vO2。
当VH>vI> VL时,vO1为低电平,vO2为低电平,D3、D4截止,vO=低电平。
高电平信号的电位水平高于某规定值VH的情况,相当比较电路正饱和输出。
低电平信号的电位水平低于某规定值VL的情况,相当比较电路负饱和输出。
该比较器有两个阈值,传输特性曲线呈窗口状,故称为窗口比较器。

图4 窗口比较器 图5 窗口比较器的传输特性
14.1.4 比较器的应用
比较器主要用来对输入波形进行整形,可以将正弦波或任意不规则的输入波形整形为方波输出,其原理如图14.06所示。
(a) 电压比较器 (b) 正弦波变换为矩形波
图6 用比较器实现波形变换
Handshake将如何解决CA中存在的问题
时间:2026-03-05
基于一种构建区块链dApps框架的应⽤程序For...
时间:2026-03-05
如何建立一个staking机制
时间:2026-03-05
如何写一个Solidity智能合约
时间:2026-03-05
串行通信比并行通信的速度哪个高
时间:2026-03-05
如何提高串口通信速度
时间:2026-03-05
串口通讯时传输速率与传输距离有什么关系
时间:2026-03-05
基于Algorand源码中agreement的模块结构介绍
时间:2026-03-05
如何开发一个属于自己的Chainlink智能合约
时间:2026-03-05
基于一种加入自由市场机制的锁仓方案介绍
时间:2026-03-05
瞬间抑制二极管(TVS)/瞬间抑制二极管(TVS)是...
时间:2026-03-04
什么是霍尔传感器
时间:2026-03-05
半导体材料的主要种类有哪些?
时间:2026-03-04
高级封装,高级封装是什么意思
时间:2026-03-04
数字比较器,数字比较器是什么意思
时间:2026-03-04
常用整流二极管型号大全
时间:2026-03-04
S/HS固态继电器原理简介
时间:2026-03-04
稳压二极管的选用和代换
时间:2026-03-04
TVS器件的电特性有哪些
时间:2026-03-04
TVS二极管的分类/应用,TVS二极管的特点/选用...
时间:2026-03-04