
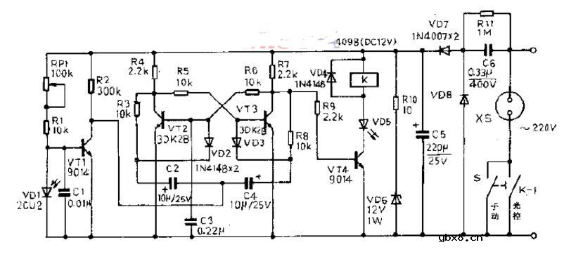
多功能导电能力测试仪电路由探测电极、电阻分压器、缓冲电路和双色二极管组成,如图所示。探测电极可感知被测物的电阻,根据被测物电阻的大小控制双色发光二极管发光。当探测电极感知被测物的电阻大于300kΩ且小于1000kΩ时,绿色指示灯亮;感知被测物的电阻小于300kΩ时,红色指示灯亮,使双色合成为橘红色亮光;感知被测物电阻大于1000kΩ时,双色指示灯VL3、Ⅴ⒕不发光。调节电位器RP可以改变探测电极的感知范围。
相关热词:#电路
光耦驱动继电器电路图大全(光电耦合器/ULN...
时间:2026-03-07
太阳能热水器电路图大全(上水自控电路/SN8...
时间:2026-03-07
轻触自锁开关电路图大全(自锁互锁电子开关...
时间:2026-03-07
msp430无刷电机控制设计电路
时间:2026-03-07
三极管组成的光控开关电路原理图_四款光控开...
时间:2026-03-07
PWM转换为模拟量电压的电路介绍
时间:2026-03-07
步进电机驱动电路图大全(六款二相步进电机...
时间:2026-03-07
低音炮功放电路板与电路图分享
时间:2026-03-07
TI PGA450-Q1超声波汽车倒车解决方案涵电路...
时间:2026-03-07
编码器接线图汇总分析
时间:2026-03-07
彩灯电路
时间:2026-03-05
三相异步电动机原理
时间:2026-03-04
三相异步电动机的七种调速方式
时间:2026-03-04
转角测量电路
时间:2026-03-05
经典的正弦波发生电路
时间:2026-03-05
电动机单线远程正反转控制电路图
时间:2026-03-04
三相异步电动机的拆装详讲
时间:2026-03-04
USB转232电路图
时间:2026-03-04
电度表的工作原理
时间:2026-03-04
电风扇红外遥控器2
时间:2026-03-04