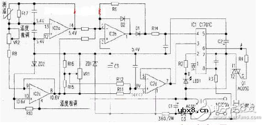
936 烙铁是一种可恒温、低电压、长寿命烙铁,具有可靠接地线,并与市电隔离,在修理各种含有贴片元件和集成电路的印制电路板时非常方便。
其控制电路由两部分组成,一路以IC2-3(运放)、VR、IC2-2(运放)组 成的可调基准电压电路;另一路以与加热丝L2(图中的Heater)绕在一起的温度传感电阻 丝RT、IC2-4、IC2-1 组成的温控电路。这两部分控制信号.分别输入至ICl(C1701C)③脚和 ④脚,经比较处理后从⑥脚输出触发控制双向可控硅Q1 的导通角,以调节L2(加热丝) 的加热功率来调温/恒温。
附:IC1(C1701C)引脚功能描述,IC2 是一个普通的四运放
1—基准电压输出(3.7-4.2V);2—比较放大器的输出端;3—比较放大器的反相输入端;4— 比较放大器的同向输入端; 5—电源(-8V)输入端; 6—脉冲输出端;7—GND;8—同步 信号输入端,工作电流40mA,同步信号电流5mA(RMS)。

相关热词:#控制电路
多谐振荡器电路图大全(温控报警/555/自激振...
时间:2026-03-07
最简单闪光灯电路图大全(晶体管/电容器/照...
时间:2026-03-07
最全的照相机闪光灯电路图大全(十款照相机...
时间:2026-03-07
声控闪光灯电路图大全(驻极体电容器话筒/高...
时间:2026-03-07
简易声控闪光灯的制作
时间:2026-03-07
自动抽水控制器电路图大全(继电器/喷灌控制...
时间:2026-03-07
电动叉车控制器电路图大全(稳压电源/有刷控...
时间:2026-03-07
多谐振荡器双闪灯电路设计与制作
时间:2026-03-07
太阳能控制器电路图大全(LM393/电源/PIC12...
时间:2026-03-07
燃气电子控制器电路图大全(吸阀安全型燃气...
时间:2026-03-07
彩灯电路
时间:2026-03-05
三相异步电动机原理
时间:2026-03-04
三相异步电动机的七种调速方式
时间:2026-03-04
转角测量电路
时间:2026-03-05
经典的正弦波发生电路
时间:2026-03-05
电动机单线远程正反转控制电路图
时间:2026-03-04
三相异步电动机的拆装详讲
时间:2026-03-04
USB转232电路图
时间:2026-03-04
电度表的工作原理
时间:2026-03-04
电风扇红外遥控器2
时间:2026-03-04