光电隔离是数据采集和控制系统抗干扰的一项重要措施,由于光电耦合器件的非线性,对模拟量的光电隔离会带来较大信号失真。为了提高光电隔离电路的线性度,采用负反馈方法把光耦器件的输出电流反馈输入端。进行光电隔离电路的静态特性试验。
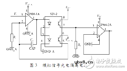
深度负反馈电路设计 ,使用深度负反馈可以改善系统的线性度,根据这个原理,在此设计了模拟信号的光电隔离电路。在该电路中使用了1片LP521光耦和2片LM2904集成运放。 LP521有两路光耦,其中一路用于信号转换,一路用于负反馈;运放2904,1A用于用于组成负反馈电路。运放2904构成了电压跟随器,用于增加电路带负载能力。模拟信号光电隔离电路如图3所示。


电路输出电压和输入电压是线性关系:LP521的两路光耦通道的发光二极管串联,通过2个二极管的电流If1=If2。因为两路光耦封装在1个器件中,光电特性基本一致,理想情况下可以认为两路光耦的集电极输出电流相等,即Ice1=Ice2。
根据理想运放的性质 ,可以得到下面的公式:
Vi=Ice2R1(1)
Vo=Ice1R2 (2)
所以Vo=(R2/R1)Vi,输出电压和输入电压成正比,比例系数由R1和R2确定。
相关热词:#光电耦合
基于ARM的LED自适应调光系统设计
时间:2026-03-07
基于单片机的LED自适应调光系统的设计与实现
时间:2026-03-07
楼梯开关双控电路图大全(七款楼梯开关双控...
时间:2026-03-07
音频信号放大器电路图大全(十款经典的音频...
时间:2026-03-07
可控硅调速电路图大全(六款可控硅调速电路...
时间:2026-03-07
简单直流二倍压电路介绍
时间:2026-03-07
简易信号发生器电路图大全(八款简易信号发...
时间:2026-03-07
大功率超声波发生器电路图大全(四款大功率...
时间:2026-03-07
最简单的RC振荡电路图大全(十款最简单的RC...
时间:2026-03-07
最简单的LC振荡电路图大全(五款最简单的LC...
时间:2026-03-07
彩灯电路
时间:2026-03-05
三相异步电动机原理
时间:2026-03-04
三相异步电动机的七种调速方式
时间:2026-03-04
转角测量电路
时间:2026-03-05
经典的正弦波发生电路
时间:2026-03-05
电动机单线远程正反转控制电路图
时间:2026-03-04
三相异步电动机的拆装详讲
时间:2026-03-04
USB转232电路图
时间:2026-03-04
电度表的工作原理
时间:2026-03-04
电风扇红外遥控器2
时间:2026-03-04