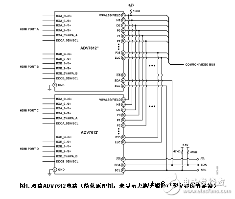
ADV7612 是一款双端口 Xpressview™ 225 MHz HDMI® 接收机,可在两个输入端之间实现快速开关。图1显示了使用两个ADV7612作为四路输入快速开关HDMI接收机的电路。
本电路显示了ADV7612的扩展性,在需要四个多路复用HDMI输入的应用中最高可达225 MHz TMDS(1080p60,每通道12位;148.5 MHz LLC像素时钟)或UXGA(1600 × 1200,每通道10位;162 MHz LLC像素时钟)。对此应用而言这是一种经济的解决方案,工作温度范围为−40°C至+85°C扩展工业温度范围。

ADV7612为双HDMI输入提供接收解决方案。图1显示如何在共享视频和音频总线上并联连接两个ADV7612,从而实现四个HDMI输入的多路复用。同时显示如何在不引起总线冲突的条件下设置I2C通信以及如何在信号源间切换。同时提供软件包,显示如何在HDMI中继器应用中处理通信和验证器件必须以非冲突方式从I2C总线加以控制。该电路的板布局十分关键,应遵循直线原理并使用可控阻抗,以降低反射和交叉耦合风险。
总线输出状态
复位后,ADV7612使引脚P0-P35、HS、VS/FIELD/ALSB、DE、LLC、AP0…AP5、SCLK/INT2和MCLK/INT2 进入三态。这些引脚可通过寄存器TRI_PIX、TRI_SYNCS、TRI_LLC、TRI_AUDIO设置为有效状态。
视频和音频总线载入
每次仅一个ADV7612可访问AV总线;第二器件必须保持三态。假设输出驱动器阻抗(P0…P35)为10 Ω至20 Ω(最高驱动强度)且走线特性阻抗为75 Ω,需要55 Ω至65 Ω的串联电阻以匹配走线的特性阻抗。ADV7612上的三态输出总线驱动器具有20 pF的最大电容。
布局和端接考量
对于本设计,必须确保传输线路得到正确端接且具有可控阻抗。否则,反射(可发生于较长线路上)可对发送的数据产生不利影响。
对于像素线路(P0…P35)、视频同步(VS/FIELD/ALSB、HS、DE)和音频线路(AP0、AP1/I2S_TDM、AP2.。.AP5、 MCLK/INT2、SCLK/INT2)——LLC除外,建议在ADV7612驱动器端使用51 Ω的串联端接电阻,以及特性阻抗为75 Ω的走线。
相关热词:#HDMI
浅析串联电路和并联电路中的电流、电压的规...
时间:2026-03-07
串并联电路的特点与识别串并联电路的四种方...
时间:2026-03-07
555定时器的电路结构与功能,由555定时器实...
时间:2026-03-07
由555定时器组成的单稳态触发器
时间:2026-03-07
555定时器解析,555定时器的工作模式及其应...
时间:2026-03-07
集成555时基电路解析,555时基集成电路与NE...
时间:2026-03-07
555内部电路结构与万用表测试555芯片的性能
时间:2026-03-07
MOS管驱动电路的基础总结
时间:2026-03-07
串扰和反射能让信号多不完整
时间:2026-03-07
二次回路电路原理图及讲解(一)——电路天...
时间:2026-03-07
彩灯电路
时间:2026-03-05
三相异步电动机原理
时间:2026-03-04
三相异步电动机的七种调速方式
时间:2026-03-04
转角测量电路
时间:2026-03-05
经典的正弦波发生电路
时间:2026-03-05
电动机单线远程正反转控制电路图
时间:2026-03-04
三相异步电动机的拆装详讲
时间:2026-03-04
USB转232电路图
时间:2026-03-04
电度表的工作原理
时间:2026-03-04
电风扇红外遥控器2
时间:2026-03-04