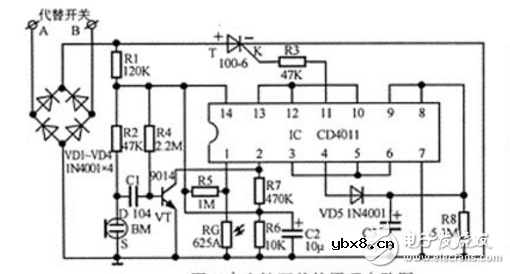
延时渐亮灯的电路如下图所示。

电路的右半部有单相可控硅3CT1A/600V触发二极管D7和辅助电路R3、R2、C2、R1组成。当C2充电电压达到D7的触发电压35V时,D7击穿产生触发脉冲,使可控硅导通,白炽灯有电流通过。这部分电路是典型的可控硅调压电路。
由R1、C1组成的时常数为10~20s的充电电路使得由C2通过R2的电流随C2上的电压上升而增大,从而使C2达到D7的触发电压的时间就会从8ms逐渐减少到1ms,从而使通过白枳灯的电压导通角由30。逐渐增大到165。这个过程大约10s,白枳灯在这个过程中逐渐点亮。C2的值越大,延迟时间越长,R4、D5保障每当可控硅导通时C2放电到2V时,可控硅电压过零关断后,C2重新开始充电。D6的作用是保障下图所示电路中A点电压在低于30V时不给C1充电,以避免白枳灯开始通电等待时间过长。
当断开电源开关K后,由C1通过R2给C2充电,使得可控硅还能导通,随着C1电压的逐渐下降,可控硅导通角逐渐减小,白枳灯亮度随之逐渐变暗,直至关断。
白枳灯的功率为25W~40W之间,如果功率是60W~100W,可控硅应换成(2A~3A)/600V的。
上述电路也可以供节能灯使用,但须做如下改动:
R1由27k增至47k。R2由27k增至67k。D6由30V瞬变抑制二极管改为68V瞬变抑制二极管,C1改为470u一680u/200V。
经过上述的改动,此时的电路相当于节能灯的电压由交流120V逐渐升到220V,它的亮度就会从20%i曾至100%。
相关热词:#可控硅
二次回路电路原理图及讲解(四)——电路天...
时间:2026-03-07
二次回路电路原理图及讲解(五)——电路天...
时间:2026-03-07
二次回路电路原理图及讲解(六)——电路天...
时间:2026-03-07
声光控延时开关cd4011
时间:2026-03-07
cd4013引脚图及功能
时间:2026-03-07
cd4013真值表与电气特性
时间:2026-03-07
cd4013开关应用电路
时间:2026-03-07
cd4013单稳态电路
时间:2026-03-07
cd4013的工作原理_在电路中可以用什么代替
时间:2026-03-07
反馈电路的概念_什么叫反馈电路
时间:2026-03-07
彩灯电路
时间:2026-03-05
三相异步电动机原理
时间:2026-03-04
三相异步电动机的七种调速方式
时间:2026-03-04
转角测量电路
时间:2026-03-05
经典的正弦波发生电路
时间:2026-03-05
电动机单线远程正反转控制电路图
时间:2026-03-04
三相异步电动机的拆装详讲
时间:2026-03-04
USB转232电路图
时间:2026-03-04
电度表的工作原理
时间:2026-03-04
电风扇红外遥控器2
时间:2026-03-04