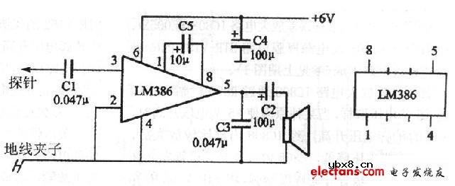
该集成电路信号寻迹器电路简单,仅需一片小功率集成功放电路LM386和5个电容就能组成整机,而且寻迹能力极强。从调谐回路至功放电路,都能方便地检出故障所在,由于声音宏亮,在检查中放及低放电路时,还可以用喇叭放音,无需老挂着耳机,使用很方便。

电路原理如上图所示。Cl为隔直电容;C2是输出电容;C3的作用是防止自激;C4是电源滤波电容。
信号经Cl从集成电路LM386的③脚输入,由于LM386的输入端是微电流偏置,而且有很宽的频响,所以不需外接二极管就能完成检波。信号经放大后由LM386⑤脚输出。LM386的①脚和⑧脚是增益控制,直接用10μF的电容把两脚连接起来,就可获得最高的增益。

该机印制电路板如下图所示。将全部元器件安装在一块2cm×3.5cm的印制电路板上,只要选用的元器件正确,接线无误,一般无需调试即可正常工作。耳机插座需进行改制,让它兼做电源开关。由于本信号寻迹器耗电甚少,静态电流只有4mA左右,可用4节5号电池供电,若用6V叠层电池,还可进一步缩小体积。
相关热词:#集成电路
5v太阳能路灯电路图大全(四款5v太阳能路灯...
时间:2026-03-07
双向可控硅调光电路图大全(四款模拟电路设...
时间:2026-03-07
太阳能路灯电路设计与仿真
时间:2026-03-07
30w太阳能路灯设计方案汇总(六款太阳能路灯...
时间:2026-03-07
ne555调光电路图大全(五款模拟电路设计原理...
时间:2026-03-07
60w太阳能路灯设计方案汇总(四款模拟电路设...
时间:2026-03-07
220v双向可控硅电路图大全(八款模拟电路设...
时间:2026-03-07
单向可控硅光控电路图大全(四款模拟电路设...
时间:2026-03-07
可控硅调压器电路图大全(八款模拟电路设计...
时间:2026-03-07
单向可控硅最筒单电路图大全(四款模拟电路...
时间:2026-03-07
彩灯电路
时间:2026-03-05
三相异步电动机原理
时间:2026-03-04
三相异步电动机的七种调速方式
时间:2026-03-04
转角测量电路
时间:2026-03-05
经典的正弦波发生电路
时间:2026-03-05
电动机单线远程正反转控制电路图
时间:2026-03-04
三相异步电动机的拆装详讲
时间:2026-03-04
USB转232电路图
时间:2026-03-04
电度表的工作原理
时间:2026-03-04
电风扇红外遥控器2
时间:2026-03-04