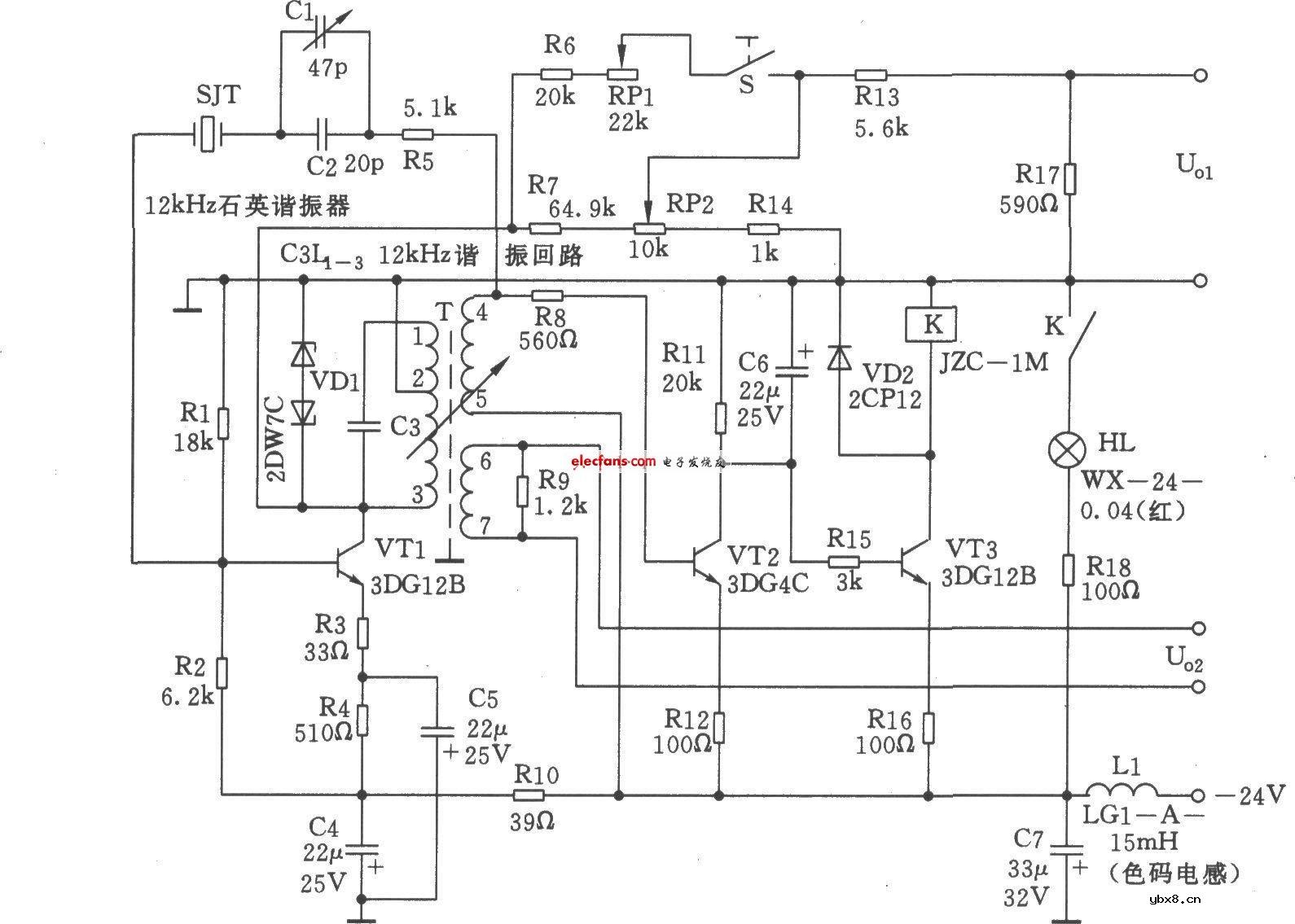
工作原理:12kHz中频振荡器由12kHz石英振荡器、输出电平调整、电平提升电路以及告警电路所组成。它采用新颖单管调谐变量器反馈式振荡电路,在反馈回路中,串接了12kHz石英晶体谐振器,从而使振荡频率取决于l2kHz石英晶体谐振器的性能。在提高振荡器可靠性及输出幅度稳定性方面,采用了交流稳幅电路。

相关热词:#振荡器
反极性Buck-Boost为什么输出的是一个负压呢...
时间:2026-03-07
稳压管与普通二极管的区别
时间:2026-03-07
五大电子技术知识详解(逻辑门电路 可控硅 ...
时间:2026-03-07
介绍三种恒流电路的原理图
时间:2026-03-07
二极管的结构和分类
时间:2026-03-07
降压型开关稳压器的工作方式介绍
时间:2026-03-07
什么是开关稳压器?开关稳压器的控制方式
时间:2026-03-07
安世半导体碳化硅肖特基二极管获十大划时代...
时间:2026-03-07
电压调压器的定义及工作原理
时间:2026-03-07
为什么二极管会单向导通
时间:2026-03-07
彩灯电路
时间:2026-03-05
三相异步电动机原理
时间:2026-03-04
三相异步电动机的七种调速方式
时间:2026-03-04
转角测量电路
时间:2026-03-05
经典的正弦波发生电路
时间:2026-03-05
电动机单线远程正反转控制电路图
时间:2026-03-04
USB转232电路图
时间:2026-03-04
电度表的工作原理
时间:2026-03-04
电风扇红外遥控器2
时间:2026-03-04
三相异步电动机的拆装详讲
时间:2026-03-04