1.桥式推挽功放电路图优缺点:优点:电源利用率(理想情况下)是100%,比OTL或OCL电路提高了50%。BTL输出功率是OCL或OTL的四倍。缺点:·晶体管数目最多,总损耗增大,致使转换效率降低,输入输出信号均无接地点,用时不十分方便
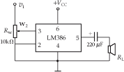
2.应用举例(以LM386集成功放为例)
①LM386简介
· 内部电路:




以上是对桥式推挽功放电路图的一些简单介绍。
相关热词:#功放电路
支持电子设备进一步降低功耗的第5代平面型肖...
时间:2026-03-07
威世科技硅PIN光电二极管VEMD8082,引领生物...
时间:2026-03-07
新型“三电极”光电PN结二极管
时间:2026-03-07
MBRF3040CT肖特基二极管40V电压产品参数介绍
时间:2026-03-07
光电二极管的工作机理、类型以及材料
时间:2026-03-07
采用ATmega16的里程表检测仪电路设计 — 电...
时间:2026-03-07
基于CC2530的无线路灯节能智能监控系电路设...
时间:2026-03-07
基于GSM的超远程水泵控制系统电路设计
时间:2026-03-07
门禁系统智能视频监控电路设计
时间:2026-03-07
过压保护电路的多种设计方案
时间:2026-03-07
彩灯电路
时间:2026-03-05
三相异步电动机原理
时间:2026-03-04
三相异步电动机的七种调速方式
时间:2026-03-04
转角测量电路
时间:2026-03-05
经典的正弦波发生电路
时间:2026-03-05
电动机单线远程正反转控制电路图
时间:2026-03-04
USB转232电路图
时间:2026-03-04
电度表的工作原理
时间:2026-03-04
电风扇红外遥控器2
时间:2026-03-04
三相异步电动机的拆装详讲
时间:2026-03-04