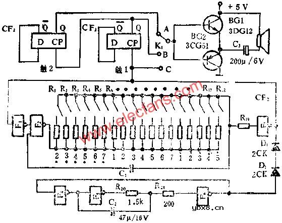
图中所示是用TTL与非门和触发器组成的玩具电子琴线路。图示线路可同时发出主音和颤音,它还可模拟小号、黑管等东器的声音,且制作较简单。图示线路由主振荡器、颤音振荡器、分频器及音频放大等几个部分组成。F1、F2、F3和R19、



相关热词:#触发器
几乎不耗电的遥控门铃设计
时间:2026-03-07
实用的自动延时照明开关电路
时间:2026-03-07
遥控收发器控制数码管显示的实验
时间:2026-03-07
采用电容降压的 LED 驱动电路图
时间:2026-03-07
6串LED恒流控制原理图
时间:2026-03-07
简单实用的电梯停电报警电路
时间:2026-03-07
不同凡响的胆管放大器设计
时间:2026-03-07
短路断路功能的电桥式语音报警器
时间:2026-03-07
两段声音全自动语音复制电路的设计
时间:2026-03-07
超声波发射电路图
时间:2026-03-07
彩灯电路
时间:2026-03-05
三相异步电动机原理
时间:2026-03-04
三相异步电动机的七种调速方式
时间:2026-03-04
转角测量电路
时间:2026-03-05
经典的正弦波发生电路
时间:2026-03-05
电动机单线远程正反转控制电路图
时间:2026-03-04
USB转232电路图
时间:2026-03-04
电度表的工作原理
时间:2026-03-04
电风扇红外遥控器2
时间:2026-03-04
三相异步电动机的拆装详讲
时间:2026-03-04