感应无刷电机驱动器中的电流是必不可少的,即使它只是为了限流。如果要在整个工作范围内优化性能和稳定性,则电流读数必须保持一致。有多种方法可以切换三相电桥,这会使电流检测变得复杂。电流在桥内流动的方式并不总是很明显,尤其是在考虑各种制动和驱动模式时。
低电流驱动器最简单和常见的格式是在公共负回路中放置一个分流器,如图 1 和图 2 所示。


对于模拟驱动器中的单侧开关,这种格式非常不令人满意,因为平均分流电流不是平均电机电流。在电桥内循环的飞轮电流不通过分流电阻器。需要检测峰值电流,但这会立即引入噪声问题。
单侧开关桥接电流
对于数字驱动器,可以在相关相位的导通时间对分流电流进行采样,但这仍然存在问题。相间接近换向时,可用于感测电流的时间非常短,因为它在低速下具有低占空比。为了进一步加剧这个问题,分流电流有许多高频分量,必须通过一个具有非常快压摆率的放大器来检测——可能在 20V/µs 的数量级。还必须考虑分流器上的共模电压摆幅(图 3)。

PWM 对单分流电流检测的影响
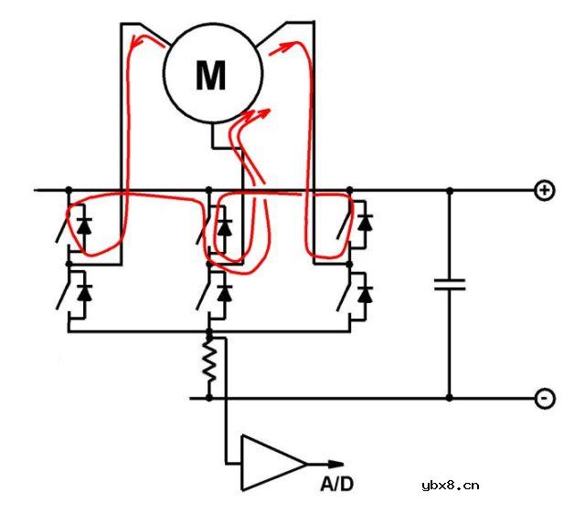
如果引入动态制动,分流器可能看不到任何电流,因此电桥容易损坏。需要定期开启较低的 FET 支路,以便可以在分流器中对电流进行采样(图 4)。

动态制动电流
如果需要良好的制动控制而不需要特定的制动模式,则可以启动双面切换。对于零电压驱动,需要 50% 的 PWM。这确实意味着有更多时间在低速而不是高速下测量电流。分流器在每个 PWM 周期看到电流反转(图 5)。

双面切换
带有低电感电机的双面开关的一个可能的缺点是纹波电流可能很高,这会增加 FET 中的开关损耗以及电机和分流器中的 I2R 损耗。
这次关于正弦换向还有一个更复杂的问题。在梯形换向中,任何时候只有 2 个桥臂被切换,但是当我们转向正弦换向时,所有三个桥臂同时被切换。在图 6 中,我们可以看到单个分流器会看到 C 相电流,但分流器不会指示 A 相或 B 相电流。这仅仅意味着单个分流器不适用于正弦换向。

单分流器仅准确指示 C 相电流
为了克服这个问题,可以使用两个分流器,但这仍然没有解决由于低 PWM 比引起的感测错误问题,或者没有感测到动态制动电流或循环电流的问题。为此,我们现在将研究典型无刷驱动器中实际测量的分流电流和电枢电流之间的差异。
所研究的系统是一种改进的梯形驱动器,具有双面开关和 3 个分流器,如图 7 所示。添加了霍尔效应电流传感器来测量实际的电枢电流流动。

三并联驱动
然后可以比较来自分流器和电流传感器的电流读数。
图 8 中的屏幕截图描绘了分流电压(黄色)和电流传感器输出(蓝色)。

相电流波形
观察:
分流电流是电枢电流的整流版本。对于相同的电流,所描绘的传感器输出幅度比分流输出大约 50%。
在这种驱动器中,分流电流和真实电枢电流之间存在相当大的周期性差异。
在电流达到最大值时,这种关系或多或少是一致的,但当电流接近零且上升时,一致性较差。电流下降时没有一致性。
不一致的原因必须是桥内存在循环电流,它们不像正弦换向那样通过分流或重叠电流。
如果我们放大时基不一致,图 9 将进一步描述。

再次,在电流上升期间,分流电流与电枢电流之间存在合理的关系,但在换向点分流电流瞬间下降为零,然后在电枢电流逐渐下降的同时又开始上升。由于电感,电枢电流不能瞬间改变。很可能是感应电流没有通过特定的分流器,从而导致了差异。
在周期的不同时期,我们可以观察到图 10。

电枢电流接近零,但分流电流不是。在换向点,两个电流都为零,这是正确的,但分流电流迅速上升,但电枢电流没有。
我们可以很明显地得出结论,在许多无刷驱动器中,在负极线上使用分流器是一种非常糟糕的电流测量方式。三相桥中的电流显然非常复杂,尤其是考虑到多种操作模式,包括动态制动、再生制动、正向和反向驱动以及 FET 支路开关选项时。
电流测量不准确的症状可能是电机振动和/或依赖于负载的不稳定。对抗这种不稳定性可能意味着额外的阻尼,这通常会导致较差的瞬态响应。
另一种方法是使用分流器来测量相电流,但这会立即带来分流器上非常大的共模电压摆幅的挑战,这需要非常精确的电阻分压器网络和精密放大器。此外,当电流大于约 30 安培时,分流器中的热量开始成为问题。
合乎逻辑的替代方案是采用电隔离电流传感器来测量真正的电枢电流。这些不一定笨重或昂贵。
安装在 90A 电机驱动器中的 Raztec 电流传感器
环形电流传感器简单地环绕电机连接。电流隔离完全消除了共模效应,并准确测量了真实的电枢电流。传感器的输出接近轨到轨,因此不需要放大——电流信号可以直接馈送到 A/D。Raztec RAZC 系列传感器能够测量最大 40 安培至最大 250 安培的电流,外径均为 10 毫米。
审核编辑:刘清
浅谈开关二极管选用和作用
时间:2026-03-07
浅谈变容二极管的选用和作用
时间:2026-03-07
浅谈稳压二极管的选用和使用条件
时间:2026-03-07
一文详解变压器的连接方法和联结组别
时间:2026-03-07
基于纳芯微NSIP3266全桥驱动芯片的平面变压...
时间:2026-03-07
变压器的作用、原理及分类
时间:2026-03-07
坐标基准
时间:2026-03-07
GPS设备的数据接口
时间:2026-03-07
GPS设备的无线连接
时间:2026-03-07
GPS设备的AV接口
时间:2026-03-07
什么是追踪缓存/转接卡?
时间:2026-03-06
瞬间抑制二极管(TVS)/瞬间抑制二极管(TVS)是...
时间:2026-03-04
什么是EPIC
时间:2026-03-06
什么是联合并行处理二级缓存?
时间:2026-03-06
什么是Speculative execution/SQRT?
时间:2026-03-06
什么是霍尔传感器
时间:2026-03-05
双向二极管起什么作用?
时间:2026-03-04
半导体材料的主要种类有哪些?
时间:2026-03-04
高级封装,高级封装是什么意思
时间:2026-03-04
数字比较器,数字比较器是什么意思
时间:2026-03-04