什么是液晶/等离子/背投电视
随着人们生活水平的提高,电视作为一种现代生活中必不可少的娱乐工具,他的家庭也在不断地发展壮大。现在市场上背投电视、等离子电视、液晶电视新品频频登场,令人眼花僚乱。
一、 液晶电视
无可厚非,液晶电视最重要的要算是液晶屏了。目前市场上的液晶屏有两种,一种是液晶电视专用屏,另一种是液晶显示器屏幕,两种屏幕不尽相同。电视专用屏成本高,产量较少,目前市面上最好的屏是第七代TFT液晶电视专用屏。
选中液晶显示屏之后,还要注意选择亮度和对比度。如果液晶屏的亮度和对比度低,那么画面上的黑色看上去是灰黑色,全暗的背景也有点微微发亮,图像缺乏质感。
需要提醒大家的是,目前市场上出售的液晶电视,由于生产厂家不同,产品优劣也不相同,以次充好的现象难免会有,请消费者购买时务必注意。
二、等离子电视
选择等离子电视屏幕的对比度比液晶电视占了很大优势,但是等离子电视并不是对比度越高越好的,提高对比度只有通过“提高亮场亮度”和“减小暗场亮度”两种途径解决,“提高亮场亮度”非常困难且带来功耗增加,“减低暗场亮度”对于人眼来说则是基本上感受不到的,减低仅0.05尼特的暗场就会增加1000∶1的对比度,因此,对比度不是越高越好,合适的对比度才是最重要的。
需要提醒大家的是,目前市面上出现了一些低价大屏幕等离子电视,其价格让不少消费者为之动心,这有可能是厂家购入的库存第一、二代的低亮度、低对比度的等离子屏,这些等离子画面灰暗,收视效果不佳,消费者在购买时一定要注意,以免买到市场的淘汰产品。
三、背投电视
众所周知,背投电视视角小是其最致命的弱点。那么对我们普通网友来说,购买时如何看视角大小呢?这里小编教你一个小窍门:以相同的观看距离,从正前方向两边偏离,看到的显示效果会逐渐下降,下降小的勿庸置疑他的视角就越大。
TVS二极管的工作原理和关键参数
时间:2026-03-07
铂热电阻温度测量系统硬件电路 —电路图天天...
时间:2026-03-07
运用C8051F340的数据采集系统电路设计
时间:2026-03-07
TVS二极管的实战选型指南和布局技巧
时间:2026-03-07
AT89S52单片机超声波测距系统电路设计
时间:2026-03-07
850nm和940nm的红外发射管之间有何差异呢?
时间:2026-03-07
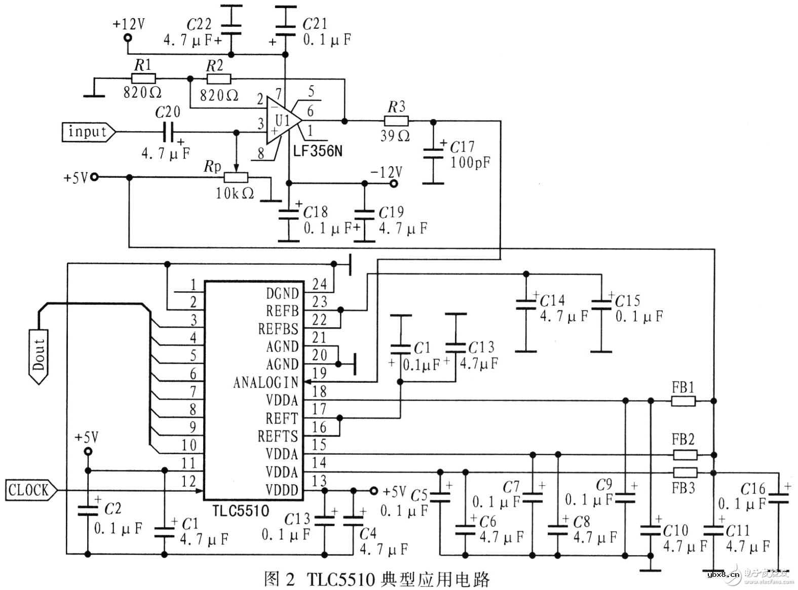
采用TLC5510数据采集整形触发电路设计
时间:2026-03-07
ST 600-650V MDmesh DM9 超结快速恢复功率M...
时间:2026-03-07
MSP430单片机热敏电阻温度测量系统电路设计
时间:2026-03-07
AD7674和C8051F060构成的数据采集系统电路设...
时间:2026-03-07
什么是追踪缓存/转接卡?
时间:2026-03-06
瞬间抑制二极管(TVS)/瞬间抑制二极管(TVS)是...
时间:2026-03-04
什么是EPIC
时间:2026-03-06
什么是联合并行处理二级缓存?
时间:2026-03-06
什么是Speculative execution/SQRT?
时间:2026-03-06
什么是霍尔传感器
时间:2026-03-05
双向二极管起什么作用?
时间:2026-03-04
半导体材料的主要种类有哪些?
时间:2026-03-04
高级封装,高级封装是什么意思
时间:2026-03-04
数字比较器,数字比较器是什么意思
时间:2026-03-04